功放在任何一个音响系统中都是必不可少和极其重要的部分。本文介绍用于功放电路的四种集成电路以及应用电路供读者参考。
TDA1029
TDA1029是荷兰飞利浦公司推出的一片用于音频领域的立体声四路高保真音源信号切换集成电路,具有极优异的电声指标,其总谐波失真仅为0.005%和优良的信噪比S/N=120dB。典型的应用电路如图1所示。

主要特性参数:
1.工作电压范围:6~23V,典型值12V。2.电流消耗:典型值Ipin 14=3mA。3.电压增益:Gv=1dB。4.总谐波失真:THD=0.005%(实测)5.串音指标:α=70dB。6.信噪比:S/N=120dB。7.转换速率:S=5V/μs。8.最大允许输入信号电压值:Vin=6V
LM1040N
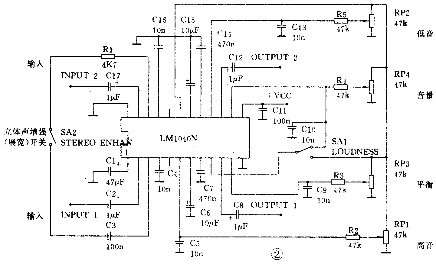
LM1040N是美国国家半导体公司的一片多功能高保真直流控制的音量/音调/平衡/等响/立体声展宽的音响电路,广泛应用于高级音响设备中的后级功放作音色修饰。直流控制的最大好处是高、低音提升的效果相当自然,即使处于最大提升量时,低频也不会过冲,高音更不会发尖、发毛,这是一般的负反馈或衰减式音调电路(包括普通的模拟式多频段均衡器)所不能相比的。并且通过遥控装置可以实现全遥控调节。每级的音调由外部选定的电容决定,以达到所希望的效果;电路内带的立体声增强(对于单声道节目)或立体声展宽功能更使整个系统的重放效果最佳(尤其是对书架型音箱或床头音响系统更是锦上添花),典型的应用电路如图2所示。此电路特点是DC控制,可以全遥控。带立体声扩展系统,提高了隔离度,增强环绕声效果;并且带等响度补偿,此电路所需外围元件很少。

主要特性参数:
1.工作电压范围:8~18V,典型值:12V。2.极宽的频率响应:DC~250kHz。3.音量控制范围,典型值:75dB。4.音调控制范围,典型值:±15dB(40Hz、16kHz)。5.通道隔离度,典型值:75dB。6.失真度,Ui= 0.3Vrms时,典型值:0.03%。7.信噪比,Ui=0.3Vrms时,典型值:90dB。
TDA1514A
TDA1514A也是飞利浦公司专为数字音频系统而设计的功放电路,本文介绍的有关应用电路有如下特点:采用恒流负反馈式和具有直流伺服系统。具体的电路设计如图3所示,用线性元件电阻R56(0.5Ω/2W)把流过扬声器音圈的电流取样反馈给功放输入端,使放大器以固定电流方式驱动负载,扬声器受电流控制振荡而发声。特别是当重放频率到了低频及谐振峰附近时,恒流式电路可以很好地克服扬声器阻抗的变化给重放效果带来不良的影响,增强了低音的力度和高音的解析力,使整个系统的重放音色听起来丰满厚实又清晰明快,很有电子管功放的韵味!

直流伺服电路主要是用来精确修正 TDA1514A电路在取消负反馈的对地隔直电容后,输出端直流电位的漂移。
DTA1514电路的特点是设等待和静噪状态;具有过热保护、短路保护、功率管安全工作区保护以及静电放电保护;低失调电压、高纹波抑制,而且热阻极低。
主要特性参数
1.输出功率Pout=50W
(THD-0.08%):Vp=±27.5V,R1=8Ω。
2.转换速率:15V/μs。
3.信噪比:85dB。
4.纹波抑制:75dB。
TDA1521
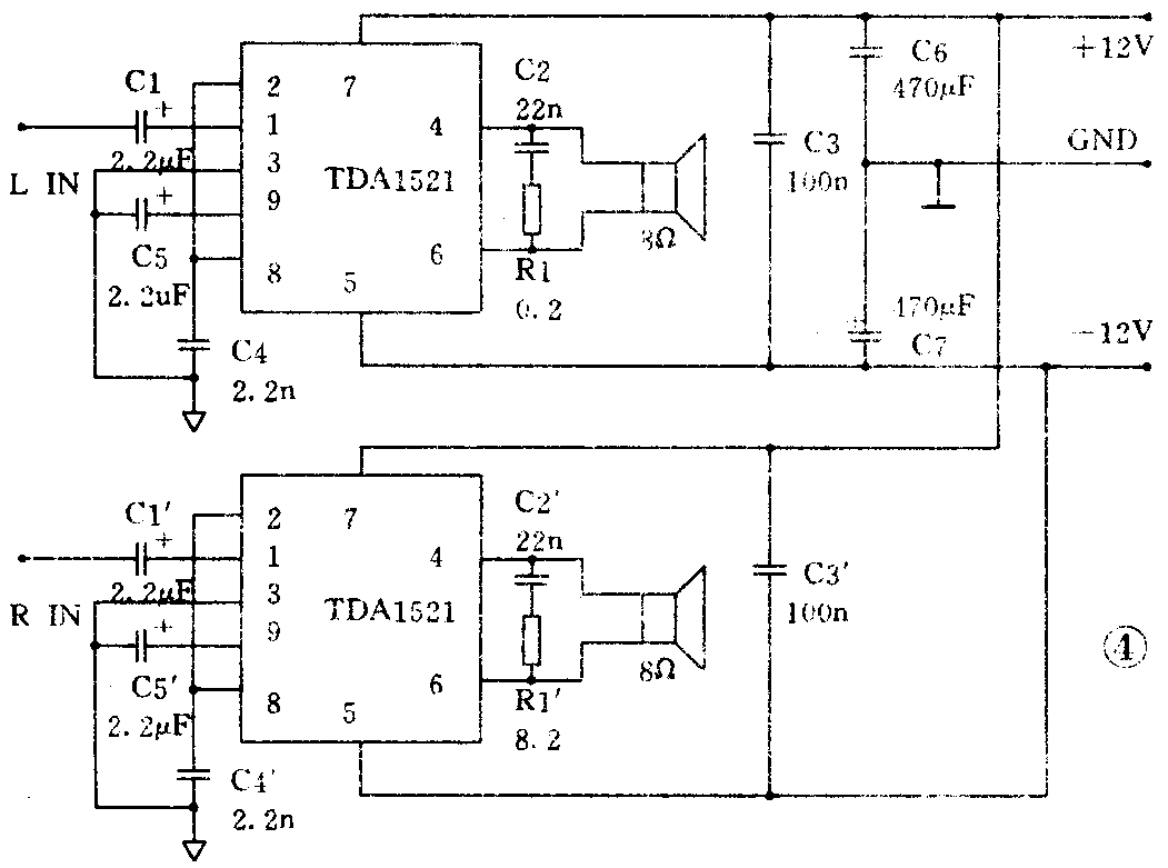
由TDA1521集成电路组成的功放电路, 有关的文章已介绍的比较多了,在此不再赘述。本文提供一款采用BTL方式设计的额定功率30W×2的功放,工作电压±12V,外围元件只有3个,堪称最简洁的高保真功放了。采用集成功放最大的优点是立体声平衡度好,且大批量的一致性有充分保证,在可靠性及性价比方面均远优于分立元件功放。典型的应用电路如图4所示。 (张国鹏)
