本文向大家介绍一种线路简单,而且很实用的模拟频率计,其线路如图1所示。

从图中可以看出,该电路很简单,而且元器件也容易购买。为了更好地理解其原理,现对电路中的主要部分作些说明。输入信号可以是脉冲,也可以是方波,但幅值必须在2V(峰—峰值)以上。该电压经3DK9放大到集成芯片555触发电平的规范值。P作为被测输入信号频率的指示器(表的指示为频率刻度)。
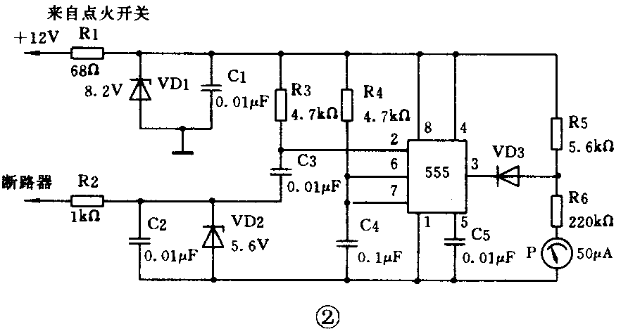
适当修理图1电路便可得到汽车发动机转速的模拟计数器,其实际电路如图2所示。从图中可以看出,基本上与图1差不多。现将图中不同之处说明如下。+12V电源来自汽车发动机的点火开关,由蓄电池供给,并经R1和VD1稳压,使之加到芯片上的电压为8.2V;单稳态多谐振荡器的触发脉冲是由汽车断路器所提供的。当汽车断路器输入脉冲触发时,555集成电路输出端3脚为高电平,P微安表有电流通过,并有指示。输入脉冲不触发时,输出端3脚为低电平,微安表没有电流,指示为零。

由于转速计是恒定电压(8.2V)供电的,输出脉冲幅值是不变的。另外转速与断路器所提供的输入脉冲频率成正比,所以P指示的值,即为汽车转速值,且与转速成线性关系。 (纪宗南)