常见的编解码电路多数是由编码IC与解码IC配对使用,如VD5026/5027/5028及HT12E/12D/12F就属于这类电路。这里向读者介绍UM3758-108A/AM型单片编解码电路,它集编码发送和接收解码于一身,易于采用红外、超声波、无线电等方式实现远距离传输控制,可广泛用于汽车、摩托车、移动电话、保险柜、仓库银行,保密通信等方面,并具有独特的双向遥控报警和双工收发通信功能。
UM3758—108A/AM主要电特性参数:工作电压范围3~12V,一般用9V或6V电源。接收输入高电平最小值4V,低电平最大值2V其它输入电平VIH=(VDD-0.5V)~VDD,Vn=0.5V。输出电平VOH=(VDD—0.5V)~VDD,VOL=0~1V。数据输出电流为±10mA(电平在VDD/2时)。TX/RX输出电流可达到-40mA+20mA。工作时钟振荡频率fosc≈160kHz。

图1是UM3758-108A/AM的管脚排列图。UM3758-108A是24脚标准双列直插式塑封( DIP),UM3758—108AM是24脚双列扁平塑封(SOP)。各管脚功能描述如下:①脚~⑩脚A1~A10三态编码地址输入。~D1~D8编码数据输入或输出,也可作为二态编码地址输入(开路或接VDD为“1”,接VSS为“0”)。OSC—外接RC电路构成系统时钟。VSS电源负端。V/R编码或解码选择端,接VDD为编码发送,接VSS为接收解码,IN解码接收时输入编码脉冲。TX/RX编码发送输出端(TX)或解码接收正确标志显示(RX低电平有效)。VDD电源正端。

图2是UM3758—108A编码发送电路。A1~A10地址输入端最多可编59049种编码。D1~D8数据输入端最多可编成2\(^{8}\)=256种状态。如果将8位数据输入端也作为地址输入使用,则最多编码可达1500万种。实际制作时,不一定需要使用编码开关,可根据不同编码将地址输入端和数据输入端分别接到VDD、VSS或悬空。电源接通发送开始,根据地址编码和数据编码,UM3758—108A第输出脉宽不同的编码脉冲去调制发射电路工作,直至断开电源为止。
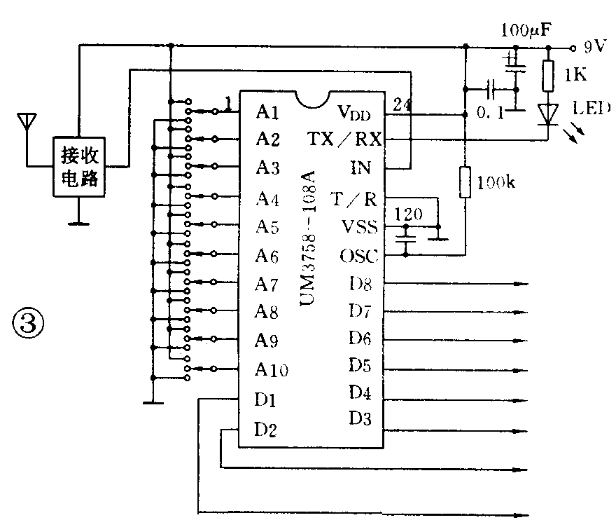
图3是UM3758-108A接收解码电路,UM3758-108A的接VSS,输入编码脉冲,经二次解码检验,如果发送地址码与接收地址码一致时,发光管亮,表示接收正确,接收数据按位送到输出锁存器中,并由D1~D8输出直接用于多路控制。如果把D1~D8输出进行二进制译码,最多可实现256种动作控制。

按图2、图3,将UM3758—108A接成收发两用编码解码电路,即可实现脉冲编码多路双工通讯或双向遥控报警。 (王南阳 吴科雷)