电容器在扩音机电路中有滤波、耦合、反馈、防振等作用。它一旦失效,如变质、开路、击穿、漏电等,会使扩音机产生故障不能正常工作。有些从事修理的技术人员对它们在电路中的作用不甚了解,或在修理过程中未能予以足够的重视,走了弯路,以致造成损失。
电容器失效的原因:(1)本身质量欠佳;(2)使用条件不当;(3)长期使用老化变质也是重要因素之一。
工作在高电压、大电流电路中的电容器失效后,常出现熔断保险丝、烧坏整流管、电源变压器等现象;工作在低电压、小电流电路中的电容器失效后,所造成的损失相对小些,但使扩音机的输出功率不足、产生振荡、失真等故障。下面就扩音机电容器失效故障的检修,谈谈本人多年的修理实践体会,供同仁参考:
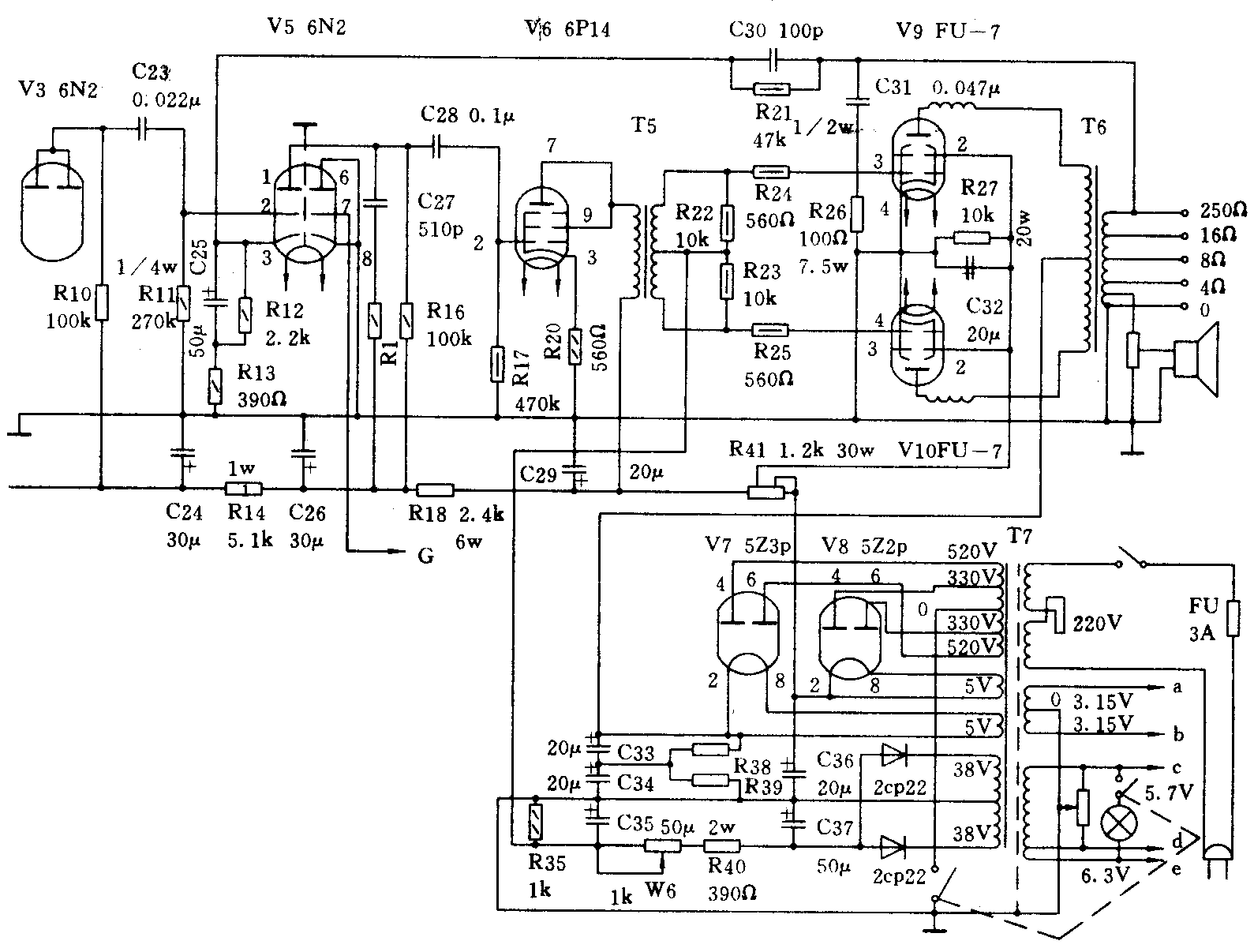
以飞跃R50~1型电子管扩音机为例,该机有关电路如图所示。

例1:故障现象:开低压电源正常,但开高压电源保险丝BX即熔断。
故障分析:熔断保险丝BX的原因可能是:(1)交流回路中的电源变压器T7线包间短路或线包与铁芯击穿短路;(2)整流管内碰极短路;(3)直流回路中的输出变压器T6击穿短路;(4)功放管FU-7碰极短路;(5)滤波电容器C33、C34击穿。
故障检修:焊掉电源变压器T7和输出变压器T6上所有连线,用兆欧表检测线包间,线包与铁芯间的绝缘电阻,一般应在几百兆欧以上。经测变压器T7、T6完好。测功放管、整流管也完好。用万用表欧姆档测整流管V7的2脚或8脚时对地电阻为零。这是直流回路严重漏电所致,肯定是滤波电容器击穿。焊下电容器C33、C34检测,果然击穿。换上同容量电容器,故障排除。
例2:故障现象:开机后声音失真,不到几分钟推动管6P14屏极发红。
故障分析:推动管6P14屏极发红与它的输出变压器T5初级线包局部短路、阴极电阻R20变质开路、耦合电容器C28变质有关。
故障检修:首先用兆欧表检测变压器T5,用欧姆表检测阴极电阻R20,没有发现损坏和变质。用万用电表直流电压档测6P14各极电压,发现异常,2脚有10V左右直流电压,这是耦合电容器C28漏电引起。焊下电容器C28检测严重漏电,换上同容量电容器,故障排除。
例3:故障现象:开机后发出自激啸叫声。
故障分析:产生自激啸叫的原因可能是:(1)输出变压器相位反接或功放管FU-7屏帽错插;(2)输出端的防振电容器干枯。
故障检修:检查输出变压器的相位和功放管屏帽没有反接和错插。焊下电容器C31检测发现干枯,换上同容量电容器,故障排除。
例4:故障现象:开机后,功放管FU-7屏极发红,用电压表测输出端有很高的超音频振荡电压。
故障分析:功放管FU-7屏极发红的原因:(1)输出变压器局部短路;(2)输入变压器次级带正电;(3)功放管FU-7栅极负压太低(正常值为-32V);(4)振荡使屏耗增大致使屏极发红。
故障检修:以上已检测过输出变压器和输入变压器完好,测FU-7栅负压正常。焊下负反馈电容器C30,检测已击穿。换上同容量电容器,故障排除。
例5:故障现象:开机后输出电压低,功率严重不足。
故障分析:输出电压低、功率不足,可能是功放管衰老,推动管推动电压不足,或电压放大级增益太低造成,应该由末级向前级逐级检查。
故障检修:将功放管、推动管以新管更换。手拿金属镊子由后级向前级逐级敲各管栅极,扬声器应发生“咯咯”声。当敲某管栅极时“咯咯”声若变小,故障就出在这一级上、如当敲V3 2脚时“咯咯”声突然很小,这故障可能是耦合电容器C23干枯所致。焊下C23,测量无容量。换上同容量电容器,故障排除。 (倪耀成)