电子狗实际上是一个移动、冲击震动报警器,其外形如图1所示。电子狗的使用很简单。首先用专用钥匙开启电源,然后将电子狗置于要保护的固定物品之上或之中(对放置角度无任何要求)即可,大约10秒钟后电子狗便自动进入警戒状态。若被保护的物品有轻微震动或移动,都会即刻触发电子狗发出约10秒钟的强烈而急促的鸣叫,以提醒主人的注意,从而起到报警、保护作用。

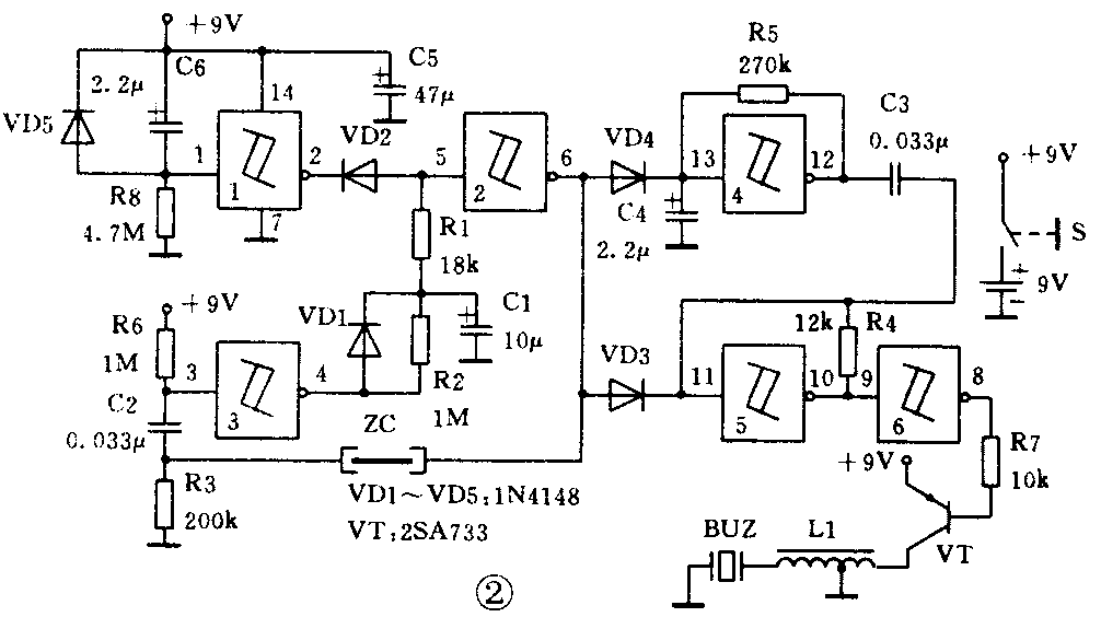
电子狗的电路如图2所示。其核心器件是一片CMOS六施密特触发器CD4584,关键元件是震动传感器ZC。

施密特门4、5组成报警声发生器。单个施密特门组成脉冲振荡器的典型电路如图3所示。脉冲振荡频率f≈0.45/RC。施密特门4组成低频脉冲振荡器;施密特门5组成音频振荡器,前者对后者进行调制,只有在前者输出低电平时,后者才构成图3的电路形式,开始振荡。报警信号经施密特门6再经三极管VT1放大,推动压电片BUZ发出报警声。电感L1的作用是升压,它有3根引脚,实际上构成一个自耦升压变压器,使BUZ两端获得足够高的音频电压以使报警声音更加强烈。

施密特门4、5的振荡与否还受施密特门2的输出控制,只有当后者输出低电平时前者才起振。现在让我们分析加电后的情况:加电后由于电容C6的充电作用,使施密特门1输出低电平,所以施密特门2输出高电平,不论震动传感器ZC处于何状态,电路均不报警。当C6充电完毕,施密特门1输出高电平,此时施密特门2的输出就仅与施密特门3有关了。电容C6充电的这段时间为加电延时,利用这段延时,用户可完成报警器的置放工作,而不触发报警。
加电后静态时不论传感器ZC处于何状态,施密特门3输出低电平,施密特门2输出高电平,电路不报警。遇有移动或冲击震动时,传感器ZC状态发生变化,产生一串通、断、通……的动作,当传感器ZC由通变断时,相当于在施密特门3输入一个负脉冲,其输出便是一个正脉冲,此正脉冲通过二极管VD1给电容C1快速充电,使施密特门2输入高电平,输出变为低电平,电路开始报警。由于电容C1的放电作用,电路报警会持续10秒钟左右,若再次触发,则再次报警。
传感器ZC的内部构造如图4所示,A、B为镀银端接点,C为粘接塑料外套,D为内置镀银棒,当受震动时,D反复移位,形成通、断、通……的效果。S1是锁控电源开关。

六施密特触发器CD4584的引脚排列见图5。

整个电路板已焊接好,只需再焊4根引线(电源、压电片)就成成品。爱好者在装制时可做如下试验以取得较深的感受和体会。
1.将压电片BUZ直接焊在VT1的集电极与地之间,报警声音会降低很多,从而验证电感L1的升压作用会提高报警音量。2.不接粘贴于外壳形成的助声腔上的BUZ,而另接入一压电片,报警声音也会降低很多,从而验证助声腔的功能。3.改变电阻R4、R5的阻值,报警声音会发生音调变化,从而了解电阻可用于调整振荡频率。(蔚南)