随着影碟机、高画质Hi—Fi录像机和大屏幕多制式彩色电视机的问世,将高保真声场重放同图像结合在一起的AV系统应运而生。本文向大家介绍一套适合家庭使用的杜比环绕声AV系统,以及该系统中所使用音箱简单制作。
杜比环绕声AV系统的基本配置包括:影碟机一台,大屏幕多制式彩色电视机一台,立体声功率放大器一台,高保真立体声音箱一对,一只前置中间声道音箱和一对后置环绕声音箱,这套系统的中心是一台惠威SYSTEM2000型杜比环绕声定向逻辑器解码器(以下简称SYSTEM20000解码器)。系统的连接参见图1。

SYSTEM2000型解码器以LA2770杜比环绕声解码集成电路为核心,具备标准的杜比环绕声定向逻辑解码模式。为了减少系统使用器材的数量,SYSTEM2000型解码器直接提供了中间声道和后置环绕声的功率输出。各声道输出功率≥25W,非线性失真小于0.1%。同时,SYSTEM2000型解码器配备了标准环绕4声道信号输出:立体声左、右声道、中间声道,后置环绕声道,另外又增加了一路超低音信号输出,以上各声道信号均可进入高保真功率放大器。
SYSTEM2000型解码器的零平衡(NULL)已经过校正,在使用过程中无需调整。此外,除了零平衡调整和中间声道调整以外的其它功能均可通过遥控器调整,这给使用者带来了极大的方便。
在AV系统中,音响的作用主要是用来产生强烈的临场感,杜比环绕声的应用,将这种临场感发挥到了接近自然界的效果。比如在观看这种杜比逻辑环绕声系统的影碟时,可以听到高速飞行的飞机呼啸而过,离开画面时声音向着离开的方向传去;打雷时的震耳欲聋声;海浪向岸边推进时的一种逼近感等等,只有在自然界才能体会到这些感受。杜比环绕声是一种矩阵4声道环绕声系统,是美国杜比(DOLBY)实验室创建的一种声场处理系统,它采用矩阵方式,把4声道信号即左L、中间C、右R和环绕S变成双声道进行传输记录,在接收系统经解码后可以还原出原来的前方左、右主声道信号,其兼容性非常好。
我们所追求的是声音的真实再现,为了减少信号通过器材所产生的失真,应尽量减少处理声音所使用器材的数量。另外,在图1中的器材摆位方面,应尽量使影碟机远离容易产生热量的功率放大器,减少相互之间的干扰和热量对传动机构的不良影响,所有的器材最好不要重叠堆放。
下面介绍有关杜比环绕声系统使用的音箱的特点和对音箱的要求。
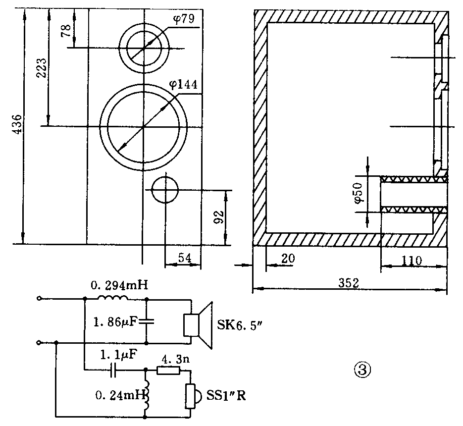
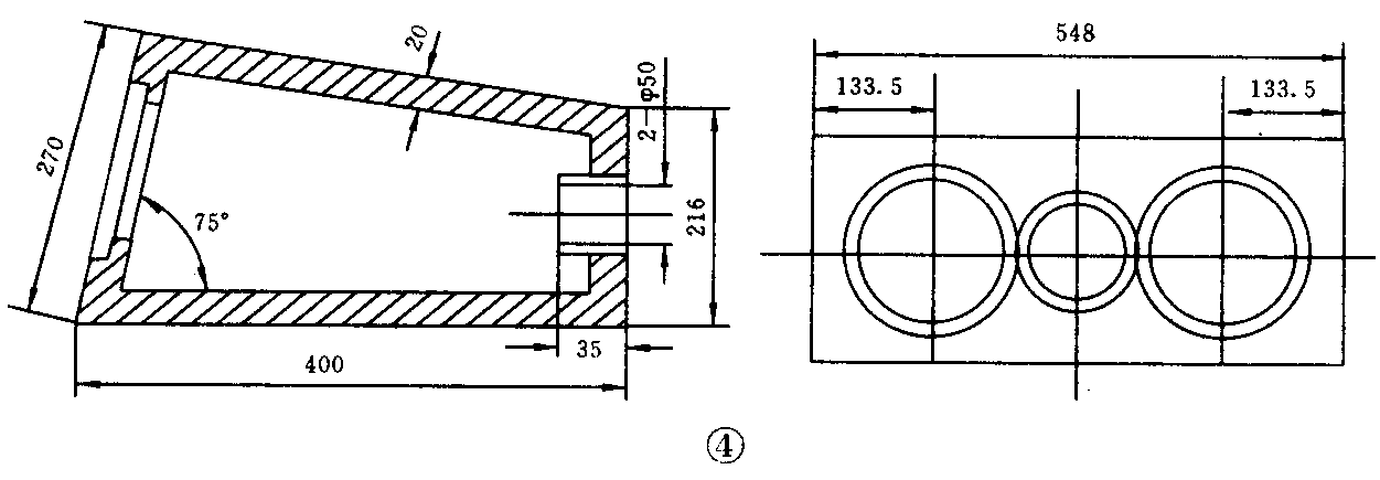
首先音箱的频带要宽,不均匀度越小越好,在我们这套系统中,主声道音箱需要用全频带的高保真立体声音箱,系统中使用的是惠威“小公子”大理石音箱,该音箱在80~18000Hz频率范围内的不均匀度小于±2dB,频带低端在-8dB点处为38Hz。后置环绕声道需要高端在8kHz以上的音箱,这是因为后方环绕声信号带宽在7.5kHz左右,系统中使用惠威MASTEM-SK6.5"R+SS1"R高音单元制作的小型环绕声音箱即可满足要求。中间声道需要高端截止频率在15kHz以上的音箱,由于电影中有大量人声以及大动态的信号出现,所以要选择动态范围大、承受功率大、瞬态响应好,声场定位准确的音箱。中间声道因为要放置在彩色电视机的上方或下方,故应选择防磁场声器。在系统中,中间声道用惠威SS6.5"R低音单元配合SS1"R高音单元制作的倒哑铃式音箱。
指向性应该宽一些,即使在偏离轴线30度方向,频率特性和相位特性也要大致稳定到和轴线方向相近的程度。
音箱的失真包括谐波失真、互调失真、瞬态失真和异常声等,失真度越小越好。音箱对快速变化的信号跟随能力越强越好,也就是瞬态特性要好。
另外音箱最大输出声压级应达到110dB以上,并且频率特性一致性要好。
在进行音箱设计以前,还要考虑选用扬声器单元的特性。选择低音扬声器单元时,应考虑以下几个主要参数:
第一、灵敏度 是指给扬声器馈入1W的电信号,在离扬声器中心轴线1米处声音的响度。灵敏度的高低同音质的好坏没有直接的关系。在选择扬声器时,应该让两只扬声器单元发出一样响的声音,再比较音质好坏,扬声器单元的配合不只是阻抗的配合,更重要的是灵敏度的配合。比如一个8欧姆灵敏度为91dB的高音单元配合一个8欧姆灵敏度为88dB低音单元时,高音单元发出的声音比低音单元高3dB,此时需在高音单元上串联一只分压电阻,但这个电阻会造成系统的阻尼不好,影响瞬态特性。而同样的高音单元,配合一个5欧姆88dB的低音单元时,因为输出低音功率比输入高音的声功率高了大约一倍,所以低音响度比高音单元要增加3dB,88dB+3dB=91dB,响度刚好一样,这叫做相对灵敏度配合。
高音、中音扬声器的灵敏度一般不能低于低音扬声器的灵敏度。
第二、扬声器的Q值 一般用于音箱的扬声器Q值在0.3~0.65之间。请注意:可能新买的低音扬声器Q值会高达0.7以上,但在设计音箱时,应该给该扬声器输入一个大功率低频信号,工作一段时间后再测Q值会发现比原值低很多,这就是为什么很多人设计的音箱箱体偏大的原因。大家都会发现新的扬声器在听过一段时间后,声音会变得好一些,这是由于布麻类材料的定心支片老化稳定造成的。
第三、扬声器的频率特性曲线不均匀度越小越好,在有效使用频带内,不均匀度应在±2dB以内。
第四、谐波失真、振幅互调失真及频率互调失真都要小。
第五、指向性宽:相对轴线偏离30度时下降小于3dB,60度时下降小于10dB。
对于高音扬声器,应注意它的谐振频率,在音箱设计中,应将高音扬声器的分频点选在2倍谐振频率以上,以便分频器滤掉失真度高的谐振频率段。对于一个二分频系统,还要注意低音扬声器重放中频的带宽够不够,配合的低音扬声器重放中频的带宽要大于分频点以上,否则重放音乐将有一段频带放不出来,造成声像偏远。对于三分频系统,低中音分频点应尽可能选在300~600Hz之间,而不要选在人耳比较敏感的1000~3000Hz之间,所以中音扬声器谐振频率最好低于500Hz,惠威生产的DMA中音扬声器其谐振频率只有250Hz。对于各种扬声器单元,功率方面的配合一般问题不太大。但很多人发现高音单元容易烧坏,除了高音单元的额定功率不够以外,可能是高频自激,只要在高音单元的两端并联一个0.1~0.47μF的电容就可以解决,也可能是分频点太低,造成输入到高音单元的功率过大,将分频点调高就可以了。
普通扬声器因振膜材料折环材料不同,音质差别很大,大家应根据自己的喜好选择合适的扬声器。例如:高泡折环配合碳纤维聚丙烯振膜扬声器重放声音失真度低,分析力高,音色温暖,适合于播放交响音乐和人声。当我们选择一套扬声器时,各单元之间的音色应该尽量接近。
在系统中我们介绍了惠威小公子大理石音箱,它的低音单元采用SK6.5英寸扬声器,这个扬声器采用纤维编织振膜,铝镁合金散热涂层音圈骨架,谐振频率为40Hz,Q值为0.52,灵敏度为89dB,额定功率为60W。高音单元采用了C3/4英寸软球顶高音扬声器,它的谐振频率为1.3kHz,灵敏度为91dB。
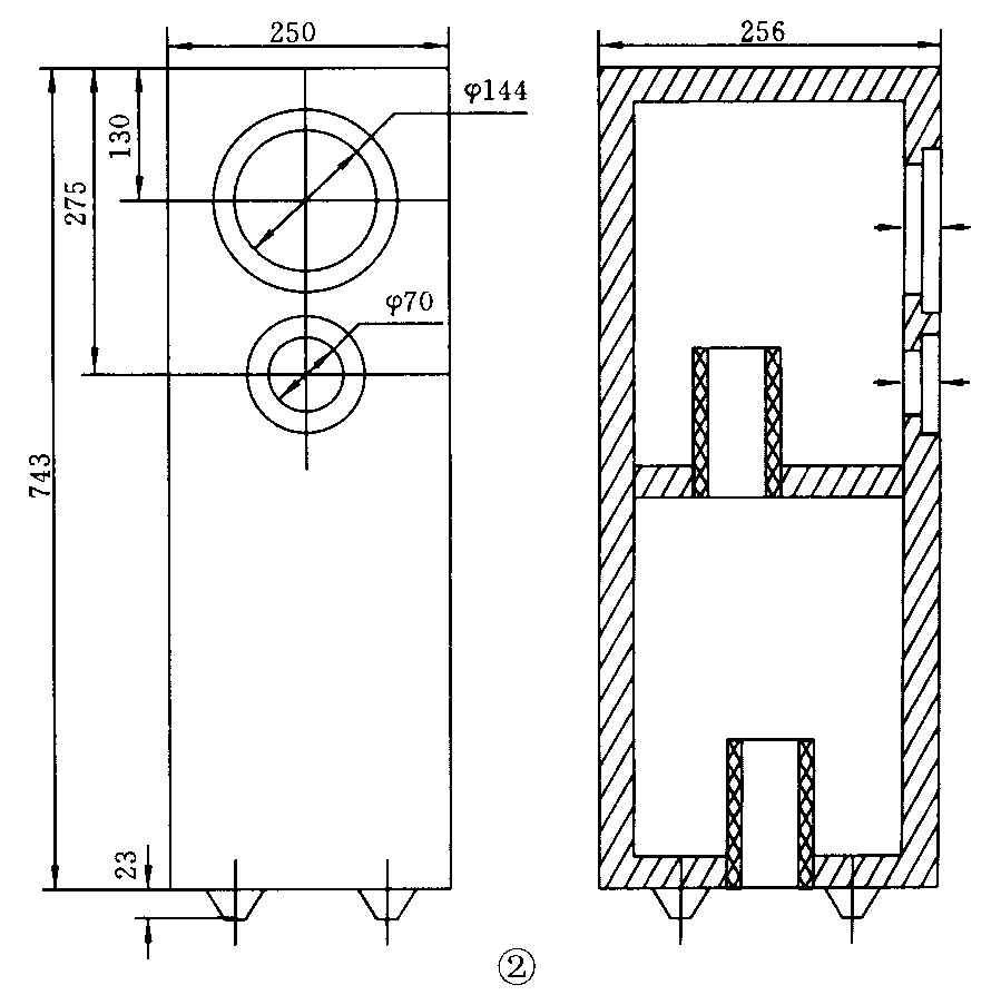
大理石音箱的容积为34升,外形尺寸为高742mm,宽250mm,深为256mm,内部结构为二极倒相式,对于二极例相式音箱低音单元的谐振频率与Q值之比在100左右比较合适。大理石音箱的第一级内容积约13升,第二级内容积约21升。大理石音箱的倒相孔开向地面,是利用地面作障板,以尽可能延伸低频,也使箱体表面看起来美观。
“小公子”大理石音箱的分频器采用高低通分离方式用两块线路板组成,并采用4端子接收板,使用双线接法,最大限度减少了相互干扰。
音箱板材采用了16mm厚的中密度纤维板和6mm厚的大理石板粘合而成,大理石板可以有效地消除有害的振动,减少失真。音箱内壁涂上几毫米厚的沥青,并增加几条加强筋,这样音箱有足够的刚度和良好的内部阻尼特性。图2为“小公子”大理石音箱的结构图,环绕声音箱和中间声道音箱的结构如图3、图4所示。



现在我们具体介绍音箱的摆位。
在杜比环绕声AV系统中,听音区在后方环绕声音箱的前面。当听音位置离后方音箱近时,可以改变SYSTEM2000型解码器的后方环绕声道延时控制量(DELAY),将延时加大。主音箱的摆位因为关系到整个系统的配合,非常重要。主音箱位置同听音位置应形成近似等边三角形。当主音箱发出的低频不够时可将连接音箱的线换粗,即利用喇叭线来调整系统的阻尼和频率特性。另外将音箱往墙角的方向靠近可以加强低频辐射,当低频过重时,按相反的方向调整。后置环绕声音箱可以挂在墙上或放在地面,中间声道音箱放在大屏幕彩电的上方或下方。如果系统比较好,原则上不用音调控制。
音箱的工作状态很大程度上受驱动它的放大器影响,它们之间有功率配合也有阻尼配合,音箱同功率放大器之间配合,如果以额定功率对比,那么功率放大器的额定输出功率最好比音箱的额定输入功率要大一些,至少要相等。例如:额定功率为60~80W的音箱可以配合100~150W的功率放大器。
功率放大器的功率超过了音箱的输入功率会不会烧掉扬声器?这是一个大家比较关心的问题。
一般来讲,如果功率放大器的输出功率不够大,平时使用时已经把音量调到十之八、九的程度,在出现大动态信号时,电流的波形全都削了顶,好像方波一样,这种性质的电流近似直流状态,尽管此时功率不大但也很容易把扬声器烧掉。如果放大器功率储备量大,即使遇到脉冲信号,也不容易烧掉扬声器。另外,音箱输入阻抗的非线性使输入阻抗随信号频率而变化,当放大器输出内阻抗较高时,会造成放大器工作不稳定,产生振荡使音质变坏。
以上简单的介绍了家用杜比环绕声AV系统以及AV系统中使用音箱的特性和简单制作,可以预见杜比环绕声AV系统进入普通家庭的时代已经到来。
有一点请注意,音响系统不仅要好看、多功能,关键还是要好听。(姚洪波)