目前,我国的HAM建台遇到的首要问题是要有一套自己满意的收、发信设备。结合实际,因地制宜,就地取材,自己动手制作或改装设备,是老一辈HAM的优良传统和作风,也是我们今天应走的道路。我对自己的239—1型机进行了改装,取得了一定效果,现将具体改装情况与广大HAM朋友研讨,以期抛砖引玉、共同提高。
第一混频级的改装
原机的第一混频采用老型号3AG1FJ管,除晶体管混频器的固有缺点外,元器件老化,工作点漂移,都使噪声大增,接收效果大打折扣。
改装时采用双栅场效应管,因为场效应管具有以下特点:1.噪声小;2.动态范围大;3.不易受温度和辐射影响;4.输入阻抗高;5.栅极基本不消耗功率,能减轻前级信源的负载;6.转移特性近似平方律的关系,用于混频时的交叉互调失真比一般晶体管好。特别,双栅场效应管是专为接收机高频电路研制的高跨导管,其稳定增益可与共源——共栅级联电路媲美,而电路又相当简单。因此用于混频时噪声低、谐波干扰小、增益高。图1是改装后的电原理图,图2是印制板图,比例为1∶1,可直接复制,图中的中频变压器是拆用原机的,但由于场效应管的输出阻抗高,所以漏极应按图示接中频变压器的全回路而不接抽头。实测结果证明,输出信号能增强120mV\(_{P-P}\)左右。图中所用场效应管型号是3SK122,实测源极电压为-5.9V,漏极电流约2.5mA左右。本级只要安装正确,一般无需调试即可正常工作。


同步解调器的改装
原机解调电路采用叠加式二极管同步检波器。由于该方式对信号损耗大,且要求拍频信号的强度Ur≥U\(_{SSB}\)时,才有可能不产生过调失真,因此对中等强度的信号解调就显得力不从心。特别是第一混频改装后,整机增益提高了,此矛盾就更为突出。
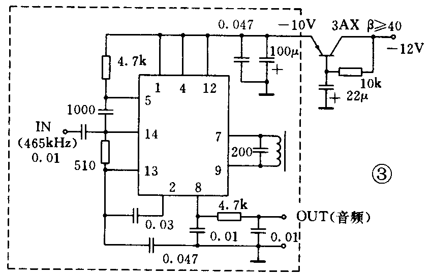
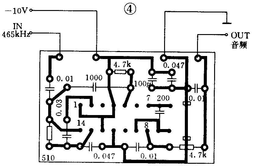
用模拟乘法器作同步检波,不但能从根本上消除检波器对中频的寄生反馈,失真小,且乘积解调方法并不要求插入载频电压Ur的振幅大于输入信号电压,检波器的输出信噪比是随输入信噪比按比例下降的,所以采用乘积同步检波器解调能显著提高接收机的实际灵敏度,使噪声和干扰大大减小。我用TBA102S电视伴音集成块进行双向限放大和乘积解调制成的乘积同步检波器,取得了较好的效果,使接收性能大为改观。整个解调器装在51×32mm的印制板上,可装入原机的第二中放电路板内。电原理图见图3,图4是印制电路图,比例为1∶1,可直接复制。本级只要安装正确,各工作点自动建立,一般无需调整即可工作。但应注意以下几点:


1.移相电感这里采用TTF-2型中频变压器(次级剪脚不用),应准确调在第二中频的谐振频率465kHz上。简单的办法是:可任意选收一个较稳定的AM广播电台信号,调节该中频变压器,至输出最大即可。若有仪器的HAM朋友,能准确调测一下当然更好。
2.本级工作电源-8.5V~-10V,必须通过电子滤波器从-12V电源直接取得,不能从原中放板的-10V处接取。否则,由于集成块静态工作电流达10mA左右,不仅将使二中放电源压降过大,还会产生强烈的低频寄生振荡,使整机无法工作。电源电压高些,允许输入的动态范围就会大些,这里取-10V,输入信号从6mV~150mV\(_{P}\)-P时均能正常工作。
3.解调器的装配方法见图5。元器件均装在印制电路板的铜箔面上。由于电子滤波器仅有3个元件,可另用一块小电路板贴焊后,利用二中放板接线架边空余的M5螺孔固定装入机内(因二中放板上加装解调器后,此孔被遮挡住不用)。解调电路板制作时,在四角各留一个独立焊点(图中未画出)以便与马口铁框架焊装。

4.接线方法见图6。将二中放电路板虚线框内除检波二极管外的元件,0.01μF、20μF、1.5kΩ、5.6kΩ均拆除;将E、F两点用导线连通接地。解调板的IN(465kHz)端接A点;地线端接C点;OUT(音频)输出端接D点;-10V电源端接B点(接线架B点原为空脚,现接电子滤波器输出)。

功率放大器的改装
原机低频输出只能用600Ω高阻耳机收听,有时甚感不便,特别是无法几人同时收听。因其功放级由3AX81B推挽组成,12V工作电压时输出300mW功率不成问题,因此改装极为简单,见图7。将印制电路板上功放级24Ω的基极下偏置电阻拆去,用导线直接连通。拆去功放级发射极的24Ω电阻,换上一只6.2Ω的电阻,以增加功放级的动态范围。重调功放级的静态工作电流Ic在1.5~3mA左右。用一只老式晶体管收音机的音频变压器铁芯(输出或输入均可),铁芯截面积约8×8mm2;初级用QZ型Ф0.19~0.21m/m线绕624匝。次级用QZ型Ф0.35~Ф0.41m/m线绕72匝为8Ω输出;在51匝处抽头为4Ω输出。

我用旧分体式手提收录机的小音箱(扬声器为5英寸4Ω/2W)装入绕好的输出变压器;将原音箱Ф3.5mm的插头换成Ф6.35mm的二芯插头即可。这样,原机输出插口的阻抗仍为600Ω,使用起来非常方便。夜深人静时,可用耳机收听,一般情况下用外接音箱。实测最大P\(_{RMS}\)功率在300mV左右,一般房间内收听有足够的响度。
试听效果与不足
我的天线采用倒L型,架在平房顶上,高约7米、长10米,用Ф1.5mm普通电力安装用铜线,接收方向正南偏东。改装后收听AM电台广播,RF钮置刻度“3”就可有足够的灵敏度和音量。收听CW和SSB时一般RF钮置刻度“5~6”即收到了日本、港台地区等许多业余电台。如BY1PK、BY2AA、BA7KE、JF3TNL1、JF4ETK等,都能得到RS59 PULS 10dB的信号,其他BA1各台、BY7QNR等也常能得到RS59的信号。而改装前收听BY1PK、BY2AA等台,一般最好时RS也仅能达到56~57的信号。两者相比效果还是明显的。
由于原机高频部分采用的是3AG1型老式晶体管和较简单的反向AGC控制电路,而同步解调器改装后允许的最大输入信号强度约为150mV\(_{P-P}\);但改装后整机增益有较大提高,所以整机的AGC控制范围就显得很不够了。实际使用中应根据接收信号的情况将RF控制或调至适当的位置。如收听日本JF3TNL和JR1ZTT台的通信联络时,RF钮在刻度“5”位置就能听JF3TNL台的RS59;而JR1ZTT台的RS值就较小,需将RF钮调至刻度“6”以上才能收听到RS59;操作使用感到不很方便。因此原机的AGC控制电路尚待改进。
从理论上讲,SSB方式时9MHz为分界的上边带和下边带解调所需的BFO频率不同,应各为463.5kHz和466.5kHz左右,但改装后在实际使用中发现,只要将BFO的频率调在463.5kHz左右,即可对上边带和下边带同样进行解调。接收时无需调节拍频旋钮,只要操作调谐旋钮就可以收听。但主观感觉上边带展宽较好,容易调准;下边带较窄,调准较困难,不知何故?尚待探究(这里二中颇为465.14kHz均用数字频率计调测)。(BG5-1—006 丁福穗)