故障现象:放音时有时无,有时完全无声。
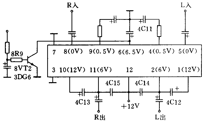
检修过程:如图为该机功放电路图。该机功放电路采用TA7232集成块。当放音无声时,从该集成块5、8引脚注入信号,扬声器无声,判定集成块或外围电路损坏。测各引脚电位,无声时2、10引脚为1.7V,6引脚为2.5V;有声时2、10引脚为2.2V,6引脚为3.1V。2、6、10三引脚在有声和无声时都异常。其它各引脚电位正常。

断电检测2、6、10三引脚外围电路,逐一更换了引脚外接电容,最后更换集成块,故障依旧。
扩大外围电路检测范围。发现8VT2基极在放音时不论声音有无都存在一定电位,且电位值高于其基极所接偏置电阻另一端电位值,即形成极电流倒流。怀疑8VT2集电结反向漏电,换一新管,2、6、10三引脚电位恢复正常,放音正常,故障排除。该管曾焊下测试正常,可见是软击穿。
故障分析:该机有电脑选曲功能,当该机处于电脑选曲或录音状态时,8VT2导通。放音时,8VT2截止,基极电位应为零。当8VT2导通时,功放块6引脚电位降低,功放电路处于静音状态,扬声器因此无声。
当8VT2集电结漏电时,因基极箝位作用,集电极仍保持一定电位,电压值随集电结漏电程度大小而变化,以致放音时有时无,严重时完全无声。(隆斌)