罗兰士3304型彩电采用串联、自激型开关电源,电源电路设计比较特殊,储能电感(开关变压器a~d绕组)和开关管接在整流器的负极端,而正极端与稳压输出主电压的正极端共用。目前该机型在社会尚有一定的拥有量,电源部分的维修难度较大,因此,本文先对开关电源的电路原理进行分析,然后再介绍检修方法,以供维修人员参考。
工作原理

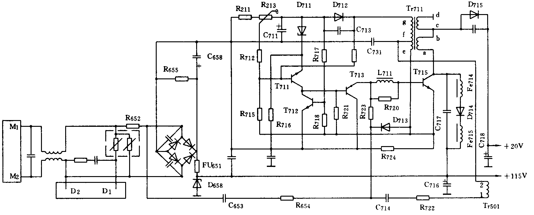
1.自激振荡过程:如附图所示,图中的Tr501为行输出变压器,T715为开关管,Tr711为开关变压器,其中a~d绕组为储能电感,e~f为反馈绕组,D714为开关管的续流二极管,L711、R720、Fe714、Fe715、C717用来减少脉冲干扰。当电源开关接通瞬间,由市电220V经C653、R654加到开关管T715的b极;整流后的+300V电压经负载、储能电感加到开关管c极,这样,T715开始导通,经Tr711d~a绕组其c极电流在e~f绕组感应到f端为正、e端为负的电压,这个感应电压使开关管b极电位上升,形成了ib↑→ic↑→Vf↑→Vb↑的正反馈路。ib的电流回路是:Tr711f端→Tr501①②绕组→R722→C714→R723→L711、R720→T715的be结→Tr711e端→Tr711f端,于是开关管T715很快进入饱和状态,这时整流输出的正电压通过负载列地,再由地经Tr711d~a绕组,T715的ce结,过流保护电阻R724到整流器负极端,使d~a绕组储能。由于ef绕组上获得的反馈电压基本“恒定”,因此正反馈所形成的b极电流也基本“恒定”。当ic增大到一定值(ic>βib)时,则T715退出饱和区,ic将停止增大,于是ef绕组无感应电压,ib迅速减小,ic也减小,自感电动势在储能电感ad绕组上产生与原来极性相反的电压,反馈绕组感应到的电压极性也相反,即e端为正,f端为负。f端负电压经过Tr501①②绕组、R722、C714加至T715的b极,e端的正电压加到T715的e极,正反馈过程使T715迅速截止,这时d~a绕组储存的能量经续流二极管D714向负载供电,直至市电经C653、R654再次启动T715重新导通为止。上述过程周而复始地循环下去,形成间歇振荡。为了减小脉冲干扰,提高稳压效果,本电源的振荡频率被Tr501①②绕组强行同步在行频上。
2.稳压调整过程:本稳压电路的取样电压不是取自+115V主电源输出处,而是取自反馈绕组串联的绕组f~g,由D712将e~g绕组间脉冲进行整流,再经C711滤波形成与输出电压成正比的直流电压,经取样分压电阻R213、R712、R715分压后加到误差放大管T711的b极,T711的e极由D711稳定在10V,T711的负载由T712、R718、R717组成恒流源,这样可使误差放大级有更稳定的增益。误差电压经T711放大后送到T713的b极,使T713等效阻抗发生相应变化,以改变T715的输入电阻,控制振荡脉冲宽度。稳定过程如下:当由于某种原因使+115V电压下降时,e~f绕组感应的取样电压也相应下降,经D712整流,C711滤波后的直流电压下降,分压电阻分压后的T711b极电位下降,由于Ve一定,故Vbe↓,T713的Vb↑,Vce↑,T713的等效阻抗变大,即开关管T715的输入电阻变大,从而使开关脉冲电压正向加宽,负向变窄,此开关脉冲加到T715的b极,使T715的饱和导通时间延长,其集电极电流在a~d绕组的储能增加,输出的直流电压上升。反之,由于某种原因使+115V电压上升,则产生与上述相反过程,使输出的直流电压下降。
检修方法
开关稳压电源不仅电路复杂,而且还与行扫描电路有关。要提高检修效率,除熟悉电路原理外,还要掌握维修方法。这部分电路常见的故障是:无光、无声、有“吱吱”声,主要是元件发生短路导致开关电源失常。检修时可先用“电阻法”测D658是否击穿,C716是否漏电。由于D658在电路中用作过压保护,C716为稳压后的主电压滤波,该机若出现行停振或行推动管T714c极电阻R738开路,稳压电源接近空载而超出它的稳压范围,输出电压将由+115V升到+200V左右而损坏D658或C716,因此,若D658击穿或C716漏电,应排除故障根源后方可更换D658或C716。下一步检查电源开关管T715、行输出管T716是否击穿,当问题比较复杂时,可按附表所列有关元件的数据,寻找短路故障。

在检修电源电路后,要检验主电压是否稳定在+115V,否则应微调取样电位器R213,校准+115V电压。(张喜文)