到目前为止,几乎所有的FM/AM收音集成电路都是采用双极型晶体管工艺制作而成的。最近,荷兰飞利浦公司应用世界先进的BIMOS新工艺向市场推出了新一代的高保真度TEA57XX系列的FM/AM收音集成电路。其中:TEA5710/T用于单声道FM/AM收音,TEA5711/T用于立体声接收,TEA5712/T是用于数字调谐接收。本文介绍一款采用TEA5711T电路设计的新一代电调谐自动搜索(或带八节目预选存储)的低成本高保真FM/AM立体声调谐器,该机采用了专用变容管实现电子调谐;自动搜索电台专用电路模块MFR2000及八节目预选模块MFR2001;静噪调谐;线路输出部分采用NE5532N高保真运放,确保调频立体声接收的动态与频响。收音部分的外围元件与同类电路相比是最少的。
整机电路的五大特点
1.高阻抗调幅射频信号输入
与通常的收音电路不同,在TEA57XX系列的调幅混频级前面,利用BIMOS工艺的有利条件加入了一级由MOS场效应管差分对构成的高放电路。由于MOS场效应管具有高阻抗输入和低噪声特性,使TEA57XX系列电路不仅提高了调幅接收灵敏度,而且也简化了在线输入调谐回路和波段切换开关。为提高大信号接收能力,在MOS场效应高放电路中,设有第二级AGC控制电路(第一级为中放的AGC控制),使整个电路的AGC控制范围高达86dB。
2.对称的AFC电路
对于调频接收来说,自动频率控制(AFC)是非常重要的,它能辅助调谐和降低振荡器的频率漂移,保证收音机能正常收听调频节目。但是通常的收音电路都存在AFC控制范围不对称的问题,这种不对称的AFC,使我们在实际收听时,很难调谐到最佳点。
在TEA57XX系列电路中,由于对过去控制变容二极管的“S”形电平曲线进行了修正,使它变成与零点不对称的“S”形曲线,与变容二极管的非线性互补,从而得到对称的AFC控制范围。另外,在电路内部还增设了“S”曲线的零交叉点纠正电路,用来纠正由于外围元件和生产的离散性、环境温度变化以及电源电压降低所产生的“S”曲线零交叉点的偏移。
3.解码器中设SDS电路
在TEA57XX系列电路的解码器中还增设了SDS电路,它能根据天线信号场强的强弱来控制立体声的分离度。当天线信号较弱时,立体声分离度开始逐渐变化,到灵敏度电平时,分离度为0,呈单声道工作状态。这是一个非常有用的性能,因为用立体声来接收弱信号时,背景噪声往往很大,音质变坏。
4.抑制电源起落的稳压电路
干电池用了一段时间以后,它的内阻会增加,收音机就会出现“卟卟”的低频啸叫声。然而,在TEA57系列电路中,有一个特殊的电源稳压电路来抑制电源的瞬间跌落,电路的内部设置有一个精密的2.1V稳压源,当电源电压瞬间下降到低于2.1V时,电子开关会自动断开,收音电路的电源由原先存储在纹波电容内的能量提供,避免了电源电压的跌落对收音电路的影响。该电子开关只有在电源电压瞬时下跌时才动作。对于静态的低电平,该电子开关呈闭合状态。一般来说,使用TEA57XX系列电路时,也可以省去电源的π滤波网络。
5.无高电位交流地
几乎所有的单片FM/AM立体声收音电路总是有好几个高电位交流地,例如调谐可变电容器往往就接在高电位“地”上。这不仅给印制板的布线带来困难,而且还必须在这些高位“地”与零电位地之间接上退耦电容。而在TEA57XX系列电路中,这种高电位“地”不见了,所有的“地”都接在同一的零电平位上。对印制板的布线没有苛刻的要求,也省去了一些高Q退耦电容。
除了以上的几个特点外,TEA57XX系列电路还有其它方面作了改进。例如调频和调幅的中放电路均采用二极分离滤波,以提高中放的选择性和高增益下的稳定性,使调频的接收灵敏度要比一般的电路至少高出6dB。在鉴频器、检波器与音频输出级之间还没有低通滤波器,用来消除解调后出现的两次以上中频谐波的辐射。在解码器的外围电路中,省去了一个稳定度要求比较高的VCO振荡电容等。
TEA57XX系列电路的工作电压范围很宽,从1.8V到12V既适用于袖珍收音机,也适用于便携机和组合音响等。所以,为适合不同尺寸的机型,它们均有两种封装形式,扁平的和双立直插两种,扁平的在型号后加“T”字母表示。
电路原理
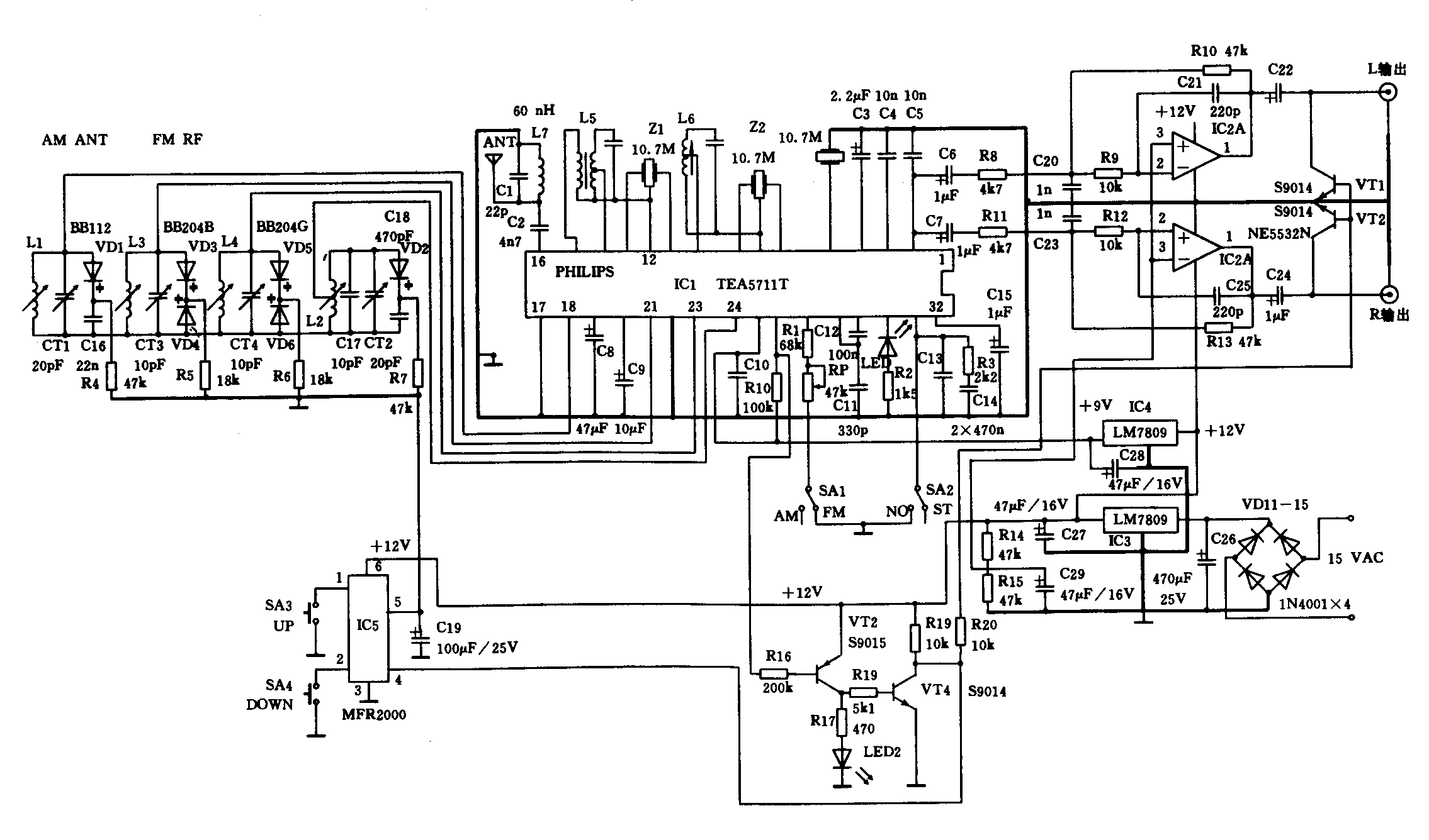
电路原理如附图所示,由变容管电调谐部分、TEA5711T核心电路、NE5532高保真线路放大、自动搜索电台调谐及电源五部分组成。

1.调频电路
天线信号经C1、L7构成的带通滤波器取出调频波段内的信号后,由耦合电容C2送入TEA5711T的天线信号输入端。经电路内部的调谐高放和混频后从第(13)脚输出的信号,由中频滤波器Z1取出10.7MHz中频信号,送第一级中频放大。然后,再由第二级中频滤波器和第二级中频放大级进行滤波和放大,进人鉴频器解调出立体声信号,从第(28)脚输出。该立体声复合信号通过耦合电容C12直接送立体声解码器的输入端。解码输出的R、L声道分别从第②、③脚输出。电容C4、C5与内部电阻构成调频的去加重网络。C15为静噪电平控制电容。R3、C13和C14构成锁相环路(PLL)中的低通滤波器。R1和RP是VCO自由振荡频率的调整电阻。C3是检测导频信号的滤波电容。LED为指示立体声状态的发光二极管,R2是发光二极管的限流电阻。CT4、VD5、VD6和L4构成调频本振调谐回路,CT3、VD3、VD4和L3构成调频高放的输入调谐回路。C9既是调频的AFC电平控制电容,也是抗电源电压瞬间下跌的储能电容。
2.调幅电路
中波天线信号由CT1、L1、VD1、C16构成的输入调谐回路,调谐出所要接收的射频信号,直接由调谐线圈送入MOS场效应管的高放输入级。混频后的信号从第(14)脚输出,并由465kHz的中频滤波线圈L5滤出中频信号,送中频放大级。在中频放大级中间还插入了一级单调谐中频滤波器L6。检波输出的音频信号也从第(28)脚输出,经过立体声解码器后,分别从第②、③脚输出。由于是调幅广播,无立体声导频信号。因此,解码器不起作用。C17、C18、CT2、L2、VD2构成中波的本振调谐回路。
3.自动搜索电调谐及八节目电台预选存储部分
当按下SA3(上行搜索键)时,模块内部产生一恒流电流向C19(调谐电压保持电容)充电,相应的加在变容管上的调谐电压不断的上升,电路由频率低端向高端搜索,当搜到电台后,TEA5711T电路的(26)脚变为低电平,此电压反馈入MFR2000,调谐电路停止搜索,收音机锁定在当时的频率上收听。当需要收听下一个电台时,可再按一次搜索键。
节目预选模块MFR2001,核心电路是一片八位互锁电子开关集成电路,当按下八个预选键中的某一个按键时,电路相应的输出端输出高电平给预先调好的八个预选电位器,变容管的调谐电压即取自相应的预选电位器上的电压,完成节目的预选调谐。(张国鹏)