早期的卡拉OK机,绝大多数均用BBD模拟器件作延迟回响处理,这类器件发明于六十年代末期,由于当时技术水平的限制,使得用BBD器件生产的卡拉OK机其信噪比、频带、失真度等技术指标均不尽人意。随着电子技术的发展,数字音频处理电路不断步入音响产品,从现时的CD唱机,LD影碟机的音质中,可领略到数字音频处理功能的品质。这里介绍一种BBD延迟器件的代换品,廉价数码式单片卡拉OK延迟处理集成电路GY9403,该器件采用日本1994年最新开发的卡拉OK集成芯片封装,音响厂家完全可用该器件取代现有的BBD回响器件,且应用电路更简单,代换后各项音响指标如信噪比、频带、失真度等参数将明显提高,演唱起来层次分明,回音圆润,清晰动听。
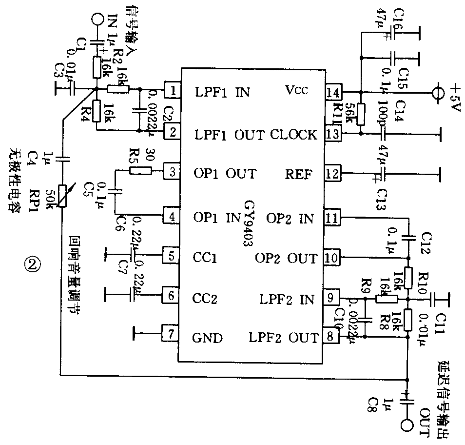
GY9403内含输入、输出低通滤波器、A/D、D/A变换器和SRAM静态存储器、时钟振荡器以及自动复位、开机静音延迟、主控逻辑电路等。内部功能方框如图1所示。该器件采用ADM方法对音频进行A/D、D/A转换处理,并使用SRAM静态高速存储器进行信号存储,此种数字模拟处理方式,属目前性价比高的优秀数码处理方式,从而保证器件对音频处理的质量,降低了器件成本。GY9403采用双列直插式14脚塑料封装,体积极小,各脚功能见表1,典型应用电路如图2所示。电路中决定延迟时间的时钟频率由R11的大小决定,当R11为56k时,时钟频率约为161kHz,延迟时间约203ms;R11为39k时,时钟频率约233kHz,延迟时间约150ms;R11为27k时,时钟频率约337kHz,延迟时间约100ms。读者可根据自己的需要选用不同的延迟时间。回响混音深度由RP1来调整。电路主要参数见表2。该电路可任意串入原有音响、卡式收录机、录像机、电视机等音响电路中,使原机增加卡拉OK功能,使用十分方便。




用GY9403制作完整的卡拉OK机电路如图3所示,电路中两路话筒信号经IC1a放大后,一路经IC1b送GY9403作延迟回响处理;另一路直通信号经RP6后分左右声道输出。L声道话筒信号经IC2b输出,IC2b还兼作L声道音乐信号放大输出。R声道话筒信号经IC3作反相处理,目的是产生模拟立体声R信号,再经IC2a放大输出,IC2a还兼作R声道音乐信号放大用。经延迟后的回响信号由RP5输出经IC2b、IC2a输出模拟立体声延迟信号。电路中RP1、RP2为话筒音量电位器,RP3、RP4为音乐左右声道音量电位器,RP5为延迟回响音量电位器,RP6为话筒直通音量电位器,RP7为回响音量调节电位器。该电路设计简单,制作时主要外围元件质量可靠,一般不需调试即可制作成功。(周放)
