多功能可编程时间顺序控制器模块,是由专用四位微处理器和LCD显示屏组成(见图1)。超大规模IC晶片直接封装在双面印制电路板上,配不同接口电路可实现多种时间控制功能。它的基本控制功能有5种:①对一路输出作6次定时开启和关闭控制;②对二路输出各作3次定时启闭;③对三路输出各作二次定时启闭;④对一路输出作4次定时启闭的同时,对另一路输出作倒计时控制,即瞬时启动延时关闭控制。时间可在1~99分钟内任意设定。另外还有顺计时功能;⑤对一路输出经蜂鸣器进行8次响闹定时,另一种倒计时控制,同时有顺计时功能。

这种时间顺序控制器可用在工业自动化生产、电视差转台、CATV值班室、办公自动化及各种家用电器定时控制。如各种路灯、彩灯、广告灯、航标灯管理、上下班自动打铃、自动生产线及各种机床控制等。
多功能可编程时间顺序控制器各输出口都可任意设定为每周期几的几点几分开、星期几的几点关,可每周循环也可每日循环。其主要技术指标:工作电压1.5V,工作电流3~10μA,每日误差≤1s,工作温度-5~+50℃,可设定五种工作方式,控制端输出1.2V~1.4V,负载能力100μA,控制时间间隔最短1分钟,最长168小时,闹铃输出信号2kHz、2秒。
考虑到用户时间安排的不同需求,对控制器作一周一次性设定,六组启闭程序可分为3类:即星期一至星期日每天都相同为第一类;星期一至星期五相同,星期六和星期日相同为第二类;星期一至星期日每天都不同为第三类。这种分类可使时间调校快捷,方便。在一周内,每天动作时间都相同,先按TM(定时)键,使时钟进入定时编程状态,然后按WEEK(星期)键使得屏上的星期MO、TU、WE、TH、FR、SA、SU七个符号同时显示出来,再用TM、HR(时)、MIN(分)键设定各个定时器的启闭时间。这样,每天最多有6组控制输出,一周内可完成84次启闭动作。如果不需使用6组,比如,只用4组,其余两组时间要用RST/RCL(复位)键“冻结”起来。在一周内,动作时间星期一至星期五相同,星期六和星期日相同两段,可先按TM键,然后用WEEK键使得屏上的星期MO、TU、WE、TH、FR同时显示出来,用TM、HR、MIN键设定各定时的启闭时间,再用WEEK键使得屏上显示星期SA、SU,同样以TM、HR、MIN键设定各定时时段的启闭时间。由于定时时段总共只有6组,这样两段设定总共也只有6组。两段各分配几组定时由使用者决定。如果在一周内每天动作时间不相同,则可先按TM键,然后用WEEK键使屏上的星期符号单独显示出来,再用TM、HR、MIN键设定定时的动作时间。例如∶某家庭电饭煲要求每天10∶50通电,11∶20断电;下午5∶00通电,5∶30断电(第一种情况)。按住CLK(时钟定时)键,分别用WEEK、HR、MIN键设出正常走时时间,分别按TM、WEEK、HR、MIN键,使显示屏分别显示“10N,10∶50”,“10FF,11∶20”,“20N,17∶00”,“20FF,17∶30”,按RST/RCL键,使定时器3、4、5、6各组时间抹去,显示“—————”。按CLK键使钟面显示正常走时时间。按ON/AUTO/OFF(输出状态控制)键,使显示屏下方的横线从右边(OFF)移动中间(AUTO)。又例如∶某一设备,要求星期一上午9∶10通电至星期三下午1∶45断电,当前时间是星期一上午8∶30,此例属于第三类情况。按住CLK键,分别用WEEK、HR、MIN键调出当前时间,使屏上显示MO8∶30。按TM键,使显示屏左下角出现10N,分别按WEEK、HR、MIN使屏面显示MO,9∶10。再接TM键,使显示屏左下角转换成10FF,分别按WEEK、HR、MIN使屏面显示WE,13∶45。按ON/AUTO/OFF键,使显示屏下方的横线从右边(OFF)位置移动到中间(AUTO)位置。因只用了一组定时器,其余各组需冻结起来,所以要按RST/RCL键,将2、3、4、5、6各组的定时时间抹去,显示“—————”。按CLK键,使屏面显示正常时间。
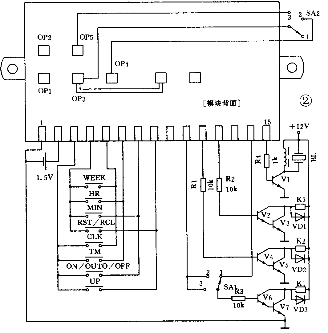
按图2接线可实现多路时间顺序控制。拨动开关SA在“1”位时,可实现6开6关控制功能。SA在“3”位时,可实现两路各三次开和关的控制,对应出口继电器K1和K2有效,可分别控制两个设备按设定时间程序工作。当SA在“2”位时,可实现三路时间顺序控制,各二次定时开启和关闭。

线路中1.5V电池是整个模块的工作电源。线路也可设计为双路电源,主要是保障外电源断电时,所设置的数据不至于丢失。
在图2接口电路基本不变的情况下,短接“OP1”与“OP3”或“OP2”与“OP3”,分别可实现本文前面所述的第④和第⑤种工作模式。多功能时间顺序控制器在选定以上5种工作模式时,须按一次复位按钮才可进入该工作模式。复位按钮应设计成暗触式,以防止数据设定后误操作。(孟宝兰)