目前国内彩色电视机常用的单片集成电路主要有飞利浦TDA8362、东芝TA8690及三洋LA768/81。这三种集成电路中就其集成度高低、外围元件和可调元件的数量及功能多少而言,则以飞利浦公司的TDA8362为最优。本文向大家介绍飞利浦单片集成电路TDA8362。
一、TDA8362集成电路的性能
飞利浦公司于1991年成功地推出了彩色电视单片集成电路TDA8362,它使整机的外围元件及可调元件数目达到了目前世界上最少水平。TDA8362是一块集成度极高、电性能优良、功能强、使用灵活的经济型彩电集成块,其主要特点如下:
1.集成度高、外围元件少
由于TDA8362采用了MOS电路使集成度大大提高。TDA8362为52个引出脚,外形为双排直插式塑料封装结构。它能完成从高频头到R、G、B信号输出间的信号处理的所有功能。以往彩色电视机中用分立元件组成的色带通滤波器、色度陷波器、亮度延时线、伴音鉴频器等电路在这里都被集成化了。
2.功能强、使用灵活
TDA8362本身具备PAL、NTSC解码功能,有外接SECAM解码接口,内部有AV电路、SVHS接收电路,因此可接收外界CVBS信号及SVHS信号,此外还有R、G、B输入端子,可外加图文电视信号。
由于TDA8362本身具备基本型彩色电视机的所有功能,因此在TDA8362外围配制一些扩展功能的集成电路就可组成各种功能的彩色电视机,由TDA8362组成的彩色电视机的简化方框图如图1所示。

二、TDA8362集成电路电路的内部功能
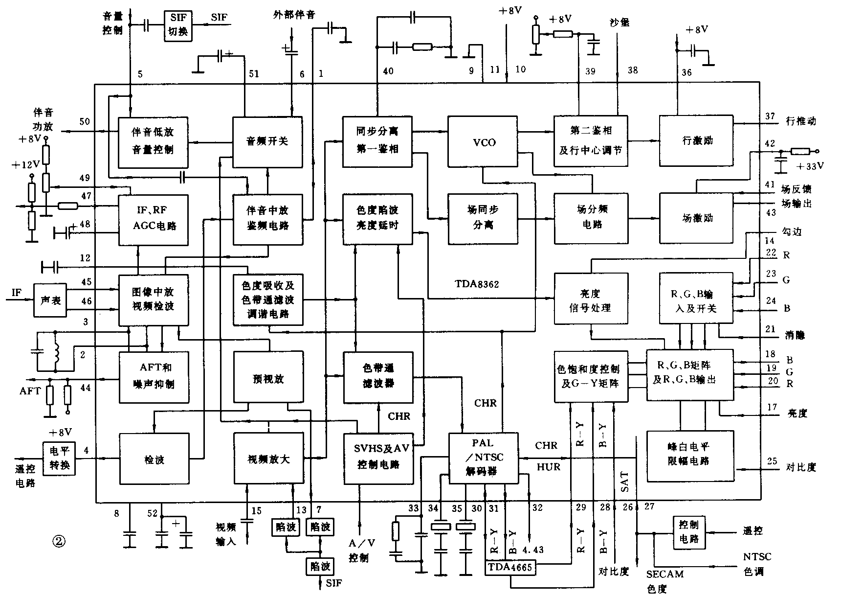
飞利浦TDA8362内部及外围方框图如图2所示,它可以完成PAL/SECAM D/K、B/G、I及视频NTSC彩色电视机的全部小信号处理。

1.图像中频、检波及AFT电路
由高频头输出的中频信号经声表面波滤波器后送至TDA8362,由图像中频放大电路进行图像中频放大。TDA8362的图像中频电路继承了飞利浦TDA8305集成电路的特点,图像中频放大电路增益高,稳定性好。图像中频放大电路由三级交流耦合、增益可控的中频放大器组成,每级可控增益大于20dB,三级总增益大于64dB。TDA8362的输入灵敏度为70μV,与TDA4501相同。
TDA8362的视频检波电路和AFT电路也与TDA8305相似,采用同步检波电路。为了简化图像中频电路的调整及减少外围元器件,将AFT电路中的90°移相电路采用有源滤波器集成于集成电路中,使视频检波与AFT电路只需调节一只接于②、③脚的中频变压器即可。AFT电路S曲线的陡度可通过的外围电阻来改变。
AGC检波电路采用键控AGC检波电路,具有噪声小、抗干扰能力强、反应速度快、AGC灵敏度高等优点。外接的接地电容为AGC时间常数电容,通过它可以改变AGC时间常数。RF AGC起控点的调整是由外围可调分压电路来实现的,调节电位器可改变的直流电位,亦即改变了RF AGC的起控点。一般是以高频头输入信号为56dB作为起控点。RF AGC电流由输出,经外围电阻网络变为RF AGC电压,送至高频头的AGC端。
经视频检波后的视频信号在TDA8362内再经过视频放大,一路在集成块内部送往识别电路,由识别电路判别是否收到电视信号。识别电路的一路输出送往集成块内的伴音中频放大电路,作静噪信号,使伴音电路在无信号时静噪,即无伴音输出,识别电路另一路输出由④脚输出,经外围缓冲器缓冲后送往遥控电路。
视频放大后的视频信号另一路由集成块TDA8362⑦脚输出,经⑦脚外围缓冲后分二路输出:一路经伴音中频陷波器,滤除伴音中频(D/K制为6.5MHz,I制为6MHz,B/G制为5.5MHz),再送往TDA8362脚,进入视频开关电路;第二路缓冲后的视频信号经伴音中频带通滤波器取出伴音中频信号,再经伴音中频信号选择电路后送往TDA8362⑤脚。
2.伴音电路
TDA8362⑤脚有两个作用:一是伴音中频信号的输入端;二是伴音直流音量控制的输入端。输入⑤脚的伴音中频信号经伴音限幅中放电路放大后进入伴音鉴频电路。
TDA8362集成电路伴音鉴频电路采用的是PLL(锁相环)同步检波电路。集成PLL同步检波电路是近几年新研制成功的电路。它克服以往准同步检波电路频带宽度窄、检波质量不很理想的缺点,是一种比较理想的检波电路。TDA8362同步鉴频电路具有自动跟踪输入的伴音中频信号的能力,对于输入4.5~6.5MHz的伴音中频信号,它能自动鉴频,而不需要外加任何调整电路。对实现伴音信号的多制式接收极为方便。
经PLL鉴频电路输出的伴音音频信号在集成块内输入至音频前置放大及静噪电路,一方面进行音频放大,另一方面根据识别电路输入的识别信号,进行伴音静噪。①脚外接去加重电容。同时,①脚也是伴音音频信号的输出端,经外部缓冲器缓冲后输出给AV电路,其输出的音频信号幅度为350mVrms(Δf=±50kHz)。
⑥脚为外部伴音音频信号输入端,要求输入音频信号幅度为350Vrms(±6dB)。外部音频信号由⑥脚进入音频输入开关电路,TDA8362集成电路已把音频及视频输入开关电路(即常称的AV电路)都集成在集成块内,无需外加AV转换集成电路。音频输入开关的控制信号是由遥控电路输出,从TDA8362脚输入,控制音频与视频信号的外部与内部的切换。
经音频输入开关电路进行外部、内部音频信号切换后输出的音频信号在集成电路内部进入伴音低放及音量控制电路,音量控制的直流电压从⑤脚输入,控制范围为0~5V。经低频放大及音量控制后的音频信号从输出,送至外部伴音功放电路。
3.视频切换及滤波电路
⑦脚输出的视频信号经缓冲后进入脚。脚为外部CVBS信号输入端,脚输出的内部视频信号及脚输入的外部视频信号都进入视频开关电路。视频开关电路的控制信号由脚输入。
TDA8362脚同时也是SVHS色度信号的输入端。因此,脚有两种电压输入:一是SVHS色度信号,是交流信号;二是直流控制电压输入。脚输入的直流控制电压经SVHS及AV控制电路后送往4个地方:即视频开关电路、音频开关电路、色度切换电路及色度陷波电路。
由视频开关电路输出的视频信号分3路输出:一路送往同步分离电路,供扫描电路用;第二路送往亮度通道的亮度延时及色度陷波电路;第三路送往色度通道的色度信号切换及色带通放大电路。当视频开关电路输出的视频信号是内部TV的CVBS信号或外部CVBS信号时,色度信号切换电路在脚直流电压控制下,允许CVBS信号进入,并经ACC电路及色带通滤波电路后输出色度信号,另外,CVBS信号经色度陷波及亮度延时后输出亮度信号。当输入为SVHS信号时,视频开关输出的是Y信号。此时,色度信号切换电路在脚控制电压的控制下,断开视频开关输出信号至色度通道,而闭合SVHS信号中的色度信号,使SVHS信号中的色度信号经ACC放大、色带通滤波后输出色度信号。视频开关输出的Y信号进入亮度通道的色度陷波及亮度延时。
4.色度通道
由色度信号切换电路输出的色度信号经色带通滤波电路及ACC电路后输出色度信号,一路进入同步解调电路,另一路进入PAL/NTSC自动识别电路。PAL/NTSC自动识别电路输出信号控制VCO压控振荡器。当输入为PAL信号时,VCO振荡器振荡于4.43MHz频率上,当输入为NTSC—M信号时,VCO振荡器振荡于3.58MHz频率。外接4.43MHz晶振,外接3.58MHz晶振。当系统工作于NTSC制式时,色调控制电路起作用,由遥控电路供给0~5V的色调控制电压。还有一个作用就是在SECAM制式时作色度信号输出端。当直流电压<5V时,为色调控制电压输入;电压>5.5V时,为色度信号输出。
进入同步解调电路的色度信号,在色副载波作用下解调出R-Y及B-Y信号,分别由输出。外接色APC电路滤波元件。输出R-Y及B-Y信号分别由电容耦合至TDA4665及。
集成电路TDA4665为基带延时线,其作用相当于解码电路中的梳状滤波器,不过已集成化了,而且免除了以往梳状滤波器的相位与幅度调整,性能优良,使用方便。TDA4665使用电源电压为5V,外围除电源退耦电容及信号耦合电容外无其他外围元件。
经TDA4665解调后得到的R-Y及B—Y色差信号,分别由TDA4665及脚输出,从TDA8362进入色饱和度控制电路和G-Y矩阵电路。由于PAL与NTSC的色差信号比例不一样,故G—Y矩阵电路还受到PAL/NTSC自动识别电路输出的控制。由G—Y色差距阵输出的R-Y、B-Y及G-Y色差信号被送至R、G、B矩阵电路,与从亮度通道送来的Y信号一起解调出R、G、B基色信号。
在接收SECAM信号时(> 5.5V),SECAM色度信号由送至SECAM解码集成电路TDA8395的脚。TDA8362输出4.43MHz基准信号至TDA8395①脚,经TDA8395解码后,由⑨、⑩脚输出R-Y及B-Y信号至TDA4665的及,再经TDA4665解调后由、脚输出R-Y及B-Y色差信号。
5.亮度信号处理电路
由色度陷波及亮度延时电路输出的亮度信号被送至亮度信号处理电路。亮度电路处理电路主要有3个作用:放大、勾边(二次微分)及黑电平箝位。
为勾边电路控制端,由外界(遥控电路或电位器分压电路)供给0~5V的直流电压,以控制勾边电路的勾边程度。经亮度信号处理电路处理后的亮度信号输出至R、G、B矩阵电路。
6.R、G、B输入与输出电路
TDA8362具有R、G、B输入开关电路,它可供图文电视或其它外界R、G、B输入用。为外部R、G、B输入端,为R、G、B转换及快速消隐输入端。直流电压为0~0.3V时,外部R、G、B输入开关切断,外部R、G、B信号不能输入;为0.9~3V时,外部R、G、B输入;当>4V时,输出R、G、B信号被消隐,此时遥控电路的OSD(屏幕显示)信号可以直接输入至视放板上的视放电路输入端,实现屏幕显示功能。
TDA8362与飞利浦其他解码集成电路一样也具有峰白电平限幅电路,TDA8362峰白电平限幅电平为4Vpp。当R、G、B输出信号超过此电平时将被限幅。
R、G、B信号由输出电路放大后分别由输出。脚为亮度控制电压输入端,控制电压范围为0~5V。为对比度控制电压输入端,控制电压也是0~5V。
7.行同步电路
从视频开关输出的全电视机频信号一路送往同步分离电路,此全电视视频信号先经箝位电路箝位,再进行放大,以得到最好的同步性能,然后进入复合同步信号分离电路,分离出复合同步信号,一路送往行APC—1鉴相电路,与行VCO振荡器送来的行振荡信号进行比较,误差信号再控制VCO振荡器振荡频率。第一鉴相电路的增益由外接RC元件决定。复合同步信号第二路被送至一致检测电路,与行振荡器送来的行振荡信号一起进行一致检测,输出控制信号至图像中频电路的识别电路。
行振荡电路受PAL/NTSC识别电路输出信号的控制,以实现PAL/NTSC不同制式时不同的行频脉冲的要求。
经第一鉴相后行振荡器输出的行振荡信号再送往第二鉴相电路。第二鉴相电路的作用是稳定和控制行逆程脉冲的相位,当亮度变化使行输出管集电极电流上升时间发生变化从而造成图像线性变坏时,起校正作用。外接第二鉴相电路的滤波电路,通过改变的直流电位可以改变行频脉冲的相位,从而实现改变行中心位置的作用。经第二鉴相电路后的行频脉冲由输出,送至外围行推动电路及行输出电路。
8.场同步电路
由同步分离电路输出的复合同步信号另一路被送往场同步分离电路,分离出场同步脉冲。场同步脉冲再进入场分频电路。场分频电路将行振荡器输出的脉冲进行分频,产生场频脉冲,场同步脉冲控制场频脉冲的同步。
由场频电路输出的场频脉冲被送往场锯齿波形成电路,外接场锯齿波形成电容。由场锯齿波形成电路输出的场锯齿波,经场驱动电路后由输出。脚输入场反馈信号。(蔡国清)