问:根德A1814等型彩电中的伴音集成电路TDA1037损坏,但购不到原型器件。贵刊1988年11、12期曾介绍过用D4420代换TDA1037的方法,但D4420也不易购买,能否介绍一种更简便易行的代换方法?
答:可以用市场上极易购到的TDA2002或μPC2002(仅2~3元一片)代换TDA1037。TDA2002的主要电特性与TDA1037相近,只是封装外形与TDA1037不同,TDA2002为塑封单列5脚,TDA1037为塑封单列9脚,两者均带散热片。代换时,只要按下表引脚关系将TDA2002各脚插入印板焊好,并固定好散热板(TDA1037原④⑤⑦脚孔让其空着)即可。若嫌音量不足或有干扰,只需将TDA1037原②、⑥和⑥对地间的负反馈电阻分别改为220Ω和2.2Ω即可。(申沅)
TDA2002 1 2 3 4 5
TDA1037 8 6 1、9 2 3
问:一台日立427录像机鼓电机不转,检修时发现霍尔元件损坏,换上新的元件后,鼓转动正常,但重放时电视屏幕上全是噪波,检查鼓磁头和信号通路并无故障,不知是什么原因?怎样检修?(徐九)
答:如检查信号通路确无故障则有可能是装配电机时将磁环罩装反了。它的作用是通过速度检测元件为伺服电路提供PG信号,当磁环(磁极)装反时,磁鼓的相位就出现误差而造成磁头切换的混乱,自然也就不能重放出正常的图像了。磁环罩的正确装法是让中心轴的平面对着小孔,因安装孔比较长,可先把螺钉拧在中间位置。开机观察图像情况,若下部有切换噪带应调整SP·PHASE(鼓相位),如效果不理想还可逆时针微调磁环罩的位置,如果发现图像上下抖动则向顺时针方向微调磁环。当然如果是伺服电路或PG信号的形成有毛病也会造成类似故障,例如切换噪带的位置在每次重放时不同则是PG信号发生器的毛病,应重点检查速度检测霍尔元件是否损坏,显著特点是IC601电压特别低(正常值为2V和2.1V)。另外当导柱高度和X值调整不合适也会出现噪波,检修时应辨别清楚,不要盲目乱调。(于勇军)
问:一台松下NV—J25MC录像机,一加电即可听到机内有“咔、咔”的机械声响,多数情况下磁带不能插入带仓。不知怎样检修这种故障?(浙江 王修平)
答:磁带不能插入带仓,有机械原因和电路原因两种可能,但由所述故障现象来看应首先检查机械方面的原因。手动送入磁带看是否有“顶劲”的感觉,若特别顶手,则说明机械部分有问题,这种情况下应重装带仓组件,或者重装整个机心。在重装过程中,若发现有机械部件磨损、打齿等必须及时更换,切不可凑合再用。一般来说,由机械原因引起的这种故障经这样处理后,都能解决问题。(聂元铭)
问:一台佳丽牌EC-2061彩色电视机,在开机或转换频道时,荧光屏上先出现黑白图像,隔一段时间,有时几分钟,有时几秒钟,才出现彩色。以后,声、图正常。请问这应该如何检修?(北京 刘致宏)
答:这是因为TA7698AP、外接的色同步电位器RP227调节不当或接触不良,使副载波振荡器振荡频率轻微偏移造成的。检修时,可在刚开机故障出现时,用手或一绝缘棒推压RP227电位器,看彩色能否马上恢复。若彩色能够马上出现,说明RP227电位器接触不良,应更换一个新的。更换后,应仔细调整RP227,使图、声正常。若推压RP227电位器,彩色不能立刻恢复,可慢慢调整RP227电位器,使图、声正常。这样基本上就可以排除故障。(刘松和)
问:一台长城JTC471-2A型彩色电视机出现“三无”故障,经检查发现行输出管2SD870损坏,更换一只同型号行管后,电视机连续工作三小时,声像具佳。但第二天刚开机,行管又损坏,不知何故?如何检修?
答:如果更换的行管质量无问题,则是行逆程电容C464、C440其中一只开路或容量变小所致,因为行逆程电容容量变小,将引起行逆程脉冲电压升高,从而导致行输出管击穿,在修理中应着重检查行逆程电容。在无专用仪器测量的情况下,最好用两只与C464、C440同规格的电容进行替换。(邱慧远)
问:我的松下NV—J20MC录像机磁鼓不慎损坏,看不清磁鼓上打印的型号,翻了不少资料也查不到,怎么办?(山东 何平)
答:J20MC录像机磁鼓的型号为 VEH0385,松下NV—G33、NV—L15录像机也采用该型号磁鼓。若购不到VEH0385,可用VEH0417直接代换。(汤志成)
问:收录机最近换了一只新录放磁头,但录不上音,怎样修理?(高建平)
答:收录机的磁头有采用交流偏磁和直流偏磁两种,对直流偏磁的收录机,更换录放磁头后,如果发现录不上音,只要将录放磁头的2根引线对调焊接就解决问题了。这是因为采用直流偏磁的收录机均采用直流消磁。磁带经直流消磁后,剩磁达到饱和程度,必须用反方向的偏磁磁场先将磁带退磁才能录上音。如用与消磁磁场同方向的偏磁磁场,则不管偏磁电流多大,也丝毫不能变动磁带的饱和剩磁,则必然录不上音。将录放磁头引线对调焊接,相当将偏磁方向颠倒,抵消了原来消磁时的剩磁,就能录上音。(倪耀成)
问:一台京华JW—90型立体声收放机,放音正常,但调频收音效果差,立体声指示灯时亮时灭,声音不时被噪声干扰且失真。在检修中发现该机人体感应现象也很明显,用改锥碰触IC1(CX20111)⑩脚时,调频接收效果显著改善,不知故障在何处?(河北 邵达)
答:IC1⑩脚是CX20111调频高放级的输入端。从⑩脚加入人体感应信号会使FM接收效果明显改善,这说明该机在接收FM电台时的输入信号强度不够,因此主要应检查FM输入电路。该机FM接收天线由耳机引线兼任,天线信号经耳机插口J1及电容C3、滤波器BPF加到IC1⑩脚,为防止高频信号从耳机电路中流失,还设置了高扼圈L4、L5、L6。检修时只要检查C3、BPF是否开路及L6是否短路,通常很快便可找到故障点。(王德沅)
问:一台小霸王组合音响,当断电五分钟后再接通220V电源的一瞬间,扬声器中发出“咚”的一声巨响,所有功能均正常,不知何故?这种现象是否影响机器的正常使用?(内蒙 刘键)
答:这是机内大容量电容瞬间充电所引起的,一般不会影响机器正常使用。这里要提请注意的是:在使用前一定要将音量电位器放在最小位置上,再慢慢加大音量,以免开机瞬间产生的大电流损坏机内元件及扬声器。(邱慧远)
问:一台咏梅袖珍收录机,前置IC μPC1313HA及功放ICμLN3782M损坏,能否用TA7313或LM386代替功放IC,前置IC可用何型号的集成块代换?(黑龙江 甘南 周德庆)
答:μLN3782M应是ULN3782M之误。它是美国史普拉格公司生产的双列直插8脚双声道功放集成电路,而TA7313则是0.5W9脚单列单声道功放,LM386是1W8脚双列直插单声道功放电路,可见这两块IC是无法代换ULN3782M的。它只可用国产D372M(甘肃天光集成电路厂绍兴分厂生产)直接代换,在无法得到这块IC时,可用易购的TDA2822M反插入印刷板背面,顺其自然以①脚接原板(8)脚。②→(7)……对应焊上,即可直接代用了。另外,也可将TDA2822M的8个引脚均由下向上弯180°,然后从正面插入,仍将①插原(8)脚孔及②→(7)……插入后焊上。
μPC1313HA为9脚单列直插双声道前置IC,只可用国产D1313HA代换。(张国华)
问:一台YX108收录放机,使用集成块LA4160,收音正常,放磁带时声音断续,请介绍LA4160参数及如何检修?(福建 林
答:LA4160为单片录音机集成电路,双列14脚,由前置级和功放两部分组成。供电电压直流6V~9V,静态电流18~23mA。前置级开环增益85dB,功放级:当反馈电阻Rf=51Ω时,电压增益45dB。Vcc=6V(9V),RL=4Ω,THD=10%时,Po=1W(2.2W)。当LA4160用于收录放机时,收音信号通常从第④脚输入功放部分。收音正常,说明功放部分正常。放磁带时声音断续,应重点检查放音前级。首先检查有没有虚焊点,录放开关是否接触良好,其次检查第⑥、⑦、⑨脚的耦合电容是否失效,脚滤波电容是否失效,⑥、⑧脚之间的防自激电容是否失效。当Vcc=9V时,正常放音状态各引脚工作电压如下表:

须注意:正常放音时,引脚⑤电压应为零,⑥、⑦两脚电压相差不多。(霄明)
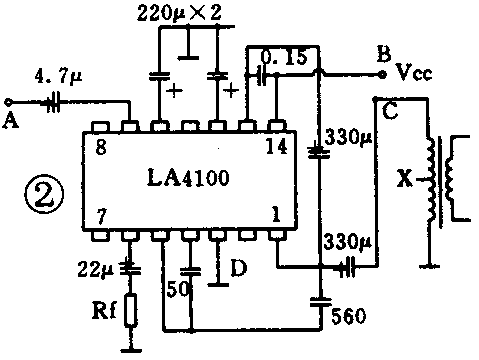
答:HA1329为日立公司生产的12脚双列封装的集成电路,国内无直接替代品。损坏后只能改换整个功放部分的电路,关键是分清原机功放电路的输入、输出和供电端。现绘出原机的部分功放电路如图1所示。A、B、C、D分别为输入、电源、输出和接地端。图2为使用LA4100集成块组成的新的功放电路,增益可通过改变反馈电阻Rf(5-330Ω)来调节,使输出音量与原机相当即可。(陈卫伟)

