CD4069是4000系列CMOS数字集成电路中功能最简单但使用较广泛的一只IC,它包含有6个相互独立的反相器(亦称“非门”)。14脚双列直插塑封,引脚功能见图1。第14脚接电源正、第7脚接电源负。电源电压范围为+3~+18V。每个反相器左边为输入,引脚分别为1、3、5、9、11、13;右为输出(带小圆圈那边),引脚分别为2、4、6、8、10、12。CMOS反相器的主要用途是振荡、延时,放大等。

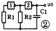
图2是两个非门组成的脉冲振荡器,加电后电路即开始振荡,Uo端输出方波脉冲,幅度约等于电源电压,频率由R2、C1决定,估算公式为:振荡频率f≈1/2.2R2· C1。

图3是一个延时开关电路。静态时10μ电容充电完毕,非门输入高电平,输出低电平,LED熄灭。按动开关S1,10μ电容快速放电,非门因输入变低所以输出高电平,LED点亮,此时即使松开S1,由于电容的充电作用,使非门输出继续保持高电平,只有当电容上电压超过非门的阈值电压(一般约为VDD/2)时,非门的输出才变低。这段延时的时间也就是电容的充电时间由电阻、电容的数值决定,延时时间T≈0.7RC,按图3数值,延时时间约为7秒。

图4是用CMOS非门组成的交流电压放大器,略去了输入、输出耦合电容。虽然非门是数字电路,但人们从它的高低电平转换曲线的阈值点附近都发现一段线性区域,所以可以利用非门组成线性放大电路。图4中电阻Rf起偏置作用,将CMOS非门的工作点偏置在阈值附近,Ri是输入电阻。这样的放大器可多级串联,以获得足够高的放大量。但要注意串联级数应是奇数,以避免自激。


搭起一个电路来判别CD4069的好坏很简单,如图5。非门1、2组成脉冲振荡器,振荡频率为几Hz,经非门 3~6后驱动LED闪闪发光,若6个非门中有一个或几个是坏的,则LED就不会闪烁发光而一直灭或一直亮。(李洪明)