MC34161系列电路是低价的通用电压监测器,可用于各种电子产品,特别适用于以电池为电源的便携式电子产品中。它可以检测正电压或负电压的过压、欠压、上下限电压。它是一个8脚双列直插式或贴片式集成电路,外围元件极少,可以用发光二极管显示或用蜂鸣器报警,如果有需要还可以接成控制电路。
结构及工作原理
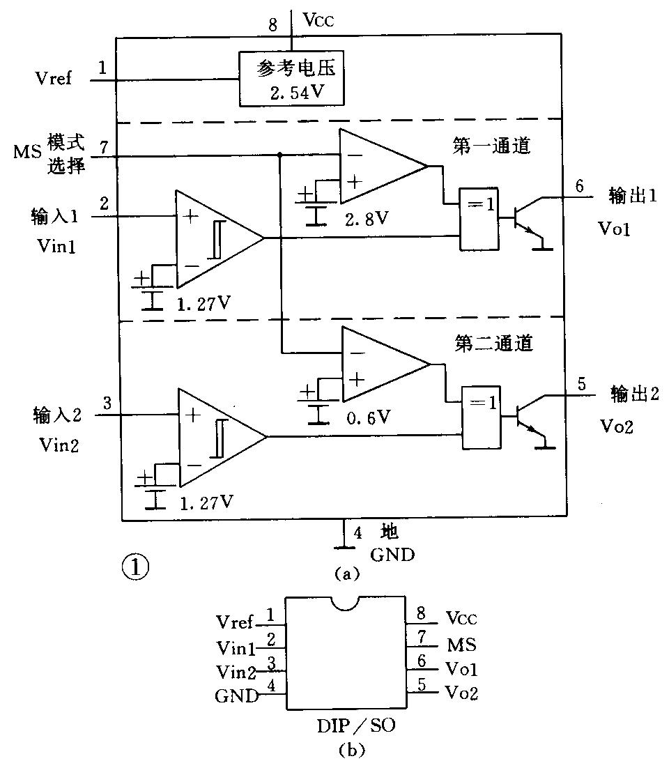
MC34161的结构框图如图1(a)所示,管脚图如(b)。它由两个通道比较器输入级、参考电压源、模式选择电路、两个通道比较器、异或门及输出级等组成。

输入端是比较器的同相端,有较高的输入阻抗,输出级为集电极开路输出,可灵活应用。参考电压为2.54V,在室温时精度为±2.4%。它可提供检测负压时用,在检测上下限电压时,参考电压输出端接模式选择端。它可以提供2mA电流,并且内部有短路保护电路。这2.54V分成两个1.27V电压(用作比较器的基准电压)。
模式选择(第7脚)是另外两个比较器的反相输入端,它可以接GND、Vref及Vcc以达到不同的功能。不同接法时的真值表如表1所示。

输入级比较器的阈值电压为1.27V±2%,并有25mV的迟滞,这是为了防止输入电压穿过阈值电压时产生振荡。
检测正电压时,Vcc应大于2.0V;检测负电压时,Vcc应大于4V。
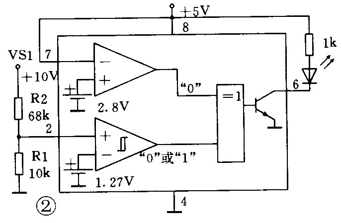
MC34161的工作原理如图2所示。图2为正电压过压检测电路。工作电压Vcc=+5V,检测电压Vs设定为10V。

当Vs未超过10V时,R1、R2组成的分压低于比较器的阈值,比较器输出为“0”。模式选择端(7脚)接Vcc(+5V),超过比较器阈值电压2.8V,比较器输出为“0”。这两个比较器的输出送入异或门,使异或门输出为“0”,则三极管截止,LED不亮。
当Vs上升超过10V时,R1、R2组成的分压器电压大于1.27V,则比较器输出为“1”。因此,使异或门输出为“1”,三极管导通,LED亮。
设定的检测电压Vs与R1、R2及阈值电压Vth之间有如下的关系:
Vs/(R1+R2)=Vth/R1
已知Vs=10V,Vth=1.27V,若R1设为10kΩ,则
R2=[(10/1.27)-1] ×10=68.74kΩ
由于输入比较器有25mV的迟滞电压,则相应地产生迟滞电压V\(_{HYS}\)(VHYS=V2-V1),V\(_{HYS}\)的值为
V\(_{HYS}\)=(R1+R2)/R1×25(mV)
将R1、R2的值代入,V\(_{HYS}\)=197mV
MC34161的参数
MC34161的应用电路
MC34161与MC33161的区别仅在于温度范围不同,详见表4。它们可用于检测正电压或负电压的过压、欠压、上下限电压。下面分别举例说明。
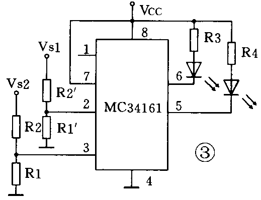
1.双正电压过压检测,电路见图3。

要检测的正电压为Vs1及Vs2,其工作原理与前相同,不再重复。
2.双正电压欠压检测,电路见图4。

要检测的正电压为Vs1及Vs2。这时第7脚接GND即可。
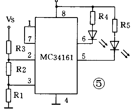
3.正电压上下限电压检测,电路见图5。

要检测的电压为Vs,由R1、R2、R3组成的分压器分别输入两个比较器。模式选择7脚接在参考电压输出端(1脚)。要检测的上下限电压与R1、R2及R3有关。设上限电压为V4、下限电压为V2,它们的迟滞电压分别为V\(_{HYS}\)2及VHYS1,则V3=V4-V\(_{HYS}\)2,V1=V2-VHYS1。可按下面的公式计算出R1、R2、R3。
V1=(Vth1-V\(_{HYS}\)1)[R3/(R1+R2)+1],
V2=Vth1[R3/(R1+R2)+1],
V3=(Vth2-V\(_{HYS}\)2)[(R2+R3)/R1+1]
V4=Vth2[(R2+R3)/R1+1]
4.一正压一负压的欠压检测,电路见图6。

检测的正压为Vs1、负压为-Vs2,分别由R1、R2及R3、R4组成分压器输入相应的3脚及2脚。当检测到欠压时,LED亮。
图6中的V1~V4及R1~R4有如下的关系。
R4/R3=V2/Vth1-1,R1/R2=[(V4+V\(_{HYS}\)2-Vth2)/(Vth2-VHYS2-Vref)]
R4/R3=V1/(Vth1-V\(_{HYS}\)1)-1,R1/R2=[(V3-Vth2)/(Vth2-Vref)]
5.自动交流电压转换器,电路见图7。

自动交流电压转换器如图7所示。MC34161电路中接双向可控硅,能使电路成为全波倍压电路或全波电桥整流电路。通道1检测交流负半周电压。如此电压低于150V,则在设定的延时时间后,电路将由电桥型转换成倍压型,延时时间是由100kΩ及与之串联的10μF的乘积决定。若交流电压大于150V,则电路将立即转换成电桥型。
6.接蜂鸣器电路,见图8。

当检测到的电压超过允差后,可以使蜂鸣器发声报警,如图8a、b所示。(方佩敏)


