电围栏产生数千伏脉冲高压,输送给带绝缘的铁丝围栏,使被围场地得到保护,适应草原建设和畜牧业的需要。市售产品DWM—30D自动围栏,全部用分立元件组装,仅三极管就用10只,故障发生率很高。本人用集成电路自制一台,性能稳定可靠,各项指标经检测完全符合GB794687国家标准,对人畜是安全的。达到的性能指标:
1.输出脉冲电压峰值:2~5kV
2.输出电流峰值:500Ω电阻10A
3.输出脉冲宽度:500Ω电阻0.3ms
4.每个脉冲电量:500Ω电阻上2.5mA/s
5.围栏单线长:30km
6.脉冲个数:20~50个/分
7.功耗:连续脉冲2W,自动时0.2W
8.供电方式:12V电瓶,风力发电机,15W太阳能电池,或整流电源。
9.整机重量:约4kg
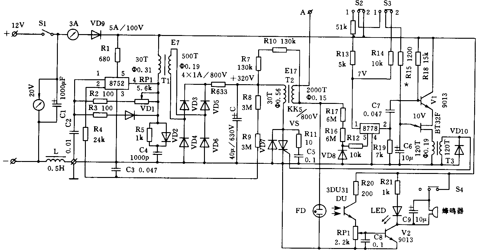
电路工作原理见下图。控制器由三部分组成,直流大功率开关集成电路TWH8752组成自激振荡电路,T1的升压绕组电压经快速恢复二极管整流,直流电压给贮能电容C充电达到约320V时,此时8752第2脚电压上升到使自激振荡停止,这一循环过程,使C上电压稳定在约320V。充电放电管FD和直流开关TWH8778集成块,组成触发控制器,320V电压通过T2次级加在FD热端,但小于FD的放电电压350V,是阻断的,故该直流电压通过输出端加给了整个围栏外线,同时也降压后加给了8778第5脚,开通了电源,电阻分压后经过开关S3,给C6充电到7V。BT32F组成可控硅触发电路,C6上的7V电压低于阈值电压,BT32不能触发,V1是射随器,它的射极电位约10V,当围栏外线有动物触网,使所带直流电压下降,8778关断输出负脉冲,将使V1射极电位下降,也使BT32阈值电压下降,满足了触发条件,触发脉冲经脉冲变压器T3输出,可控硅瞬间导通,储能电容C对T2初级放电,次级就输出脉冲高压,FD上电压也远超过350V而放电导通,如触网一直存在,8778就一直关断,C6上的电压逐渐上升到阈值以上而连续工作。如将R17换成电容,就只有触网时才能触发一次。FD导通后脉冲高压是全部加到触网物体上的。S3开关在1位时是连续输出,只有在2位才能自动停送复位。S2改变脉冲间隔,1位时3秒,2位时1.2秒。光敏管当充气放电管放电导通时动作,输出信号触发903导通而同时声光报警,以示提醒。这一功能也可用于防盗,在连续脉冲时用S4断开声警电路。增加VD9防止了偶然反接电源损坏机子,电感L可使同一电源给多台控制器供电,避免控制网互相间的影响。

本机所用FD放电管是电信防雷用的充气保护放电管,型号为R-350A。变压器T1、T2、T3需用铁氧体磁芯自行绕制,数据如图中所注。
使用时要注意以下几点:1.围栏对地绝缘电阻用1000V摇表检测,必须大于1兆欧。2.控制器接地极接地电阻应小于12欧。3.栏线和通信、电力线不能靠近或长距离平行,多雷地区应装设避雷器。4.短距离时T2用高压高阻型,长距离时T2用大电流低内阻型。(顾和平)