本文介绍一种在香港和东南亚等地区广泛使用的商品型载波对讲机。它采用锁相环接收电路和调频载波形式,具有灵敏度高、语音清晰、自动静噪等优点。不需连线,不需使用电池,在同一变压器供电的电网范围内,只要有220V电源的地方,就可以通话,不需专门架设通信线路。适用于机关、厂矿企业、商业、学校、医院、农村等单位内部进行通话联系。
工作原理
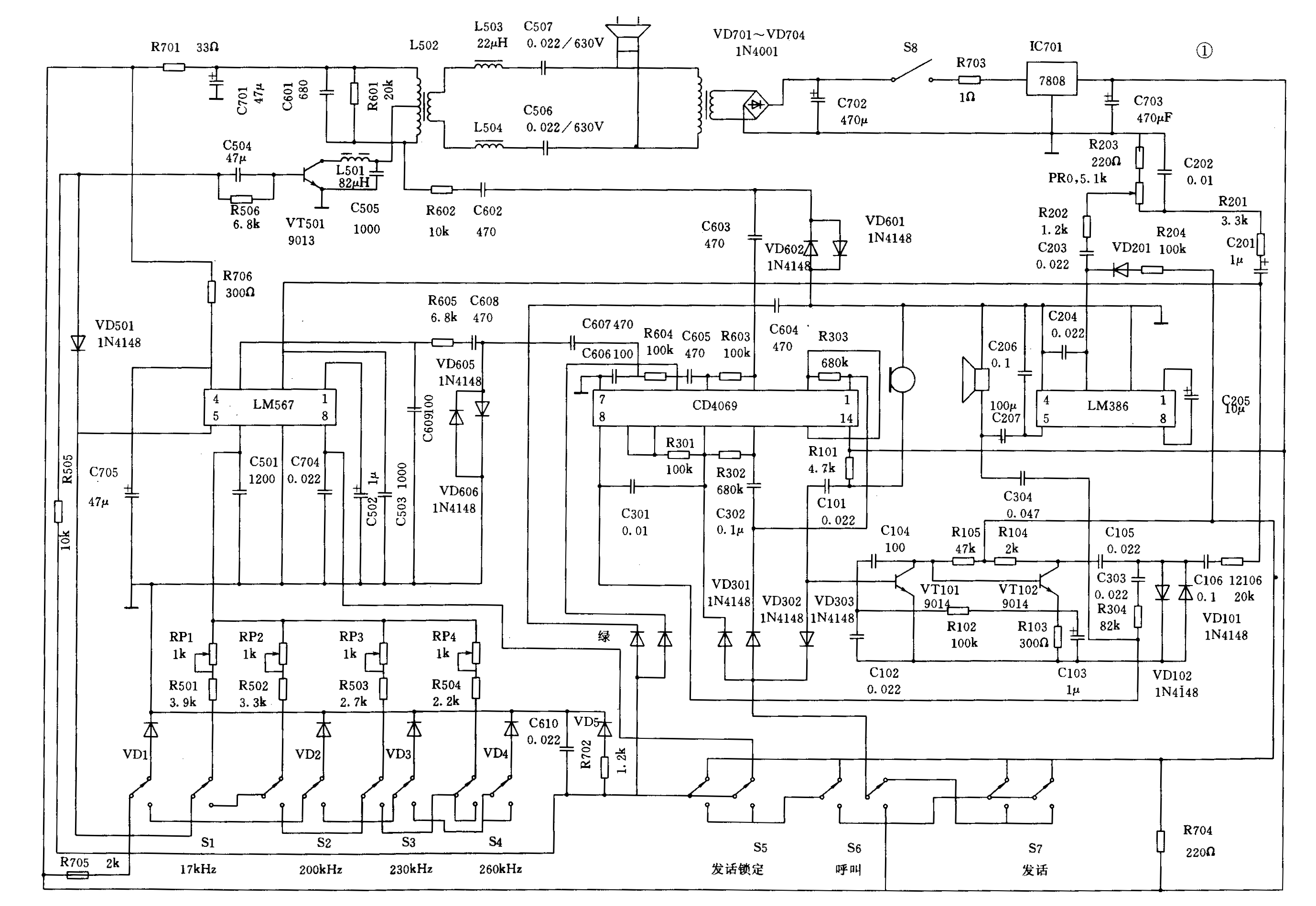
电路原理如图1所示(见下页),该电路功能性较强,共用四块集成电路,3个三极管,17只二极管,5只发光二极管,7只小型全封闭式按键开关。

本机由集成三端稳压管7808来提供电源,锁相环集成电路LM567负责调制和解调,LM386用于放大解调后的音频信号,CD4069则用于产生振铃信号和对接收到的载波信号进行放大。
接收时,载波信号由电源插头进入,经过L503、L504、C506、C507组成的选频网络进行初步选频后,经L502再次选频,由R602、C602送到CD4069的3脚进行放大,经过两级放大后的信号由5脚输出,送到LM567的3脚进行解调。LM567是一个锁相环集成电路,其5脚、6脚所接阻容元件C501、R501、RP1决定了集成电路内部压控振荡器的中心工作频率,这也是被解调信号的中心频率,计算公式:
f0≈1/1.1(R+SR)·C501,
最高可工作到500kHz,本机设计为170kHz、200kHz、230kHz和260kHz。接收到的信号在其锁相环跟踪范围内时,8脚电位降低,LM386第3脚的电位也降低,自动静噪接通。解调出的音频信号由LM567第2脚输出,由LM386放大后推动喇叭。
发射时,按下S6呼叫键后,由CD4069内部四个反相器组成的振荡器产生振铃信号从8脚输出,经R304、C304后,沿C106、R106送到LM567的第2脚进行调制。讲话时按下S7发话键;麦克风拾取的音频信号被VT101、VT102放大后送到LM567的2脚进行调制,已调制的载波信号由5脚输出,送到VT501进行放大,经L502、L503耦合到电网中去,一般射频输出功率约有100mW。
使用方法
将本机的电源插头插入220V交流电源插座中,接通电源开关S8,调节音量电位器RP0至最大位置。按下相应的频道选择开关S1至S4(具体由使用者自己决定),使通话双方在同一个频道上,按下发话键S7,VD5绿色发光二极管点亮,这时即可以讲话,放开S7后,机器就处于接收状态。由于具有静噪功能,在没有收到信号时,机器是不会发出任何声音的,收到信号后,放大电路自动开启,就可以听到对方的声音。
当按下S5发话锁定键后,本机器就长期处于发射状态,可用于监听,如婴儿看护、病人监护、办公室防盗等。
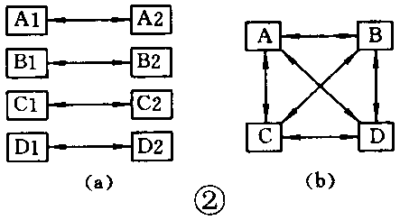
本机可按图2(a)组成点对点式通信,也可按图2(b)组成比较理想的选呼通话系统,A、B、C、D四部分机器之间可以任意互相通话,最适用规模较小的单位内部通话联络。


一般情况下,只要在同一个电力变压器供电的电网中,通话距离不小于500米。使用同相电源时,通话距离更远,甚至可达几公里。通话双方使用的电源不同相时效果差一些,这时可按图3所示,在电网中接入两个电容器就可解决问题,通话效果大为改善。(申书明)