目前微机中所使用的电源全都是脉冲宽度调制式(PWM-Pulse Width Modulation)固定频率的开关稳压电源。由于开关电源工作在高电压、大电流状态下,而且电路又比较复杂,一旦某个部件出故障,将使整个电路工作不正常,甚至不工作。所以,开关电源故障发生率较高。
开关电源由于直接对220伏交流市电进行整流变成高压直流电,检修时一定要特别注意人身安全。
目前使用较多的有中华学习机(CEC-Ⅰ)、苹果机(Apple-Ⅱ)、PC机(Personal Computer)三大类。中华学习机电源电路结构与苹果机电源电路结构大同小异,本文不作专门介绍,维修时可参照苹果机电源进行。
苹果机电源维修实例(电路图见图1)

型号:FFE-SP-001
此电源系苹果原装机电源,与此电源电路相同的型号有:KHP4006,FCS—API等型号。这类电源,当输出端不加负载时,变压器无电流流过,那么发光二极管也就无电流通过而不能发光,发光二极管不工作,整个光电耦合器将处于截止状态,开关晶体管VT3因无触发信号也处于截止状态。VT3截止0.5秒后又企图导通,但如果仍无电流输出,开关晶体管VT3又会截止。循环往复便会听到间隔0.5秒的“叽叽”叫声。所以在修理此类电源故障时需要在+5伏输出端加一只20W5Ω的电阻作为负载。
例一.故障现象:开机后键盘锁死,敲不进任何指令。
检查维修:经检查主机与键盘有关电路正常,系电源输出+5伏电压偏低所致(仅为4.30伏),并且调整电压调节电位器R16无效。输出电压调整无效,一般系反馈控制回路发生故障造成的。从电路图上可以看出,电压控制反馈回路有两条。一条由高频变压器绕组经R5、VD11,VD5、C7组成,它通过R8加到VT1基极,使VT1、VT2处于导通状态,对开关晶体管VT3的基极电流分流,控制开关晶体管VT3的导通时间,使输出电压稳定。另一条由VD17、VD18、VD19从+12伏上取得一基准电压(V\(_{基}\)=VD17+VD18+VD19=0.7+0.7+5.1=6.5伏),经R16微调后加到 VT4的基极,控制光电耦合器IC发光二极管的发光度,使IC光敏三极管等效导通电阻变化,达到改变VT3基极电流的分流大小,从而控制开关晶体管VT3的导通时间,使输出电压稳定。
由上所述,我们就可以从这二条反馈回路着手检测。断电以后,把万用表置×1k档,一支表笔接R16公共端,另一支表笔分别接R16的其它两端,用十字改锥旋动R16,万用表显示电阻值从12欧至1.04千欧,表明微调电位器R16正常。下一步接通电源,测量VT4的各极电压,结果如下:Ve=4.60V;Vb=5.42V;Vc=4.63V。VT4处于饱和状态,所以根本不能对电压调整。这种情况VT4损坏的可能性不大,除非是晶体管严重漏电。经检查VT4集电极偏置电阻R18,阻值正常,R19阻值也正常。这样,故障点就压缩到光电耦合器IC上。更换IC以后,VT4的集电极电压上升为9.80伏,再调整电位器R16,输出电压可以调整,一切恢复正常。
苹果机电源所用光电耦合器系美国通用电器公司出产的双列直插(DIP)6脚NPN光敏晶体管和PN型红外光电二极管的4N35411型光电耦合器,可代换的型号如下:
美国通用电器4N35411
美国摩托罗拉SPX7130
美国德州仪器TIL117
美国通用仪器MCT277
日本电气 PS2002
日本夏普 PC417
日本东芝 TLP535
美国仙童 FCD830
例二 故障现象:开机后不能读盘,电源伴有“吱吱”声。
检查维修:从故障现象判断,系电源负载过重造成电源不能正常工作。测量电源四组输出电压均低于正常值。当取下软磁盘驱动卡后,电源“叽叽”声消失,再测量电源四组输出电压正常。
从检查结果看出,这是由于主机电源负载能力差所造成的,负载能力差一般情况下与高压滤波电路漏电有关。用万用表测C1正极与C2负极之间电压(C1与C2串联电压)只有210伏,正常工作时最低为280伏,并且C1与C2上的电压也不平衡。关掉电源开关后,用一只1kΩ电阻将电容正负极短路,把电容所存储能量放完,以免用电阻档测量时损坏万用表表头,再测量C1、C2的均压电阻R28、R29阻值正常,更加确认是滤波器电容漏电流过大。
当电容器的漏电流增大时,电容值便会减小,导致电源输出功率下降,带不动软磁盘驱动器工作。
把C1、C2从电路板上取下,用电容表测量后发现C1的容量低于正常值,更换C1(180V 160μ),主机工作正常。
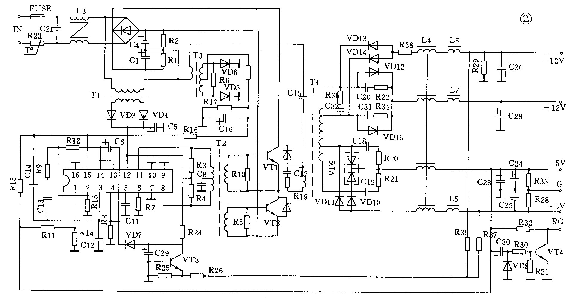
PC机电源修理实例(电路图见图2)

型号:PS869(Super PC-XT)
例一 故障现象:通电后,电源无输出。
检查维修:把电源外壳打开后,可以看到保险管FUSE已熔断,由此,可以初步判断出高频振荡回路有短路故障,检查时不能再通电以免故障扩大。先对电路和外观进行检查,没有发现有明显烧焦迹象,接着用阻值测定法对高频振荡回路进行测量,发现VT1的c-e极已击穿。VT1、VT2在电路中由于基极与发射极是通过T2的次级绕组相联,所以在电路板上测量是短路的,测量时最好把VT1、VT2从电路板上焊下来再测量。其它部分未发现有问题。更换VT1以后,加电开机,电源输出正常,但冷却风扇不转,测量供给风扇动力的+12伏电源正常。用手转动风扇叶片,给予一个启动力后,风扇能转动,这就表明风扇内部有故障,把风扇取下,撕下商标铭牌,撬下防水罩,用十字改锥取出固定螺丝,取出转子,可看到定子上有摩擦痕迹,用砂布打摩后,用无水乙醇清洗,给轴承加注少许润滑油,安装好后通电试验,风扇能正常工作。
例二 故障现象:整个直流输出电压偏低,+5伏输出为+4.40V;+12伏输出为+10.36V;-5伏输出为-4.11V;-12伏输出为-10.35V。
分析维修:从整个直流输出电压偏低来看,原因有几个方面:(1)因为四组稳压输出电压都是建立在以调整+5V输出基础上的,若+5V回路出故障会影响四组输出电压。(2)脉冲宽度控制电路出故障。(3)PWM控制器内部采样、调整部分有故障,或外围电路出故障。
我们先从PWM控制器(TL494)查起,测量IC误差放大器有关电路引脚电压,⑨脚为2.15V,②脚为2.14V,均低于正常值。IC内部基准为5.03V(正常),锯齿波自激荡器定时端⑤脚为1.69V,⑥脚3.74V均正常,说明IC工作正常。顺便提一下,TL494的十六个引脚,其中①、②、③、④、⑧、、、脚电位不对,多为外围电路故障所致,而⑤、⑥、、脚电位不对,多为IC内部故障。
由以上分析可初步判断出IC误差放大器外部电路有问题。接下来检查IC误差放大器A1输入端的分压电阻R11、R12、R13、R14,经检测除R12的阻值由正常时的2.7kΩ变为6.28kΩ外,其余三只电阻阻值都正常。
脉冲宽度调制集成块TL494输出一个比较稳定的+5V电压,经R12、R13组成的分压器后接于②脚,那么②脚的工作电压就是误差放大器的基准电压。R12阻值增大后,使加到IC误差放大器反相输入端②脚的电压下降,即误差放大器的基准电压降低了,相当于放大器同相端相对电位升高,这时,从IC内部的两个驱动晶体管输出级输出的驱动调制脉冲的宽度将变窄,开关时间缩短,输出的直流+5V电压将下降。
把R12的阻值降到4.7kΩ后,IC②脚电压上升为2.50V,③脚电压上升为2.48V,+5V组输出电压回升到5.10V,其余三组输出电压也分别回升接近各组正常值。脉冲宽度调制控制器TL494内部电路结构可参阅有关书刊。(戴敏)