用高度集成化的音频低放IC取代早期分立元件收音机功放电路是一种值得推荐的办法。用ULN2283修理收音机低放是工作最简单而又效果最佳的办法之一。
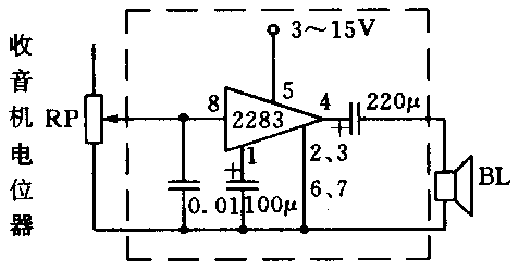
ULN2283是专为微型音响设计的中规模集成电路,它具有较大的输入阻抗(250kΩ)和较高的电压增益(42dB)。它适应电压范围大(3~15V),引脚与外围元件少,使用灵活,在9V电源电压时在8Ω负载阻抗下输出功率在1W以上。
对于中小型收音机,无论是采用变压器推挽功放或OTL输出电路,都存在着元件多、故障率高、功放管配对困难等一系列问题,遇到年代稍久远一点的产品由于缺乏资料或配件,修复更困难。
如左图所示,ULN2283的8条引脚中有②③⑥⑦4脚连在一起接负极,另外只需1个输入端、1个输出端、l个电源正极端和1个反馈端。故在代换中可以利用收音机上原有的印板,只需拆除原收音机自电位器以后的低放部分,然后根据印板的位置经电位器中点联⑧脚,输出电容联④脚等一一对应安装即可。一般不需调试。对原机音质音量都有所提高,而且再次故障率极低。

国产 D2283与 ULN2283可以互换。
此种低放电路也可供收音机厂家作设计参考。
注意:由于输入⑧脚是其偏置脚,故应直接与电位器中点连接,如原电位器中点以电容连接时,可考虑在⑧脚与地间并接一47k~100k电阻。
湖北省电教技术服务中心大量供微型音响电路2283,2.4元/块;微型收音机电路 7642,2元/块,邮资 2元/次。地址:武汉洪山路2号湖北科教大厦 B座,邮码:430071,电话:(027)7816655,7816677转3135(办),7825482(宅),联系人:夏兴邦。(夏兴邦)