(王冠)随着科学技术的发展,具有煤气和烟雾报警的抽油烟机大量生产,已进入千家万户。这种机子使用了传感器和电子线路,给一般维修者带来较大的困难。笔者以高宝KCA-230型自动抽油烟机为例,介绍其自控原理及修理方法,以飨读者。
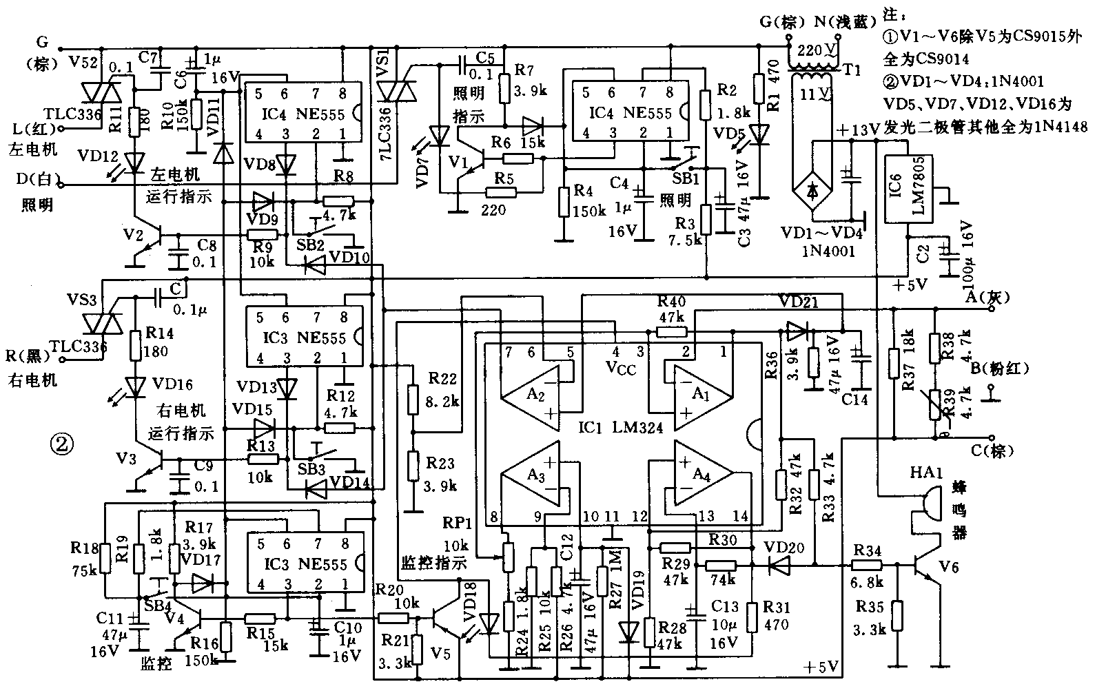
图1和图2分别示出KCA-230型自动抽油烟机的接线图和控制电路图。图2中IC5及外围元器件组成照明控制电路,由开关SB1控制照明灯及照明指示灯亮(灭)。由IC4、IC3和外围元器件分别组成左、右电机控制电路,由开关SB2、SB3分别控制两个电机的运行。这两部分电路比较简单不再赘述,本文将重点介绍监控电路的工作原理。


由IC1、IC2、V4~V6及外围元件构成监控电路。刚开机时,由于C10上电压不能突变,IC2的2、6脚均为低电位,此时IC2的3脚为高电位使V4饱和而V5截止。V4饱和后使VD17截止,IC2的2、6脚维持低电位。V5截止使IC1无供电电源,监控电路不工作。这时,VD18(监控指示发光二极管)截止,IC2内部放电三极管截止使C11充电到+5V。当按下监控开关SB4,C11上的高电位使IC2第2、6脚为高电位(>2/3VCC),IC2第3脚为低电位,使V5饱和而V4截止,+5V电源通过V5向IC1供电;+5V电源通过R17、VD17使IC2第2、6脚维持高电位,也使IC3、IC4的第2、6脚均置于高电位,IC3第3脚和IC4第3脚均置低电位使V2、V3截止。这样左、右电机无论原先是否运行,按下SB4后,左、石电机均处于停止状态。由于IC2的2、6脚的高电位,使IC2内部放电三极管饱和,C11上的电压约为1V。若再按下开关SB4,IC2第2、6脚又置低电位(<2/3VCC),使IC2第3脚为高电位;V4饱和、VD17截止,使IC2第2、6脚维持低电位,同时,V5截止,切断IC1供电电源,此时,监控电路不工作。可见,SB4既是监控开关,又是电机的停止开关。
关掉监控时,V5截止,IC1失去电源,致使四个运放输出均为零。IC1第7脚为零电位,使VD10、VD14截止,不影响左、右电机的开启。IC1第1、14脚为零电位,使V6截止,+13V电源无法加到蜂鸣器,蜂鸣器不响。
打开监控时,V5饱和,+5V通过V5向IC1供电。由于IC1第10脚电压高于IC1第9脚,因此,IC1第8脚为高电位并通过RP1、R24向比较器A1提供比较基准电压。当可燃气体及烟雾在允许范围内时,IC1第2脚比IC1第3脚电压高,使IC1第1脚为低电位,通过R32,使IC1第12脚为低电位,IC1第14脚也为低电位,使得监控指示发光管VD18常亮。此时,VD20、V6均截止,蜂鸣器不响。当可燃性气体及烟雾过量时,气敏电阻阻值下降,IC1第2脚电位下降到比IC1第3脚电位还低。此时,IC1第1脚输出高电位,通过R32给IC1第12脚,IC1的A4同外围电路组成一个方波振荡器,使VD18及V6随IC1第14脚输出高、低电位的变化而导通与截止。因此,VD18闪动作为光报警,而蜂鸣器也间歇发音作为声报警。IC1第1脚高电位,也使VD21导通,C14充电到高电位(约VCC)。此时,IC1第5脚电位高于IC1第6脚电位,第7脚输出高电位,VD10、VD14导通,V2、VS2、V3、VS3也随之导通,电机运转使左右风扇同时工作,把可燃气体或烟雾排出厨房。
随着风扇的运行,可燃性气体或烟雾浓度下降,IC1第2脚电位随着升高,当IC1第2脚电位上升到比IC1第3脚电位略高时,使IC1第1脚为低电位,声光报警同时消失。由于R36电阻很大(3.9MΩ),C14放电缓慢,约3分钟后才会使IC1第5脚的电位低于第6脚的电位,使得IC1第7脚为低电位,VD14、VD10截止,风扇才停止运行。
RP1:用于调整可燃性气体或烟雾达到规定浓度时启动左、右电机的动作值。
R39:热敏电阻,为负温度系数。用于补偿气敏电阻的阻值随环境温度的上升而下降,使监控动作基本上不随环境温度变化。
附表给出该机常见故障及引起这些故障的易损件,供读者检修时参考。
