广东惠州组装的康力20英寸遥控彩色电视机,经常出现收不到某一频段的节目的故障。该机微处理器采用汤姆逊公司制造的单片彩色电视机遥控集成电路M491。经检查,此故障是由于频段选择输出端对地漏电所造成的,其中以39脚和40脚漏电最为常见。该部分电路如图1所示。一般情况下,微处理器应换新品,但考虑到微处理器价格昂贵,并且集成电路内部其它电路都正常,因此,可以通过改变外围电路或者增加少数元件使其恢复正常。实践证明,这是完全可行的。从图1可以看出,波段选择输出端共有4个,其中AV用于电视信号与视频、音频输入的切换。这个输出端很少使用。当39脚和40脚中只有一只脚漏电时,可以用AV输出端相对应的38脚来代替。现假设39脚漏电,应先把39脚至R624之间的印制线切断,并将39脚接地,再把R626取消,将R624连至38脚就可以了。之所以要将39脚接地,是因为M491内部电路已设计了当执行频段跳跃搜索台或波段选择功能时,输出的低电平从37至40脚逐脚循环,哪一只脚接地,循环就跳过那只脚。这样处理以后能防止误操作,使用也更方便。

当39脚和40脚同时漏电时,也能够修复。我们知道,37和38脚的输出电压按0伏和12伏排列,有4种情形,可以定义4种状态。而我们只需要3种状态,即VHF\(_{L}\)、VHFH、UHF,完全能满足要求。下面从数字逻辑电路理论推导出修复电路。为了叙述方便,这里采用正逻辑。用A、B、C表示37、39、40脚所输出的数字变量, VHF\(_{L}\)、 VHFH、 UHF端输出的数字变量简记为L、H、U。由于39和40脚漏电不能使用,首先用38脚取代39脚,代替方法前面已叙述,所不同的是39脚不能接地,而应悬浮起来。其次40脚功能由37和38脚来代替。查阅变量A、B和L的真值表,从表中得出L与A、B的关系,即:
L=A
对上式继续变形,可得:
L=A·B=A·B-=A-+B-
由图1可知U=A-;H=B-;L=C-,把这三个等式
代入上式,同时两边取反后得:
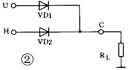
C=U+H
这就说明,40脚可以用UFH和VHF\(_{H}\)经过逻辑“或”运算后代替。

经过上述分析,我们很容易得出具体电路。从数字电路理论可知,最简单的或门是二极管或门。如图2所示。图中R\(_{L}\)是或门输出端的等效负载阻抗,数值视具体电路而定,一般不小于10千欧。这个电路就是改装电路。为了让VD1或VD2导通时V604能可靠地截止,VD1、 VD2选用饱和压降小的锗二极管如2AP9等。进行改装时,首先将40脚接地,然后将图2中U和H端接至UHF和VHFH端上, C端接至V604基极上,R\(_{L}\)是为了使图2完整而画出的等效电阻,改装时不用。这样,只增加两只2AP9,就使一只价格几十元的微处理器恢复工作。(汪洪平)