袖珍型FX103调幅调频立体声收音机采用日本东芝公司最新推出的调幅/调频立体声收音机集成电路TA8122AF。该集成电路采用24脚双列扁平封装,集成度高,功能强。集成电路内部(见内电路方框图1),调幅部分包含调幅收音机从混频放大级至检波输出的全部功能,调频部分包含调频立体声收音机从高放级至调频立体声解调出左右声道音频输出的全部功能。此外,TA8122AF还有以下特点:FM鉴频回路采用陶瓷滤波器,不用调整;解码电路中压控振荡器(VCO)采用陶瓷谐振器,其谐振回路也不需调整;AM检波器不用检波线圈。因此,大大简化了外围电路。该集成电路工作电源电压范围宽,为1.8~7V,典型使用值3V,特别适合袖珍型、微小型AM/FM立体声收音机或收录机使用。采用TA8122AF,再加一块双声道功放集成电路就可设计制造出一种小型 AM/FM立体声收音机。整机体积102×63×19mm。整机原理图如图2所示。该机装有调谐钮,带电源开关的音量钮,波段选择开关,外接耳机插口,立体声指示灯。此外,该机还设置耳机、扬声器转换开关。将此开关拨至耳机位置时,用随机配用的“迷你”型立体声耳机欣赏调频立体声音乐,立体感强,如同身临其境。在收听调幅或调频单声道节目时,也可将开关拨到扬声器位置用扬声器收听。这给使用者收听新闻、学习外语、欣赏音乐带来了极大方便。


整机工作原理
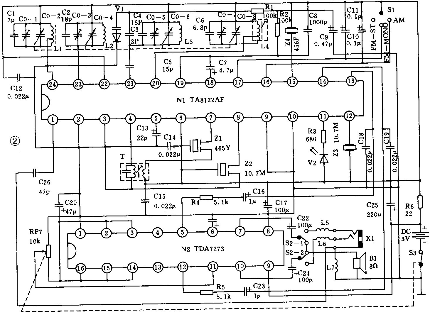
1.调幅接收部分:
将波段开关S1转换到AM时,接收调幅中波信号。外来中波广播信号经过磁棒天线L1和四连可变电容器的AM输入连C0-2调谐选择后,从TA8122AF(以下简称N1)的进入AM混频放大器。AM本振信号由接在的中波振荡线圈,四连可变电容器的振荡连C0-8以及内电路产生。AM混频器和接在④脚的AM中频变压器混频输出AM中频信号,再经465kHz陶瓷滤波器Z1选频,从⑦脚输入N1内部AM中频放大器,再经过检波、音频放大、FM/AM电子开关,从N1输出。为了提高AM接收效果,该电路内部设有AGC放大器。⑤脚外接电容为AGC滤波电容。AGC放大器有3个作用:(1)输出中频AGC电压控制AM中放增益;(2)输出高放AGC电压控制AM混频级增益;(3)当AM或FM调谐时,根据检波电平的大小输给调谐指示器控制电压。⑩脚外接调谐指示发光二极管。当不设置调谐指示时,可将⑩脚直接接地。
2.调频接收部分:
将波段开关S1拨至FM时可接收FM广播信号。FM广播信号从耳机天线下来,通过C26,从N1的①脚进入FM高放。FM高放信号通过接在的FM输入线圈L2、四连可变电容器FM输入连C0-4选择后进入FM混频器。FM本振信号由接在的FM振荡线圈L3、四连可变电容器FM振荡连C0—6以及内电路产生。本振频率高于外来信号载波频率10.7MHz。FM混频器产生的FM混频中频信号,从③脚输出经10.7MNz三端陶瓷中频滤波器Z2选频后,从N1⑧脚进入FM中频放大器。经过中频放大的FM信号输入到FM鉴频器。N1的脚外接10.7MHz两端陶瓷鉴频器Z3。FM鉴频信号经过AM/FM电子开关,也从N1的输出。
TA8122AF内部没有设置AFC控制电路。本机调频AFC控制电路由外接R1、R2、C9、V1组成。FM信号从出,一路经C7耦合到进入内电路调频预放,另一路经R1、R2、C9滤波后,将直流电压加到变容二极管V1的负端。直流电压的大小随输出的FM信号变化,从而变容二极管的电容量,亦即振荡回路的等效电容也随之变化,振荡频率不断得到修正,起到了自动频率控制作用。
3.调频立体声接收部分:
将波段开关S1拨到FM-st可接收调频立体声广播信号。当调谐到FM立体声电台时,立体声复合信号从输入到预放大器,再进入解码器。在解码器中,一部分电路用来产生立体声解调信号,另一部分电路将解调信号送到解调放大器,利用双平衡乘法器的开关特性分离出左、右声道信号。鉴相器(1)、压控振荡器VCO、分频器以及脚外接的低通滤波器组成了锁相环路。VCO产生的振荡信号经分频得到19kHz信号,再移相90°后,在鉴相器(1)中与立体声复合信号中的19kHz导频信号进行相位比较,产生的误差电压经脚外接的低通滤波器滤除高频成分后,作为VCO的反馈电压,控制VCO的频率和相位,直到频率相等,相位差近90°时环路锁定。此时,分频器输出的第二个与19kHz同相的38kHz信号,即是解调信号。
在鉴相器(2)中,分频器输出的第三个与导频信号同频的19kHz信号,与导频信号进行相位比较,当相位差为零时,输出电压幅度最大的控制信号,经脚外接低通滤波器滤去高频成分后,再经直流放大,控制施密特触发器。当达到触发电平时,触发器翻转,启动立体声指示驱动电路,点亮脚的立体声指示发光二级管。与此同时,立体声开关打开,将解调信号送到解调放大器,双平衡乘法器开始工作,将加到解调器的立体声复合信号分离出左、右声道信号来。
N1的脚接高电平V\(_{CC}\)时,内电路VCO强迫停振,调频工作于单声道。N1的脚接高电平VCC时,内电路立体声开关工作于单声道,AM/FM开关转换到AM状态。波段开关S1的三种工作状态就是根据、脚的工作特性设置的。
4.音频放大部分:
音频放大部分由集成电路TDA7273承担(以下简称N2)。N2采用双列直插14脚封装,是一个双声道磁带放音集成电路。采用该集成电路主要是利用双功放和电子音量控制电路。这样,带开关的单连电位器既可以控制双声道音量,又可以控制电源通断。放音前级不使用,并将②、③、、接高电位。N2的⑤、⑥脚为左右功放信号输入端,⑩、⑦脚为左右声道功放输出端。脚接直流电位音量控制器的中心头。⑨脚接V\(_{CC}\),⑧脚为功放接地端。另外,在图2中,两功放的输出端接有L5、L6、L73个15μH的电感,直流电阻很小;对音频来说,阻抗很小,可以直通;对FM高频来说阻抗很大,起到阻频作用。因此本机调频波段不用拉杆天线,借用耳机馈线以及L5、L6、L7组成低阻抗等效天线。当监听开关拨至扬声器收听时,耳机线仍作为调频天线使用。
整机主要参数:限噪灵敏度:AM不大于1mV/m,FM不大于10μV。频率范围:AM不窄于525~1605kHz, FM不窄于87~108MHz。中频:AM为465kHz,FM为10.7MHz。调频立体声分离度不小于20dB。输出功率:立体声耳机32Ω,2×20mW;8Ω扬声器,80mW。整机指标符合国家标准中关于C类机的要求。
TA8122AF调幅调频状态各引脚直流工作电压见附表。

综上所述,采用TA8122AF和TDA7273组装的调幅/调频立体声收音机,使用两节五号电池,整机体积如烟盒那么大,如不设置扬声器,整机体积可做得更小。这种收音随身听和磁带随身听相比,具有体积小、重量轻、耗电少、携带方便等优点。随着调频立体声广播覆盖面的扩大以及播出时间的增加,这种随身听的音乐节目源将来之容易、取之不尽,它将越来越受到人们的喜爱。(韩家明)