一、SR9G26 特点:
1.单片结构,只需外接几个电阻、电容就能构成一个录放音系统;
2.内部设有功率放大器;
3.内部设有大容量 EEPROM(电可改写);
4.能录制20秒语音;
5.可分160段录放音;
6.不用编程器就能反复录放音;
7.录音的内容能永久保留,又能随时更改;
8.自动进入低功耗状态;
9.外围元件比SR9F26更少;
10.采用按键来控制操作,使用更方便。
11.大部分管脚与SR9F26相同。
二、工作原理
为了更深入了解和利用SR9G26来设计产品,有必要知道SR9G26的内部结构图。SR9G26的方框图如图1所示。

SR9G26为28脚双列直插塑封(见图2)。由图可知,SR9G26与SR9F26的管脚分布是类似的。附表为各管脚的功能说明。

附表 各管脚的功能说明
管脚 管脚号 功能说明
A7至A0 10,9,6,5, 每段录放音的入口地址,在录音放音开始前必须
4,3,2,l 先设置入口地址,地址范围是:0000O000至100111ll,
用十进制表示为0至159。即共有160个入口地址,从
理论上讲最多可分160段录放音。每个最小段的录放
音时间为0.125秒。
VSSD 12 数字电路的电源地线。
VSSA 13 摸拟电路的电源地线。
SP+、SP- 14、15 外接放音场声器。如果只从其中引出单边音频信号送到外
部音频放大器进行放大,那么另一个管脚应该悬空。
VCCA 16 模拟电路的电源正极,为+4V。
MIC 17 话筒输入端。
MICREF 18 话筒前置放大器的参考电位,外接0.1μF电容到电源地线。
AGC 19 内部放大器的自动增益控制端。
AIN 20 内部A/D转换器输入端。亦为线性输入端。当作为线
性输入端时,AIN与AOUT之间的耦台电容应去掉。
AOUT 21 话筒前置放大器输出端。话筒信号是通过一个耦合电容
经此脚送到AIN管脚进行A/D转换的。
PLAYL 23 放音控制键,低电平有效。
PLAYE 24 放音控制键,负脉冲有效。
RECLED 25 录音状态指示信号。当SR9G26进入录音状态时,该管脚
变为低电平。
REC 27 录音控制键,负脉冲有效。
VCCD 28 数字电路的电源正极,为+5V。
NC 7,8,11,22, 不用的管脚。
26
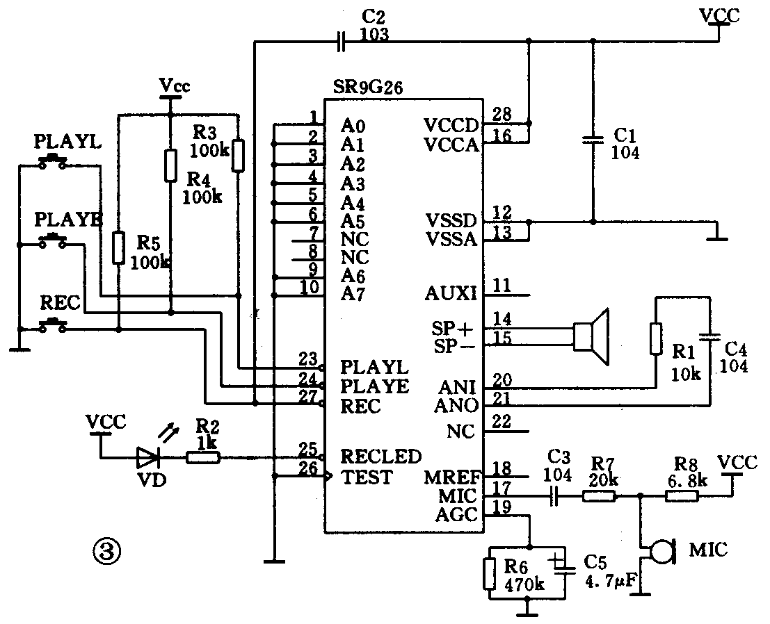
SR9G26的应用非常简单,只需外接几个电阻电容就可以构成一部录放机(参见图3)。图3构成的录放音成品板的录放音时间最长为20秒。

图3的工作原理很简单,使用也很方便。录音时按下录音键REC不放,VD指示灯亮,表示SR9G26进入了录音状态,这时从话筒输入的声音就开始录制到SR9G26的内部EEPROM之中了。当松开录音键或VD点亮的时间超过了附表所规定的最长录音时间,VD会熄灭,表示已录音结束。这时即使把电源去掉,录进SR9G26的语音也能永久保留下来。如果要录制新的语音,只需重复以上的操作就可以了。SR9G26具有两种放音控制方法,一种是电平控制,一种是下降沿控制。放音键PLAYL为电平控制,按住PLAYL键不放,SR9G26进入放音状态,当松开PLAYL键后或放音进行到录音时的结束地址时,放音马上结束。
放音键PLAYE为下降沿控制方式。只需触发一下PLAYE键就可以使SR9G26进入放音状态。放音进行到录音时的结束地址时,放音马上结束。
图3电路已制成成品板供应。该产品板可应用于许多场合,例如电脑话务员、语音窃听器、语音报警器、仪表仪器语音提醒器等。(杨跃华)