图1是HY-I型电子录音机外形结构图,其体积86mm×53mm×9mm,整机包括电池仅重50g。主要功能和特点:1.应用了直接模拟量信号录音和放音技术,无需A/D和D/A转换,更不用磁头和磁带,充分保留了语音的有效成份,从而达到高保真效果。2.采用E2ROM存储器,不用电源可长期保存信息。3.具备时钟显示和钟控及小睡提示功能。当达到预置定闹时间时,能自动启动录音机播出事先录入的语句,并可每隔5分钟自动输出提示语句。4.使用两枚3V钮扣电池串联供电,静态电流小于5μA,工作电流约25mA,耗电极省。该机信噪比约为43dB。HY—Ⅱ型机外形尺寸与I型机完全一样,它除了无钟控功能以外其它都相同。

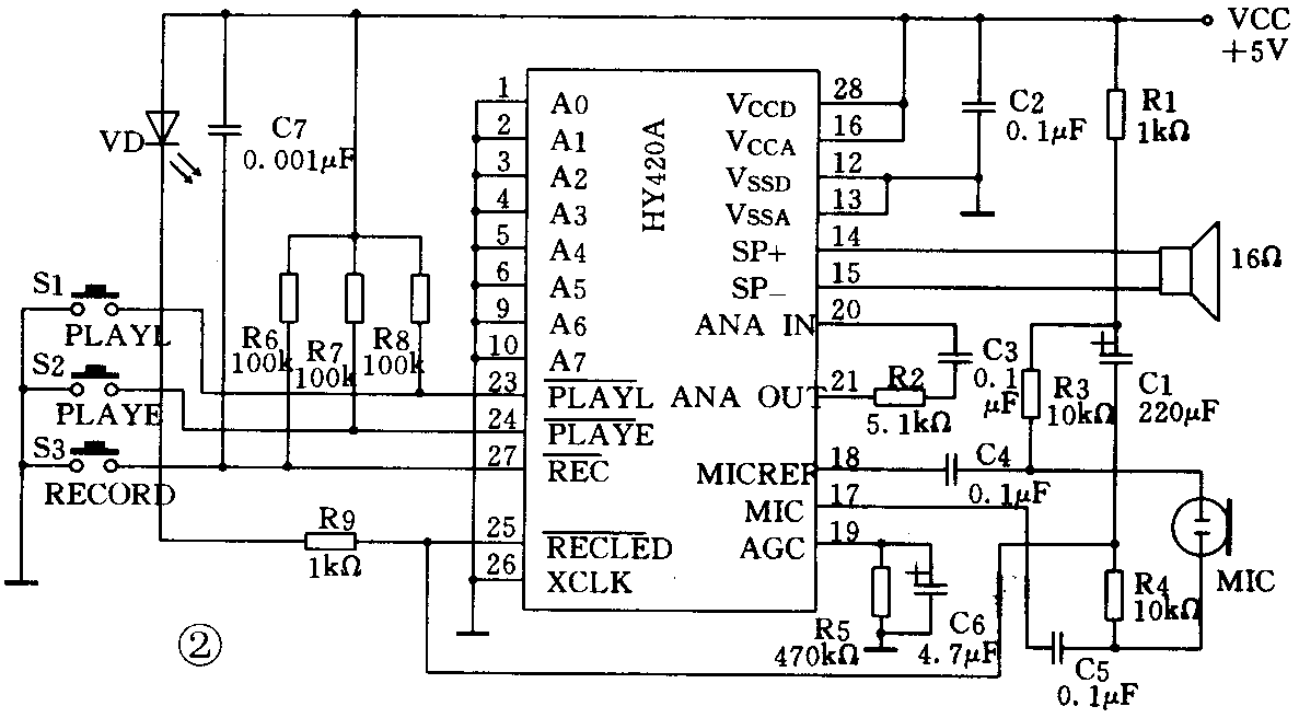
HY型电子录音机采用了美国信息储存器件公司最先进的单片记忆型语音录放集成电路HY420A或者HYll0A。电路内部包括了时钟、擦写存储器、差动放大器等高品质语音录放系统所必需的单元电路。图2是HY420A的典型应用图。A0~A7为地址端,它具有分段控制和多种操作模式(见表)供用户选用。HY420A录放时间为20秒,最多可分为160段(有关分段等内容见附送资料)。HY110A录放时间为10秒,不可分段。图3是应用电路图。如采用贴片元件,图3电路可布置在一块25mm×30mm的单面线路板上。图2、图3中的“PLAYL”和“PLAYE”只需接其中一个。(王南阳)


