TN-6C型机心是目前市场上常见的普通型袖珍单放机及Walkman、手持式卡拉OK等收放音机和单放机的主导配套机心。常见的整机牌号有:熊猫SL-2101、飞达FX205、KA799、乐羊LY828A、京华JW86、JW88、JW92、JW96、雷灯WS—209、三洋83A、波特CT-39、CR39、豪达686、狮龙W16、冠达200、NOVA-CP1098、三悦SL-901等。该机心体积较小,当带盒装入机心后,供、卷带轮轴芯上部空间可被带盒遮盖(即机心外形尺寸小于带盒外形尺寸),因此,具有重量轻,零件少的突出特点。
为帮助广大用户了解和检修这类机心,现将该机心结构机理、各类故障检修方法做一介绍。
一、结构原理
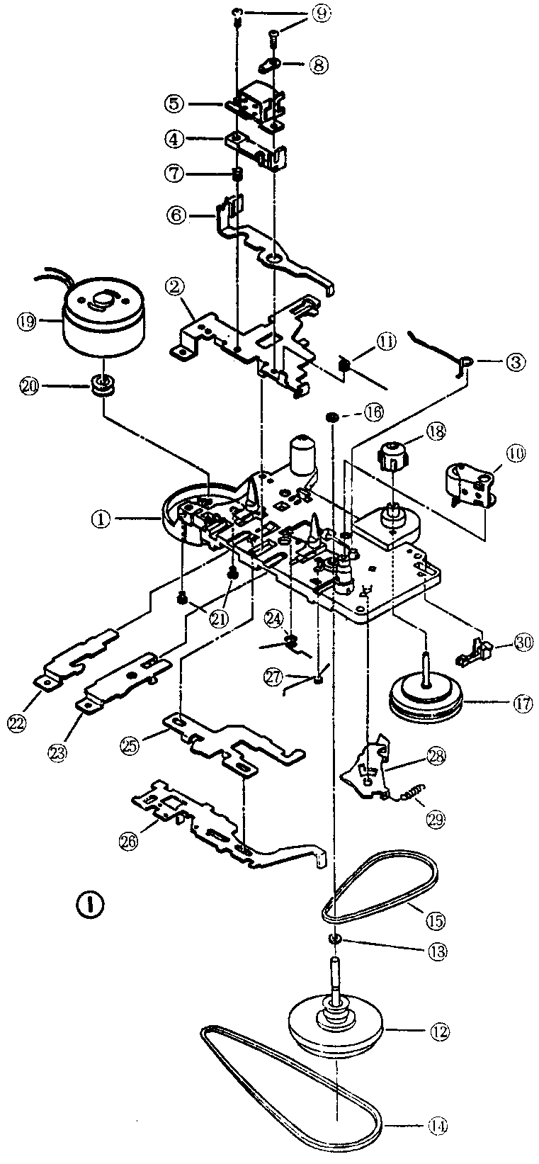
该机零部件分解、组装如图1所示。图1是该机心维护、检修时不可缺少的重要参考图,它展示了各类零部件之间的装配关系,用户只要认真查阅此图,按照零部件标号,对照下表机心零部件名称,沿图示指示线,就可找到其装配位置,大大方便了维修。

TN—6C型机心零部件名称规格表
图号 名称 图号 名称
1 底板组(压入Φ2×Φ3.8×11.6 含油轴承) 16 主导轴限位卡圈Φ1.55×Φ3.8×0.5
2 磁头滑板 17 卷带轮组(轴、阻尼盘、羊毛毡、滑轮)
3 磁头滑板扭簧 18 卷带帽
4 磁头座 19 微电机
5 磁头 20 电机传动轮
6 自停触杆组(触杆臂、触头) 21 电机螺钉 M1.7×2(2个)
7 方位用调整簧 22 快进键
8 焊片 23 停上键
9 磁头螺钉M2×4(2个) 24 键臂簧
10 压带轮组(压带轮、轮架、轮轴) 25 锁键板
11 压带轮扭簧 26 开头板
12 飞轮组(主导轴、飞轮滑轮、座、片) 27 作用扭簧
13 主导轴垫圈Φ2×Φ3.5×0.3 28 自停臂
14 主传动胶带 29 自停臂簧
15 副传动胶带 30 片式开关
1.驱动机构传动原理:图2是驱动机构传动原理图。机心的左端供带座注塑出一个光轴(为引导轴),由于该机为放音机配套机心,取消了倒带功能(倒带可通过翻带由快进完成),故没有倒带传动机构。该机采用主传动带和副传动带两路传递的方式。主传动带一端套在微电机传动轮的勾槽内,另一端套在飞轮体的勾槽上。副传动带一端套在与飞轮压装为一体的滑轮勾槽上,另一端套在卷带滑轮的勾槽上。当按下放音键时(放音键与磁头滑板一体),如图3所示。磁头滑板便前进,使压带轮、磁头分别压向主导轴、磁带。由于磁头滑板带动开关板右移(图1),使之接通片式开关,接通微电机电源,微电机转动,通过电机轮带动主传动带,由主传动带带动飞轮逆时针转动。飞轮上的滑轮带动副传动带,使卷带滑轮也逆时针转动,使之把压带轮、主导轴输送过来的磁带及时绕进磁带盒的卷带盘芯内。在卷带系统中,增设了打滑机构(图4),用以平衡卷绕磁带过程中的差速变化,目的是让卷带帽的转速随着带盘直径的变化而变化。当卷带盘直径由小逐渐增大时,阻尼盘与羊毛毡之间随之打滑,使卷带帽的转速随之变慢。图4中的卷带轴与卷带滑轮、卷带轴支撑孔为滑动配合,而与卷带TN-6C型机心零部件名称规格表帽、阻尼盘、锁紧盖内孔紧配合。当卷带滑轮获得动力后,通过其上端面与羊毛毡的摩擦使阻尼盘、卷带帽获得卷带力矩。卷带力短的大小是由压簧的正压力大小决定的,也就是说压簧压力越大,输出的力矩也就越大,反之输出的力矩就越小。由于该卷带系统没有卷带力矩调整装置,只要机心装好后,羊毛毡正压力就不能调整了,日常维修需要调整时,只能按图4分解图,对其拆卸,以改变压簧弹力进行力矩的调整,图中所给出的几个参考数据是重要的调整参数。



2.快进状态的传动原理:推动快进按键,可使机心进入快进状态。此时磁头滑板不前进,而快进键仍驱使锁键板沿图1右方移动,使之接通电源(片式开关),机心仍通过放音时的传递方法,使卷带帽逆转而卷绕磁带。
3.自停机构传动原理:当放音状态下,供带盘内的磁带走至尽头后,磁带在压带轮、主导轴作用下产生张力,使磁带呈绷紧状态,触头在磁带张力作用下沿图5所示的下方移动,带动触杆臂绕轴A逆转一角度,使其a处推动自停臂的b处,于是自停臂绕回转轴B顺时外转过一个偏角,使自停臂上的尖脚Q恰好对应卷带滑轮下面的凸台,由于卷带滑轮逆时针旋转,使凸台与Q撞击,从而带动自停臂继续绕B顺转,使自停臂上的弯脚f带动锁键板右移,打开放音键(磁头滑板)锁点,释放放音键,切断电源而自动停机。

二、常见故障检修
1.放音按键推动不自如有时不及时归位:放音键活动不自如、不归位实际就等于磁头滑板不归位。在正常情况下,按下放音键,磁头滑板便克服扭簧力向前移动,锁键板锁住磁头滑板,使机心呈放音状态。当按下停止键后,锁键板打开磁头滑板,使磁头滑板在其扭簧作用下迅速复位。如果磁头滑板变形,自然复位受阻,造成不能自如归位。检修此故障时,可将磁头滑板拆下,对照图3重点矫正或修锉l、2、3、4滑动摩擦的配合部位,只要这四个部位无翘曲、磕碰及划痕现象,故障即可迎刃而解。为使各摩擦面保证移动通畅,最好在配合部位涂抹少量润滑脂(如黑色二硫化钼)。若磁头滑板摩擦部位完好,问题多半出在作用扭簧上,是因扭簧力太小所致,应拆下扭簧,按图3所给定的尺寸进行检测。如扭簧扭力太小,可用适当减小θ角的办法进行调整(用手捏动两端的弹簧钢丝),以提高扭簧的作用力,加大它对磁头滑板的反作用力。倘若扭簧永久变形或损坏,可按图3所示配制。
2.快进按键不能正常释放:当快进动作完成后,手按停止键,快进按键不能正常释放。这类故障与前一故障相似,但它是由快进键本身被其它零件别弯所引起的,可拆下快进键,将其置于平坦处用木锤矫正,要认真平整图6所示的剖面线配合部位。若检修时发现快进键上的扭簧脱落,应重新挂好。如果扭簧作用力较小,应将其拆下加大其θ角,以增加其反向作用力。锁键板变形时也时常出现这类故障,应拆下锁键板进行矫正调整。

3.带速不稳,抖晃大:该机心抖晃指标较差。当机心抖晃指标超过0.6%RMS值后,放出的声音明显失真,声音不但颤抖而且断断续续。排除这一故障可从以下几个方面着手:①首先对压带轮压力进行矫正,压带力过大或太小对带速抖晃均有相当的影响,解决的方法是,拆下压带轮架上的扭簧,按照图7所示情况对比调整。θ角加大时压带力就加大,反之压带力将减小。②检查卷带系统中的羊毛毡是否是叠起状态,应用镊子夹持羊毛毡将其抻平。如卷带状态下手捏卷带帽,手感力矩很小,说明抖晃由此产生。调整卷带滑轮对羊毛毡的正压力是解决这一故障的唯一途径。可将机心翻到反面,将卷带帽垫于平坦处,用一圆筒(如笔筒),对正锁紧盖(图8),用手锤轻轻敲打,使图8所示的S距离减少些,这样使压簧的正压力增加,卷带力矩方可提高。如经调整力矩仍然很小,说明压簧或羊毛毡失效,可参照图4所给定的尺寸进行拆卸、更换。③微电机不稳速,也会出现带速不稳抖晃大的故障,检修时,先采用新电池供电,如在最小音量下,抖晃较小,当开大音量后,随着音量的加大而抖晃也加重,说明电机不稳速了,应当更换新的微电机(型号为:RF-300C)。另外,微电机上的两个安装螺钉(见图1)要紧固适当,螺钉伸入电机螺孔的长度不得大于1.1毫米(螺钉全长必须小于或等于2毫米),如果选配或紧固失当,就会使电机壳体变形或使螺纹铁屑挤进电机转子,造成输出力矩减小及抖晃等故障。④飞轮、主导轴系统出现故障,对抖晃、带速影响很大。该机心飞轮、主导轴系统的结构和装配关系如图9所示。飞轮滑轮沟槽、飞轮小滑轮沟槽粘有杂物或边缘倒入沟槽内,均会使主传动带和副传动带运行波动,而影响带速波动,抖晃增大,应用刀片或什锦锉清除。该机飞轮轴向间隙是靠装配工艺保证的(正常状态0.1~0.5毫米),如果飞轮轴向间隙小于0.1毫米甚至为零时,便会由此产生抖晃。可用一小于Φ2毫米的铁钉,对正主导轴球头端轻轻敲打(如图9所示),使主导轴距卡圈处C的距离加大些(一般为0.25毫米),故障即可排除。⑤两条传动带任一条上粘有杂物均影响带速抖晃的变化,应将其清洗或打磨。如传动带出现龟裂或松驰现象,说明传动带已老化,应更换新的传动带。



4.自停机构故障:①触杆臂变形,使其在自停时移动受阻,从而使传递到自停臂上的推力中断,造成不自停。应参照图1,拆下自停触杆组,对触杆臂校平或用钳子夹持调整。②触杆臂尾部(见图5a处)未插入底板方槽内,使其拨动自停臂的传递力中断。可用小螺丝刀,将其尾部a处拨入(或压入)底板槽内。③自停触头与磁带盒定位轴不在同一中心线上,造成自停失灵。正常情况下,自停触头的小圆R对正定位轴的轴心(如图10所示),由于触杆臂厚度较薄(0.5毫米),其90°的打弯处很容易变形,只要打弯处大于或小于90°,就必然使小圆R离开定位轴轴心线AB,也就是说AB中心线与CD线不能重合,这样自停时的带张力发生改变,造成自停失灵。遇此故障,着眼点是校平触杆臂,再用钳子夹持其打弯处,调整到图10所示的最佳状态。④自停臂变形所引起的自停失灵。一般有两种可能:a.自停臂的F处沿图11所示的右边倾倒(变形)。当自停时其尖脚与自停凸台不能保持1.0毫米的啮合量,或脱离凸台,会造成自停失灵。这种故障很容易检查,可将机心翻至反面,参照图11,一手转动卷带帽,另一只手活动自停触头,就能观察到这种故障的所在。可用尖嘴钳子夹住自停臂F处,向图11所示左边轻轻掰动,让尖脚与凸台保持1.0毫米的啮合量,故障即可排除。b.自停臂向图11所示的H方向上翘,使自停臂尖脚越过凸台上端面,自停时尖脚不能与凸台撞击,造成自停失灵。可用钳子捏住自停臂尖脚向图11所示的下方掰动,只要让尖脚与凸台结合,故障即刻排除。⑤自停臂上的拉簧(自停臂簧)脱勾或拉力过大均可导致自停失灵。拉簧脱勾,可夹特拉簧挂耳重新挂好,若拉簧丢失,可重新绕制或配制。拉簧拉力过大,自停时的带张力克服不了自停臂机械阻力,造成不自停。可用小螺丝刀插入拉簧中间,让拉簧伸长些,故障即可排除。(李敦信)

