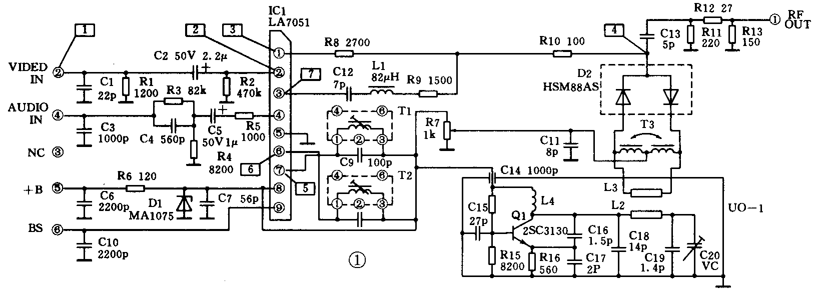
L15录像机射频变换器是以集成电路IC1(LA7051)为核心构成的。在集成电路IC1的内部有PAL—D和PAL—I两个第二伴音中频振荡器,因此,可谓制成PAL-D和PAL-I制电视射频信号输出。具体电路如图1所示。

线圈T1和C9,接在IC1的⑦脚,线圈T2和C8接在IC1的⑥脚,它们分别为PAL—D、PAL-I制伴音中频振荡器的谐振回路,谐振频率为6.5MHz和6MHz。线圈T1和T2的公共端接在IC1的⑧脚,同时⑧脚也是稳压12V的输入端。ICI的⑨脚为伴音中频振荡器的选择控制端,当IC1的⑨脚为高电平时(8.8V),接在IC1第⑦脚的谐振回路T1和C9工作,谐振频率为6.5MHz,工作在PAL-D制。当ICl的⑨脚为低电平时(0V),接在IC1第⑥脚的谐振回路,T2和C8工作,谐振频率为6MHz,工作在PAL-I制。
由视频电路送来的视频信号从射频变换器的②脚输入,经耦合电容C2将视频信号送入IC1的②脚,经钳位放大后,从IC1的①脚送出。由音频电路送来的伴音信号是从射频变换器的④脚送入的,并通过由C3、R3等构成的预加重网络后,经C5、R5送入IC1的④脚。伴音信号经过调频处理以后,从IC1的第③脚输出,并通过C12、L1、R9与经钳位处理的视频信号混合在一起,送到调制器调制到图像频载上去。调频音频信号的载频由T1或T2决定,并受由射频变换器的⑥脚(BS端)提供的电平控制。该脚直接接到IC1的第⑨脚,以控制伴音载频的频率(6.5MHz或6MHz)。图像载频的频率由Q1组成的振荡器来决定,该振荡器的振荡频率可用C20来进行微调,使射频变换器的输出频率在PAL-D制时为UHF频段的24~27频道,在PAL—I制时为UHF频段的32~40频道,调制后的射频信号通过C13、R12送到射频变换器的①脚,并由射频输出插座(RF OUT)将射频信号输出。
当录像机使用时发现射频输出无图像,无伴音或图像、伴音不正常,可改用视频输出和音频输出端与监视器连接。若此时图像、伴音正常,且射频输出插座及射频电缆完好,可初步断定为射频变换器故障。
修理时,将TEST SIGNAL开关置ON位置,此时射频变换器的视频输入端为机内的测试信号。在图2中给出的均是在测试开关(TEST SIGNAL)置ON位置时的各主要点的波形。表1给出的是采用MF10型万用表在测试开关置OFF位置,制式选择开关(TV SYSTEM)置PAL-D/SECAM.DK位置时对射频变换器各引出脚的测试数据。当测试开关置ON位置时,射频变换器的第②脚电压为5V。射频变换器的第⑥脚(BS端)实质是制式选择的电压控制端。该引出脚受控于制式选择开关(TV SYSTEM),并与射频变换器内部的集成电路ICI的⑨脚直接相连。当制式选择开关置于PAL-D位置时,射频变换器的第⑥脚为高电平8·8V,置于PAL—I位置时,为低电平OV。表2给出的是IC1(LA7051)各引出脚的测试数据。表1和表2中的在路电阻值均是用R×lk档测量的。其中,IC1(LA7051)的在路电阻(见表2)是在拆下射频变换器以后测量的。



视频部分的故障判断:当 TEST SIGNAL开关置ON位置时,射频输出端馈送给电视机的信号为机内测试信号。此时用示波器测射频变换器的②脚,应有如图2所示的测试信号的波形,否则说明测试信号没有送人射频变换器。如果在集成电路IC1的②脚也能测到这样的波形,则说明视频信号能正常地经耦合电容C2送到IC1的内部进行钳位放大。经IC1钳位放大以后的视频信号从IC1的①脚输出。因此,测集成电路IC1的第①脚,也应有相同的波形,否则说明LA7051有问题。
音频部分的故障判断,当录像机工作在PAL-D制式时,测量集成电路IC1的第⑦脚电压应为7.4V。同时,电视机中的扬声器应有噪音出现,用示波器在ICI的⑦脚可测到伴音载频的波形,见图2。录像机工作在PAL-I制式时,测量LA7051的⑥脚电压也应为7.4V,同时,电视机中的扬声器也应有噪音出现,用示波器也可在该点测到伴音载频的波形。
经上述检查基本正常时,可检查由Q1组成的振荡电路是否能正常工作,该振荡能否对射频信号进行正常的调制。
检修实例:一台L15录像机,射频输出图像扭曲,伴音正常,改用视频线路输出时图像正常。初步判断为射频变换器故障,将TEST SIGNAL开关置ON位置,观看两竖白条测试信号,为一白一黑。根据现象分析,IC1(LA7051)对视频信号和伴音信号的处理基本正常,引起上述故障的原因可能是射频振荡幅度不足或对信号不能进行正常的调制,因此,首先对射频变换器中的二极管调制器D2(HSM88AS)进行检查,拆下测量发现反向均略有漏电的现象,这种元件很难购到,试用两只1N4148直接代用,效果很好。(张晓光)