自从发表了用M50436-560SP系统改装彩电的文章以来,有很多读者用厂方提供的套件改装彩电获得成功,但由于每个人的条件不一样,被改的彩电多种多样,因此难免会遇到各种问题,笔者结合自己遇到的问题,以及用户咨询中常提到的一些问题,谈一下自己的体会。
改装中发生的问题
1.改装后无屏显(常见于日立机心)。
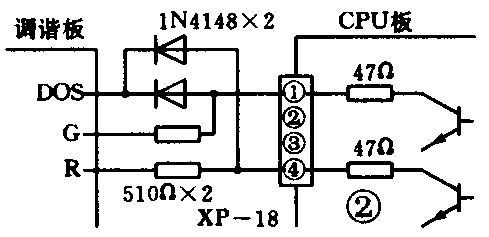
其主要原因是行脉冲取得不对,因本系统要求加到CPU的行、场脉冲的极性为正极性,脉冲幅度为3~5V,而日立机心其灯丝绕组上应为负脉冲(脉冲头朝下),因此应从高压包别的绕组找出正脉冲经分压后送到CPU板,业余条件下无示波器,可在行输出管集电极对地加一个分压电路,如图1所示,注意这两只电阻应接在高压包附近,而且要就近接地。

2.屏显效果不好,而且颜色也不对。
我国彩电视放级输入大体分为两种:一种是R、G、B方式,其视放管基极电压约为2~3V;另一种是色差方式,即R-Y、B-Y、G-Y,其视放管基极电压约为6~8V。对于前者CPU板应将其屏显驱动三极管发射极电阻取下来,使它变成二极管输出,接到视放管的基极。后者则应采用三极管方式输出,接到现放管的发射极。
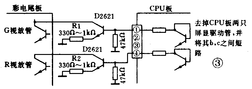
3.屏显较弱。
飞利润CTO-93机心可采用图2的方法。对于其他种类机心可用两只高反压管直接接到彩电视放管集电极上,具体线路见图3。注意:①调整R1、R2两只发射极电阻,可改变得显强弱。②屏显驱动三极管的集电极与彩电视放管集电极之间的连线尽量要短。


4.屏幕显示字将时屏幕上出现条状干扰。
这是屏显脉冲输出辐射并被电视天线接收所造成的。将屏显输出线换成屏蔽线或将它外接天线与电视机连线换成同轴电缆即可解决。
5.改造本机键盘后手动按键不起作用。
原因有两个:一个是原机印制板连线线条断得不干净。另一个就是接线错误,常改装的爱好者最好自己做一块键板,这样很快就能判断此故障。
6.不能遥控。
原因有两个:(l)遥控器故障:业余条件下测试遥控器的方法是将一个收音机旋钮旋到中波低端,将遥控器发射管部分靠近收音机,按任何一个键,收音机应能发出“达达”的声响,否则该遥控器有故障。(2)接收器有故障:将接收器插头插在CPU板对应插座上,用万用表测量信号端,正常时电压应为4.6~4.8V,当用遥控器发射信号时,表的指示应降低0.5V左右,否则该接收器有故障。
7.在切换电台时跑台。
一种原因是彩电AFC曲线偏移造成的,另一种是CPU板BT输出与高频头阻抗不相配。前者应重新校正AFC曲线,后者可在CPU板BT输出加一级射极跟随器,以降低输出阻抗,见图4。

8.改装后模拟量控制不理想。
这个问题主要是CPU板模拟量输出电阻调整不合适造成的。调整电阻的原则是:如果模拟量控制变化过大,应加大输出电阻。如变化过小,则应减小输出电阻。如果原机模拟量电位器影响控制变化范围,则可以将其去掉。
9.改装后屏幕上有干扰。
干扰的情形大体有三种:①屏幕左侧有助条干扰,这通常是由于引出的行脉冲造成的。解决方法是将行脉冲插座的地线去掉或接到高频头外壳地上去。②屏幕上有斜条干扰,但一按静音键就消失了。这是由于伴音控制输出(CPU板)滤波不干净造成的。通常是CPU板音量控制射极跟随器基极电容C05未焊造成的。当音量控制由负控改为正接时,应将电解C07焊下装到C05的位置上。③屏幕上的斜条干扰发生在V段或U段,按静音键也去不掉(常见东芝两片机或夏普机心的彩电)。这类彩电在主板上都有波段控制晶体管,通常改装前波段切换都为低电平有效,在改装时都要将这些晶体管去掉。因为它们容易引起干扰。虽然可以在有干扰的波段控制上加100μF电解电容退耦,但这可能引起波段切换缓慢,最好的解决办法是在CPU板波段控制输出加三个倒相电路,使其也变成低电平有效,然后再引入到彩电波段控制管的基极,这样就可以较彻底地消除干扰。倒相的具体电路见图5。

安装遥控附加器的操作顺序
1.先接电源控制,然后插上接收头,用遥控器控制开机,关机,这样可以检验购来的CPU板遥控器。
2.接屏显控制线及行场脉冲引入线,然后开机看字符显示是否正常,颜色、位置、深浅是否满意,字迹是否清楚。
3.按改装说明将CPU板模拟量接口元件调整好,然后接入模拟量控制+12V,开机,用遥控器对模拟量进行控制,同时对CPU板上模拟量接口电阻做进一步调整,以达到满意的控制范围。
4.接入高频头控制:包括波段控制,调谐控制,+30V引入,此时可用自己的按键板接入进行全部功能的检查。
5.改造本机键盘板。固定红外接收头和CPU板。
按照这个顺序改装彩电,一旦发生故障,可以将故障范围缩到最小,千万不要一上来就割改键盘,将电视机大拆大卸,这样一旦发生故障,很难确定故障原因。
本文举例的彩电遥控系统是北京和平电视配件厂产品。该厂市场部提供:两个系列彩电遥控附加盟:①三菱M50436-560SP系列:M1,M1A型:预选30套节目,对音量、色度、亮度、开/关机、静音功能实现遥控,并具有屏幕显示功能,单价215元;M1B型:除具有M1A型全部功能外,增加了交流关机,自动搜索功能,AV/TV转换接口和NTSC/PAL制式转换接口,单价230元。②飞利浦CTV—320系列:CA-1型:可预选90个频道,可对色度、亮度、音量、对比度、开/关机、定时关机、自动搜索实现遥控,单价215元;CA-2型:除具有CA-1功能外,增加了交流关机,AV/TV转换接口和NTSC/PAL制式转换接口,单价225元;CB-l型:除不具有关机功能外,其余功能同CA-l,单价188元。邮购时每套加邮费5元。欢迎设点合作,批量优惠。市场部办理邮购:电话:5001166—8405,4373279,邮编:100027,联系人:石仁秋,开户行:北京工行关东店分理处东大桥城信社,帐号:031526-04,地址:北京朝阳区新源路8号,华都饭店8405室。(白光宇)