小型音箱的优点很多:结构简单、易于设计、声像定位准确、音乐表现力强,再加上用料少、成本低、占地小等优点,使得小型音箱深受音响“发烧友”的青睐,成为不少爱好者的首选音箱。
产品化的小型音箱型号很多,然而经得起时间考验的产品却廖廖可数,国内常能见到的只有Celestion 600/ 700、ProAc Tablette Ⅲ以及大名鼎鼎、如日中天的LS3/5A三剑客:RogersLS3/5A、Harbeth LS3/5A和Spendor LS3/5A,另外还有若干小厂产品,如:Goodmans 3/5A、M33/5A等等(据说前不久还造出过“广州3/5A”,掀起了小小的波动)。由此可见LS 3/5A标准制造的音箱几乎成了小型监听级扬声器的代名词了。
所谓LS 3/5A标准,是指英国广播公司(BBC)在70年代制订的一套针对小型监听级扬声器箱设计与开发的技术标准,只有严格满足了该标准并经过认可的产品,才可以冠以“××LS3/5A”的名号。
笔者在多年前搜集、查阅了有关LS 3/5A标准的资料,自制了一对“土炮3/5A”,现已实用近五年,与其搭配过的体系有“SONY CDP-991 CD机+PIO-NEER A-757功放”、“DENON2560 CD机+自制2A3P-P纯甲类推挽胆机”,其间我也过手了若干大大小小的音箱,但始终未曾放弃过这位“老朋友”。
扬声器单元的选择
制作小型音箱,最关键的是要选好扬声器单元。我曾经尝试用过几种牌子的国产及进口扬声器单元,结果不论是客观技术指标,还是主观试听评价,以及场声器单元的工艺质量,都无法与KEF的Bll0五英寸中低音单元加同厂牌的T27球顶高音单元相媲美。它们的实测频响曲线及测试用滤波器电路分别见图1及图2。


箱体的制作
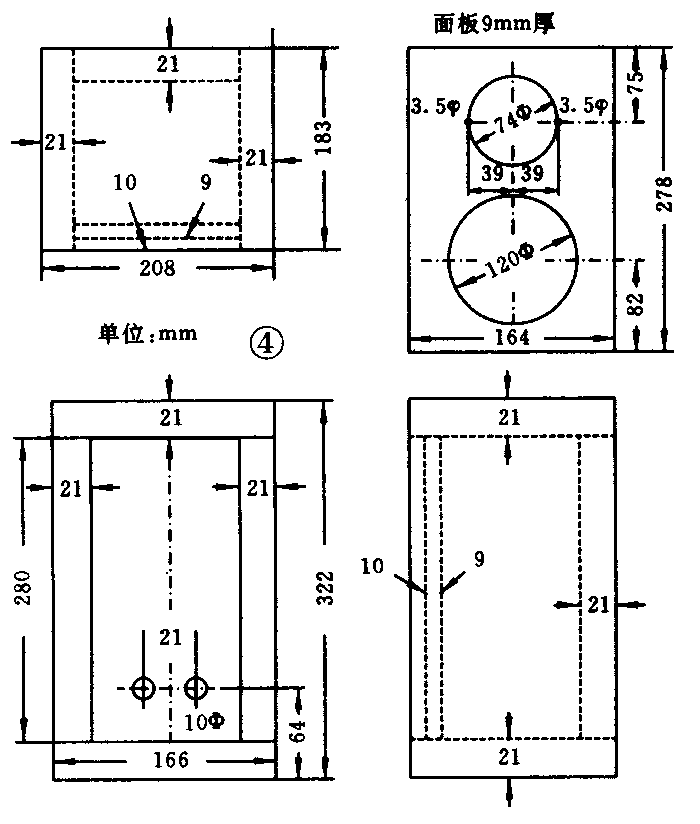
借鉴3/5A标准,箱体采用密闭箱结构,内加吸声棉,容积为8升左右,用料为21mm厚的多层胶合板,这种多层胶合板的木质纤维相互交错,不易变形,与中密度板(MFD)相比,防潮性能及加工性能都较好,而且表面还有漂亮的木纹。买一张1.2×1.2m的多层胶合板,实际只用半张就够了(如果你的木工水平过硬的话),下料图见图3,另外还需准备一些1.5cm见方的木条作接合处的加强条。音箱的安装结构图见图4,需注意面板是凹进去1厘米的。全部以乳胶粘接牢固,内加衬条。


全部粘接完毕之后,用角尺测量各边是否严格垂直,然后固定住,在阴凉干燥处静置24小时,这一点非常重要,待乳胶完全干透后,方可除去固定夹,再用方木包上细砂纸细心打磨各个表面及接缝,使箱体光滑平整,然后进行刷漆。将清漆调至适度,用鬃刷细心涂漆,漆层要薄,每刷一层后,静置干燥一段时间,待漆层干透后,再刷第二层,反复涂刷几层即可。
分频器的制作
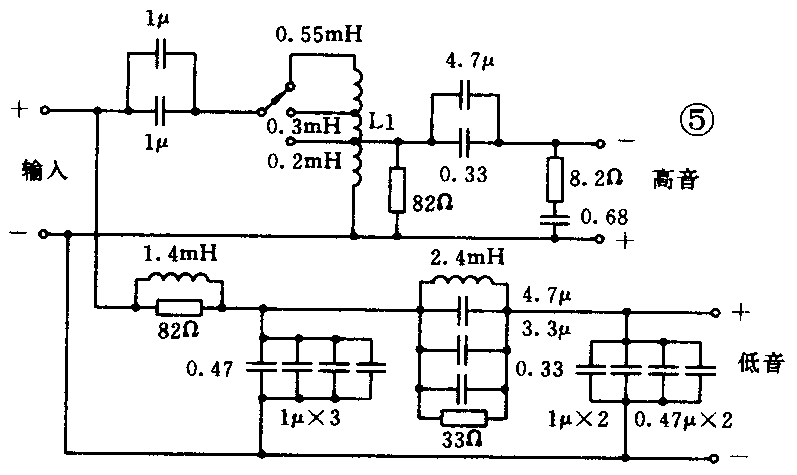
分频器的电路如图5,采用18dB/oct的电路结构,分频点在3kHz左右,高频单元加有RC补偿电路,使全频段频响趋于平直。电感的绕制不再赘述,读者可参考有关书籍进行计算并绕制。选择Ll的不同抽头,可改变高频扬声器单元的工作频带,即可以细微调整听感,满足个人的“口味”。全部电容采用WIMA无极性电容。以前还不很流行“双线分音”,所以制作分频器时只设计了一对输入接线柱,有兴趣的“发烧友”不妨将其稍加改动,作一对Bi—Wire的“土炮3/5A”!音箱内部连线为导体直径2mm的180芯无氧铜线。

安装扬声器单元的螺钉需用黄铜材料的,不能用普通的铁钉,避免扰乱扬声器单元的磁场分布。用纱布包裹长纤维自然棉作吸声材料,贴在音箱内壁上,厚度为2厘米即可。
实际试听
这对音箱的主要特点(注:并非缺点)是效率较低,在90dB以下。所以要求扩音机的输出功率较大,晶体管机每声道要大于100瓦,胆机最少也得20瓦。而且听音室不可太大,有15平方米即可(正合适普通家用)。
笔者在3×5米的普通家庭听音室内,加80厘米脚架,以先锋A-757功放(140W×2)推动,这对小音箱表现为音色自然、流畅,声像定位准确;而用2A3PP纯甲类胆机(15W×2)推动时,音色甜美、圆润,具有更开阔的音场。太多的主观感受不便多讲,读者可自行体验一下。(杨晓锋)