SS0001是专门为各类传感器的信号处理及控制而设计的集成电路,具有设计范围宽广,使用方便等优点。
特点与管脚功能
1.独立的高输入阻抗运算放大器,可与多种传感器匹配。
2.内设时间定时器和闩锁定时器,调节范围宽。
3.内置参考电源。
4.工作电压范围宽:+3.5V~+6.0V。
5.采用16脚标准塑料封装。
SS0001的管脚排列图见图1,1脚A为触发控制端,当A=“1”时电路允许再触发;A=“0”电路不可再触发。

2脚V0为控制信号输出端,它由电路内部VS信号的上跳变沿触发使V0从低电平跳变到高电平时为有效触发。
3脚RR1和4脚RC1为输出延迟时间Tx的调节端。 Tx≈50×10\(^{3}\)R1C1。
5脚RC2端和6脚RR2端为闩锁时间Ti的调节端。 Ti≈24R2C2。
11脚V\(_{DD}\)和7脚VSS分别为电源正端和负端。
8脚V\(_{RF}\)端为参考电压及复位控制端,使用时一般接VDD,若接V\(_{SS}\)可使定时器复位。
9脚Vc端为触发禁止端。当VC<VR时禁止触发;当VC>VR时允许触发。VR≈0.2V\(_{DD}\)。
10脚IB为偏置电流设置端,经电阻RB接V\(_{SS}\)端,RB一般取值为1MΩ。
12脚2V\(_{OUT}\)和13脚2IIN-分别为第二级运放的输出端和反相输入端。
14脚1I\(_{IN}\)+和15脚1IIN-分别为第一级运放的同相和反相输入端。
16脚1\(_{OUT}\)为第一级运放输出端。
工作原理
SS0001的原理图见图2,传感器接收到的信号经第一级运算放大器OP1组成的传感信号预处理电路,将信号放大,然后耦合给第二级运放OP2再放大,将直流电位抬高为内置电压VM后送到由比较器COP1和COP2组成的双向鉴幅器,检出有效触发信号VS。由于内置电压VH≈0.7V\(_{DD}\)、VL≈0.3VDD,当V\(_{DD}\)=5V时,可有效地抑制±1V的噪声干扰。COP3是条件比较器,当输入电压VC小于内置电压VR≈0.2VDD)时,COP3输出为低电平封住了与门U2,禁止触发信号VS向下级递送;而当VC>VR时COP3输出为高电平,打开U2门,此时若有触发信号VS的上跳变沿到来,则可启动时间定时器,同时V0输出为高电平进入延时周期。当触发控制端A接“0”电平时,在Tx时间内任何Vs的的变化均被忽略,直至Tx时间结束,即所谓不可再触发工作方式。当Tx结束时V0下跳回低电平并同时启动闩锁定时器而进入闩锁周期Ti,在Ti周期内任何Vs的变化也不能使V0为有效状态。这一功能的设置主要是负载在切换过程中所产生的各种干扰。

若触发控制端A=“1”时,Vs可重触发V0为有效状态,并在Tx周期内一直保持有效状态。在Tx时间内只要有Vs的上跳变则V0将从Vs上跳变时刻算起继续延长一个Tx周期,即所谓可重触发方式。
SS0001电路的主要参数如附表所示。

应用举例
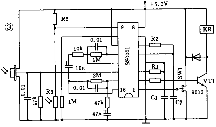
图3是热释电红外开关的电路图。热释电红外传感器是一种敏感元件,配以滤光镜片和阻抗匹配用场效应管组成,它能以非接触方式检测出来自人体的红外辐射并将其转换成电信号输出。图中SS0001的运放OP1作为热释电红外传感器的前置放大,由C3耦合给OP2进行第二级放大,再经比较器COP1和COP2双向鉴幅处理后检出有效触发信号去启动时间定时器,输出信号经晶体三极管VT1驱动继电器去接通负载。电阻R3为光敏电阻,用来检测环境照度,若环境较明亮时,R3的电阻值会降低使电路第9脚输入为低电平而封锁触发信号。开关SW1是工作方式选择开关,当SW1和V\(_{DD}\)连通时红外开关为可再触发方式;SW1和VSS连通则为不可再触发方式。

该装置能快速启动白炽灯、荧光灯、蝉鸣器、自动门、电风扇、烘干机和自动洗手机等装置,也可以用于安全保卫的自动灯光和报警系统。(王建民)