本文介绍的扫描式霓虹灯控制电路能将多个霓虹灯字灯逐渐点亮发光,然后同时熄灭,再又逐渐点亮,使霓虹灯产生较高的灯光艺术和较佳的商业广告效果。
电路原理
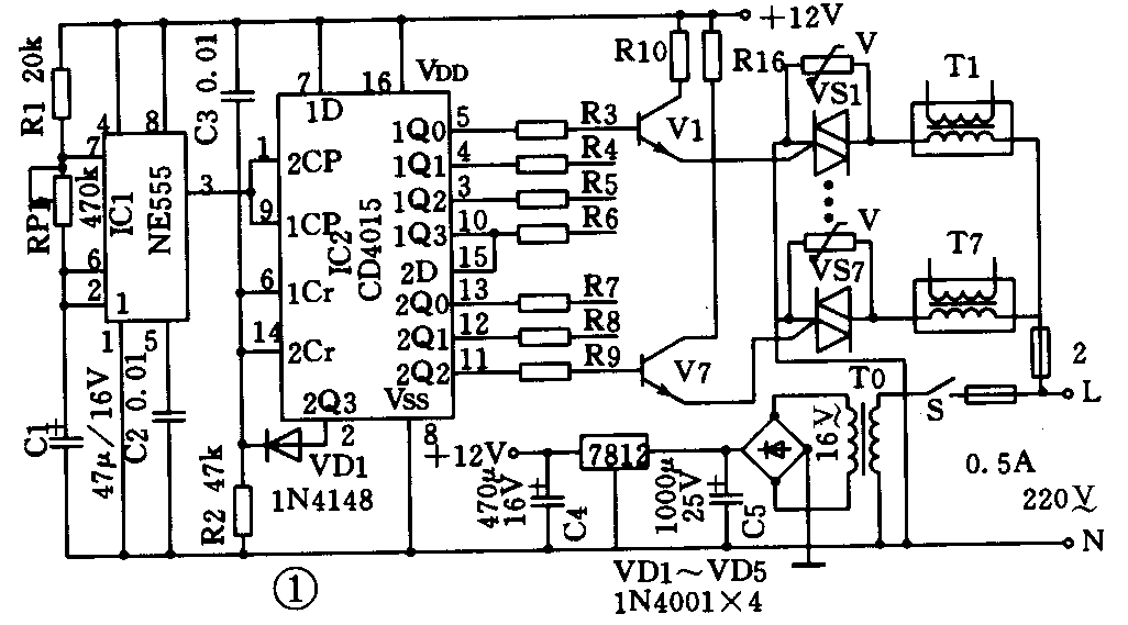
图1为电路原理图。IC1为时钟脉冲发生器。IC2为双4位串入—并出移位寄存器,其引脚图见图2,真值表见附表。将IC2的⑩脚与脚相连接构成一个8位串入—并出移位寄存器。在接通电源的瞬间,经C3和R2产生一个微分脉冲加到IC2的Cr端,迫使IC2自动复位清零,其8个输出端1Q0~1Q3和2Q0~2Q3均为低电平,三极管V1~V7截止,双向可控硅VS1~VS7关断,霓虹灯升压变压器T1~T7未得电,被控制的7个字灯均熄灭。由于IC2的⑦脚接电源正极,当IC1③脚输出第一个脉冲后,IC2通过内部移位作用使其1Q0端变为高电平,而其余7个输出端仍为低电平,此时,V1由截止变为导通,触发VS1导通,T1得电工作,驱动第一个字灯发光。当IC1输出第二个脉冲时,IC2通过移位作用,使IQ0和IQ1为高电平,VS1和VS2导通,T1和T2得电工作,驱动第一和第二2个字灯发光。随着IC1不断地输出脉冲,IC2的8个输出端逐渐变为高电平,当IC1输出7个脉冲后,7个字灯均被点亮发光。当IC1输出第8个脉冲时,IC2的2Q3端由低电平变为高电平,通过二极管VD1反馈到Cr端,使其自动清零,IC2的8个输出端又都变为低电平,7个被点亮的字灯又均熄灭,电路完成一个扫描控制周期。调节电位器RP,可改变IC1输出的脉冲周期,从而控制扫描周期。改变移位寄存器的长度可扩展被控字灯数目。


元器件选择
IC1选用NE555,IC2选用CD4015,IC3选用LM7812,T0采用220V/16V、5W电源变压器,三极管选用3DG12,双向可控硅VS1~VS7应根据负荷的大小进行选择,如选择3A/600V,则每个字灯的容量可达600VA。其余元件均按原理图标注参数选取。(龚昌来)