对于广大电子爱好者来说,万用表是一件必备的仪器,用它可测量很多电路中的参数。
但在实际测量时,由于一边测试一边看读数,特别是带电测线路板上的电压时常常会造成短路现象。如果能在测试的同时自动报出结果,将会给测试带来极大的方便。本文向读者介绍的语言万用表就可完成这种功能。
语言万用表采用微电子技术,将微处理器、语言电路、万用表读数接口电路全部制作在一片仅4×4(mm\(^{2}\))的芯片上,实现自动语言报数及数据记忆功能。
传统的数字万用表使用9伏层叠电池,价格贵,不易购买。语言万用表采用6节5号电池,寿命长,价格低。
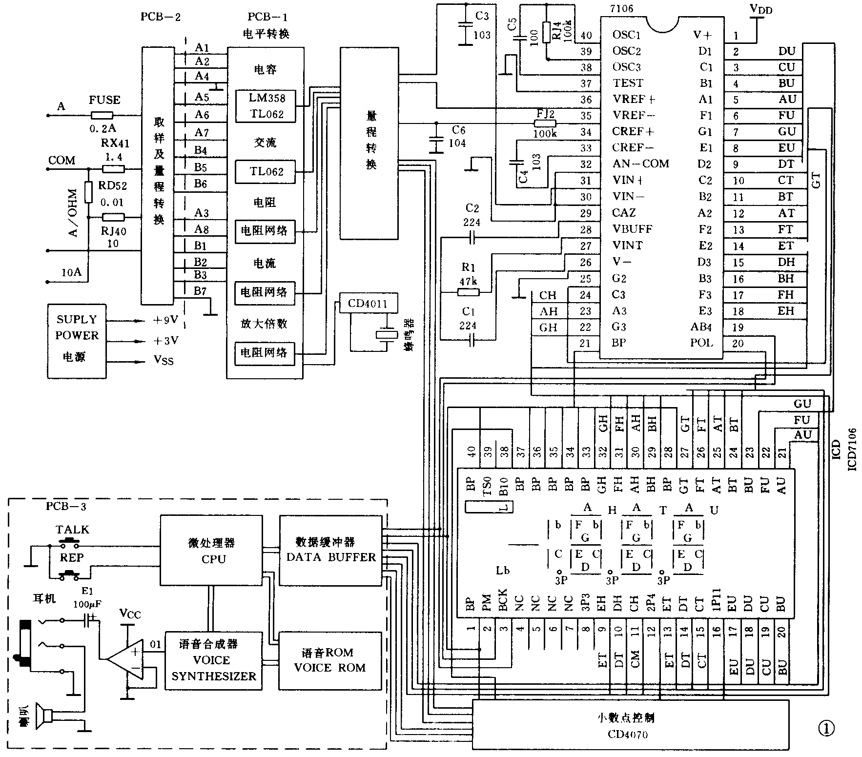
语言万用表是在传统的DT—890B型万用表的基础上,采用单片机及语言电路技术相结合的方法使测量的结果转换成中文语言播报出来。图1为TSG960A的原理图。图1由两部分构成,虚线框外为DT-890B普通数字万用表部分,另外部分即为语言处理部分(语言报数模块)。对于普通数字万用表的原理广大读者已很熟悉,这里就不再赘述。

语言报数电路由微处理器、测量数据缓冲器、语言ROM、语言合成器、功放、喇叭、触发键TALK、重播键REP等构成。
微处理器CPU是语言报数的主控制单元。每触发一次TALK键后,CPU开始进入工作状态。CPU发出指令,将万用表测量的结果经“数据缓冲器”读进CPU内部寄存器之中,CPU再对该数据进行处理,判断被测数据的属性,包括正负极性、是否超过量程、为何种单位电量、小数点的位置、数值的大小等等。然后CPU依据数据处理的结果,从语言存储ROM之中提取语言数据,送到语言合成单元进行D/A转换,合成后的语言由功率放大器放大后推动喇叭放音。
语言是分段固化在语言ROM内的。其内容是:超出量程请换档、欧、千欧、兆欧、放大倍数为、毫伏、伏、毫安、安、零、壹、贰、叁、肆、伍、陆、柒、捌、玖、拾、佰、仟、点、负、短路了共26段。在生产IC过程中,先对这些语言信号进行ADM量化,然后把这些量化得到的数字信号掩膜到ROM之中。CPU依据从数据缓冲器获得的测量结果,把ROM相应的各段内容调出来,重新组合,送到语言合成器还原为完整的一句话。
语言报数模块Y3A是语言报数万用表的核心部件,包括了图1之中的微处理器、数据采集缓冲器、语言ROM、音频放大器、语言合成电路。使用Y3A语言报数模块,很容易把普通的数字万用表改装成语言报数万用表。图2为Y3A的接口电路。

Y3A语言报数模块的主要功能是将数字万用表的液晶显示屏上的数字显示信息转换成语言信号,推动喇叭用清晰的汉语输出。图3为数字万用表LCD显示屏的示意图。其中POL为负数指示,BP为LCD的公共电极,M3为百位小数点、M2为十位小数点、M1为个位小数点,AB4为三位半万用表的半位数。这几个信号直接接在Y3A语言报数模块上。

至于三位半万用表的另外三位数据是采用分时输入的方法,将数据输入到Y3A的数据输入端Y0、Y1、Y2、Y3、Y4、YS、Y6、Y7上的。分时控制的信号分别为CTL1、CTL2、CTL3。要用三块CMOS的数据锁存器来实现这三位数的分时控制。S1、S2、S3为测量单位选择端,共有7种单位。由于电容的测量必须在面板上的电容插座中进行,而且电容的测量值要等一段时间后测量的结果才会稳定下来,所以电容的测试一直要用眼睛看着万用表,因而设置电容档的语言报数是没有太大意义的。基于这个原因,TSG960A没有设置电容的语言报数单位,而是采用与电阻档共用语言单位的方法,即用欧表示pF,用千欧表示nF,用兆欧表示μF。
S1、S2、S3的选择是通过量程转换开关来实现的。
TALK为语言报数触发端。每触发一次TALK键,Y3A就把各端口输入的数字信号用语言播报一遍。
REP为重播选择端。当REP接VCC时,触发TALK将重复播报最后一次的测试结果,即TSG960A万用表还具有记忆最后一次测量结果的功能。
在很吵杂的环境下或在夜间为了避免干扰和打扰他人的休息,在Y3A板上还设有耳机输出插座。
袖珍式语言万用表的问世,为仪器仪表行业增添了一个新成员。无论何种测量仪器只要增加“语言采集报数模块”均可以构成会讲话的测量仪器。(杨跃华)