APPLE及其兼容机使用4116或4096芯片组构主机RAM,因为使用的芯片较多,故障率也相应增大,一旦损坏,由于16k×1位的4116芯片现在已经较难买到,不少APPLE机因此而闲置或降低配置容量将就使用。与此同时,市场上64k×1位的4164芯片较易购到价格也很便宜。使用4164芯片组构APPLE RAM,8片4164即可实现24片4116的存储容量,替换下来的二十多片4116足可以解决多台机子的芯片问题,这对于经费有限的学校机房来说,投资不多就可救活一批机子,确实极有吸引力。特别需要指出的是,早期的APPLE机型RAM配置很低,这部分机子也存在一个扩充RAM容量的问题,而使用4164来重新组构存储器,无论从实用性还是经济性来看,都有一定的意义。为此,本文向广大苹果机用户介绍一个4164组构APPLE 48K RAM的方法。
代换芯片的管脚功能与线路调整
图1详列了4164与4116芯片管脚功能。从图上可以看到,4164除管脚1、8、9以外,其余各脚功能均与4116相同,可以直接使用主机板4116RAM插座,但4164的三个管脚需作如下调整。

1.4164的第1脚是空脚(NC),可不作任何处理,仍然直接插入IC插座。
2.4164第8脚是Vcc,要求输入+5V电压,而IC座第8脚是+12V电压,不能使用,因此需将各片4164第8脚向外折弯,另用跳线分别接到主板上各RAM 4116插座第9脚,以取得所需的+5V电压(为了接线方便和不致引起混乱,本文约定,RAM 4164芯片使用主板C排4116插座,下同)。
3.4164第9脚是A7端,要求输入高位行列地址信号,这个信号原机没有提供,需另行设计、现在先把此脚折弯,使之勿插入IC座、然后用跳线把8片4164的这一引脚联起来,作为A7信号引入点,以便送入后文提供的RA7信号。这一步骤焊点多,要保证焊接质量,安装时注意不要与IC座第9脚的跳线接头短路,也不要碰触相邻管子弯出的第8脚。
行列地址信号和视频地址转换
我们知道,要对4164芯片64k×1位存储单元寻址,系统16位地址信号是分时用一个8位的行地址和一个8位的列地址送进去的。本文介绍的RAM寻址方案中,系统低14位地址与4164 RAM RA6~RA0低7位行列地址转换由主板转换逻辑电路来完成,并直接送到各IC座相应管脚。高二位地址信号A14、A15与高位行列地址信号RA7转换则由图2的多路转接器来实现。由于视频显示也要由系统RAM支持,因此,这里还有一个视频地址与CPU地址映射和转换的问题。下面分别予以讨论。

地址多路转换使用一个四选一多路转接电路74LS153,由系统信号Ф0和AX控制。
在Ф0=1时,多路器选择的是CPU地址(详见图2)。从电路逻辑可知(参看表一:多路器真值表),当AX=1时,ZA(即RA7)送出A14地址信号,AX=0时,ZA送出A15地址信号。也就是说,在Ф0=1的这半个周期内,就把系统高二位地址从RAM A7送入了存储器中。表2列出了系统地址总线信号A15~A0与行/列地址信号RA7~RA0的转换关系。


Ф0=0期间,是主机为字符或图形显示而读RAM的时间。显示选址及显示方式选择也是通过多路器进行的。其中显示选址使用了主板电路,页面和精度选择则由图3所示电路来完成。下面简要讨论其工作原理。

APPLE规定,在存储器中,文本第一页地址是$400~$7FF,文本第二页是$800~$BFF,高精度图形第一页地址是$2000~$3FFF,第二页地址是$4000~$5FFF。显而易见,视频地址与CPU地址A14与A15如表3那样的映射关系,即视频地址映射CPU地址A14只在高分辨第二页时为高电平,其余时候均为低电平;而视频地址映射A15地址则在任何显示方式下均为低电平,这一逻辑关系可以直接接入一个低电平来实现。而前一逻辑关系可由页面选择PAGE信号和精度选择信号HIRES相与而得到。图3是根据这个原理设计的字符图形显示选择电路,它和主板标示为E11、E12、E13的三块74LS153一起,完成不同显示方式下视频地址到CPU地址的映射。

图4的功能是输出一个CAS-信号给所有8片4164 RAM芯片。这部分电路并未提供逻辑译码功能,实际上只是借用F2插座,用跨接线将系统CAS-信号送到C排RAM芯片CAS-端。F2(74LS139)原来设计的选列C、D、E三排RAM功能本文无须使用,可以把它拔去。对于使用RAM跨接线座的机型(Rev.0或Rev.1主板电路),应在跨接线座F1第10脚或第14脚间跨接一根短路线,以送出CAS-信号到C排RAM 4164。

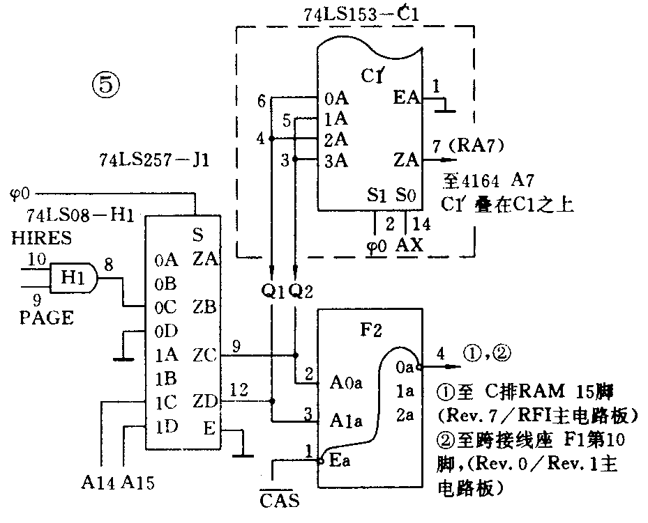
图5是完整的重组APPLE RAM的相关电路。其中虚框部分是本文介绍的转换电路,图中使用主板结构变换和逻辑译码功能,由74LS257-J1和74LS08-H1完成CPU A14、A15信号与视频高二位地址(页面和精度选择)信号的切换,电路更为简洁。用户只要把叠焊好的C1、C1’插入主板C1插座,接上两根跳线(无需动焊),即可获得所设计的电路功能,从而使得复杂的电路改造变得轻而易举了。

C1’的安装
1.准备两块74LS153,将它们叠在一起,将上面一块集成电路(即C1’)的第1、2、8、14、16脚与其下的集成电路(C1)的对应管脚焊在一起。
2.C1’其余各脚一律向外折弯,其第7脚是RA7输出,用导线接到上文4164准备好的A7组合接点上。
3.把C1’第5脚与第3脚相联,并引出一段约15cm的装配线(Q2)以便接到主板J1(74LS257)第9脚处,以取得A14地址信号或PAGE·HIRES信号;第6脚与第4脚相联接并用一段装配线Q1接到J1第12脚处,以接收A15信号或一个低电平信号。
74LS257-J1在系统逻辑中原作用是和74LS139-F2一起,完成RAM结构变换。在图5中,此变换功能用作系统高二位地址信号或视频显示选择信号的转换,其工作由系统时钟Ф0控制。当Ф0=1时,ZC=A14,ZD=A15,从而有3A=ZC=A14,2A=ZD=A15;当Ф0=0时,ZC=PAGE·HIRES,ZD=0,即1A=ZC=PAGE·HIRES,0A=ZD=0。
实际接线时,装配线Q1、Q2也可就近接到F2插座相应脚孔处,其中F2插座第2脚对应为J1第9脚,F2第3脚对应为J1第12脚。
联机调试及故障排除
联机调试时先不要接入软驱器,开机应出现“嘟”声,显示版本和光标,表明机子已进入BASIC状态。这时可用以下BASIC命令进一步验机:1.用PRINTFRE(0)检查当前存储器容量,正常者应显示“-16385”或近似数值;2.用GR、HGR、HGR2命令分别检验各显示区转换映射状况,正常者应在首次执行时显示一个过渡性的清屏过程,并进入黑屏状态。
故障的排除可按其表现形式分别处理。
1.机子不能启动,无“嘟”声,无光标。
检查各片4164第9脚是否脱焊或与其他脚短路;4164第8脚的跳线是否正确插入IC座第9脚孔中;提供CAS-信号的F1插座1、4脚跳线是否接好;Q1、Q2跳线是否接对。
2.存储器容量达不到48K
多是4164第9脚(A7)与IC座第9脚(+5V)的跳线有短路点,或碰触到相邻管子外弯的第8脚,应细心检查;D、E两排4116 RAM芯片未拔除是造成本故障的重要原因;此外C1’的RA7输出线虚焊或短路也会造成RAM容量降至16K。
3.GR、HGR、HGR2命令执行后显示不正常
这种情况是PAGE、HIRES信号组合与传送环节有误,可着重检查与此有关的C1’第3、5脚,第4、6脚有无虚焊,错焊或短路等。
排除以上故障后,机子即能正常工作。
本设计对扩展RAM未作安排,RAM芯片中物理地址$C000~$FFFF的16K字节存储单元并未利用上,读者可自行设计相应的地址映射和转换译码逻辑,以实现系统对扩展RAM的体选操作。
由于本电路未改动主机板,用户很容易将系统RAM恢复为原配置方式。(黄巩宁)