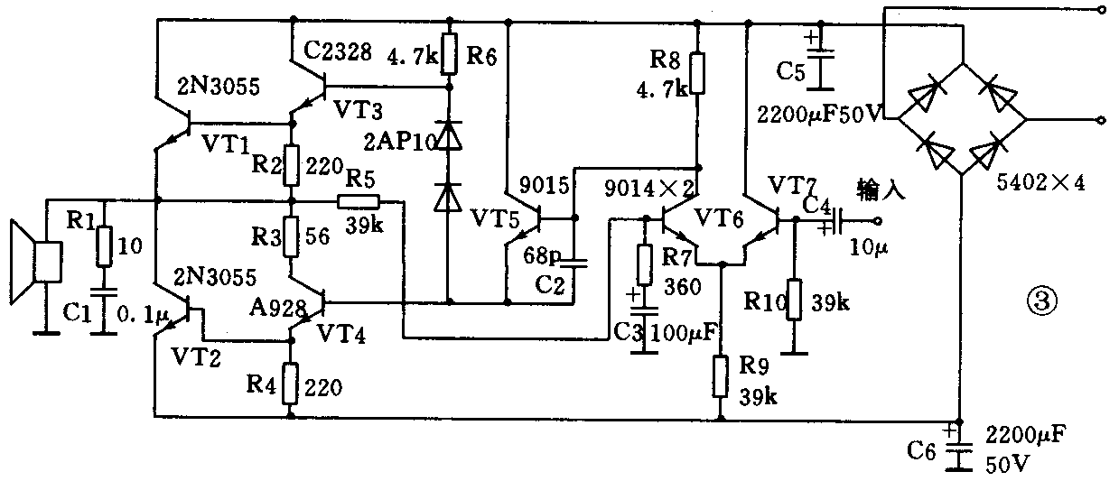
市面上的卡座大多不带功放及音调调节功能,仅作前置信号源用。本文介绍的山田牌988-S型卡座,在卡座的基础上,增加了带均衡网络的音调电路、卡拉OKBBD混响及2N3055功放电路。机心采用进口倒立式,具有自动倒带功能,电平显示采用大屏超亮LED管,外接有高低电平信号输入端子。塑料面板经电化铝处理,外型新潮精美。该机信噪比高,功率大(100W×2),故动态大、失真低、高音清晰、中音明亮、低音强劲,性能价格比好。
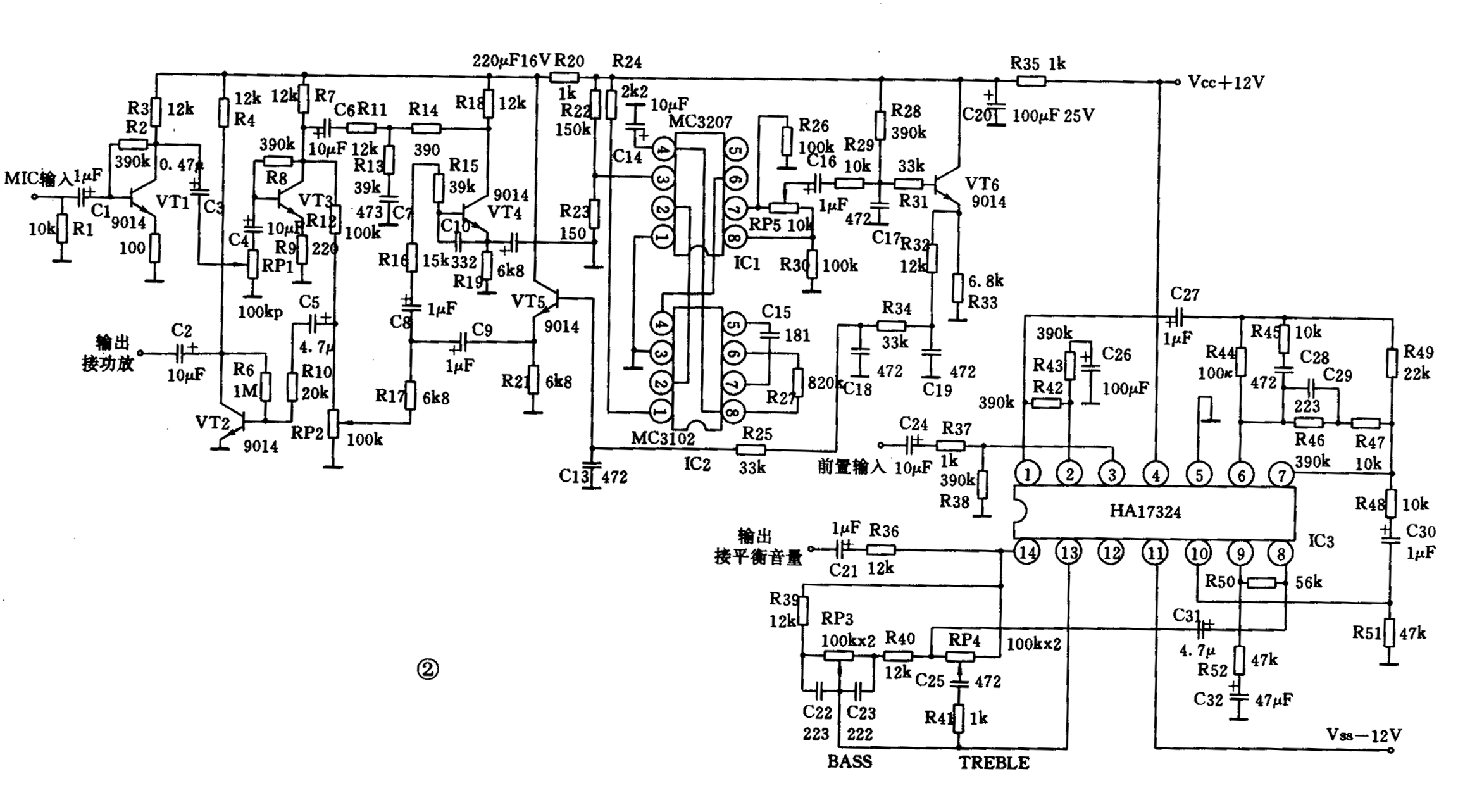
整机主要电路由三部分组成,磁头前置放大选用低噪声LA3210IC。工作电压稳压9V,不受电压波动的影响,电路见图1。卡拉OK音调电路见图2,由HA17324IC运放等组成。HA17324IC第一运放作为电压放大,第二运放作为均衡网络,第三运放作为线路放大,第四运放作为音调控制输出,输出信号经平衡电位器和音量电位器送至OCL功放电路(见图3)。卡拉OK由MC3102及MC3207(BBD器件)和外围电路组成。卡拉OK输出信号送入功放级,话筒音量由MICVOL控制。磁带卡拉OK扩展LOUDNESS由前置输出经100k电阻及0.02μF电容输入卡拉OK电路,用开关控制。



大屏超亮显示屏采用TA7666IC驱动超亮发光管,从平衡电位器取出信号,不受音量强弱的影响。
组装调试:印刷电路板设计时应考虑到线路分布电容及变压器干扰,线路尽可能短,地线面积要大。元器件焊接前一定要测试,引线选用屏蔽线和排线。因电路复杂,调试需分级进行,然后全面统调,调试方法按电路图和自己经验进行。电源变压器要大于200VA。(万凯雄)