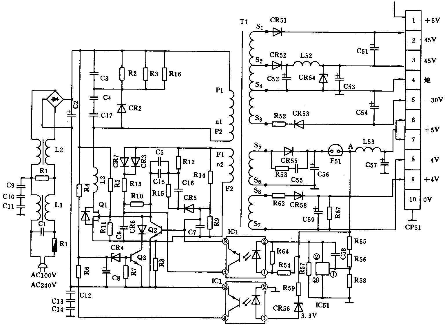
日立VT-M757E(DH)录像机电源采用自激式脉冲变压器耦合的开关电源。附图是依据实物画出的,与原图略有差异。该机以场效应管作为开关管,采用光电转换元件作为稳压取样和过载保护,工作比较稳定。

电路原理
1.整流电路
当电源接通时,220V交流经由L1、L2、C1、R1组成的噪声滤波器滤除电网引入的共模射频干扰,送到桥式整流堆CR1,再经C2滤波形成300V高压直流,通过开关变压器T1初级绕组给开关管Q1漏极供电。
2.自激振荡电路
自激振荡电路由开关管Q1及开关变压器T1组成的正反馈电路完成。R55、R56、R58、IC51组成误差信号取样电路。Q2为控制管,其导通内阻又作为Q1的下偏置电阻,控制Q1的栅极电压,从而控制其导通时间。
开关变压器T1的P1~P2为初级绕组,F1~F2为反馈绕组,其它绕组均为不同的低压输出的次级绕组。桥式整流滤波电路输出的300V电压经初级绕组P1~P2送入开关管Q1漏极,作为开关管的供电电压。300V电压经启动电阻R5加到Q1栅极,开关管在接通电源后便进入微导通状态,漏极电流流过T1初级绕组,在反馈绕组中产生F1为正、F2为负的感应电压。经CR3、CR7、R13、R10、R12、C5、C15加到Q1栅极,使Q1栅极电压升高,漏极电流增大,导致流过开关变压器初级绕组电流增大,进而使反馈绕组F1感应的正电压进一步升高,Q1栅极电压进一步升高,漏极电流进一步增大,从而形成一个正反馈的雪崩过程,使开关管由起始的微导通状态很快进入饱和导通状态。开关管饱和导通后,其栅极电压的升高已不能控制漏极电流的增大。与此同时,F1的正电压经电阻R12、R11与Q2、R8对电容C5、C15充电,充电极性为右正左负,随着充电时间的延长,使开关管栅极电压逐步降低,导致开关管退出饱和导通状态,进入放大状态。由于开关管栅极电压降低,使漏极电流减小,进而使反馈绕组感应出F1为负、F2为正的电压,导致开关管栅极电压进一步下降,漏极电流进一步减小,从而形成反向的雪崩过程,并使开关管迅速截止。在截止期间,C5、C15主要通过R12、CR3、CR7、R13、R10放电。随着放电时间的延长,开关管栅极电压逐渐升高,由截止状态进入微导通状态,于是又进入开机瞬间的初始状态,这样周而复始地不断进行,完成自激振荡。电容C3、C4、C7、电阻R2、R3、R16和二极管CR2组成脉冲限幅电路,避免开关管Q1漏极过压而击穿。
3.稳压过程
光电耦合器IC1内部由一只发光二极管和一只受光控的光敏三极管组成。光敏三极管的导通受发光二极管的发光强弱控制。当发光二极管正向电压升高时发光增强,使三极管导通,电流增大,内阻减小;反之,发光二极管正向电压下降时发光减弱,使三极管导通电流减小,内阻增大。这样,光敏三极管就形成一个受发光二极管发光强弱控制的可变电阻,与Q2等组成的脉冲宽度调制电路,控制开关管Q1的导通和截止时间,从而完成稳压作用。而控制发光二极管发光强弱的电压又是通过取样电路IC51取自接在+5V主电源的电压输出端。IC51①脚的电压由+5V经电阻R55、R56、R58到地分压取得,②脚的输出电压加到光电耦合器IC1中的发光二极管负极,用来控制发光二极管的发光强度。
若220V电网电压突然升高,使开关电源+5V输出电压随之上升时,取样电路IC51①脚电压也升高,使②脚输出电流增大,电压下降。这个下降的电压加到IC1中的发光二极管负极,而发光二极管正极经分压电阻R54、R64取自升高的+5V电压,使发光二极管正、负极电压均向正偏变化,从而使发光二极管导通电流增大,发光强度增加。光敏三极管受强大的光线照射后导通电流增大,从而使其射极电压升高,并加到控制分流管Q2基极,使Q2导通电流增大,集电极电压下降,也就使开关管Q1栅极电压下降,工作点降低,导致开关管导通时间缩短(截止时间延长),最终使开关电源输出电压下降,完成稳定输出电压的任务。光电转换产生电流的大小,决定次级电压升降的幅度。同理,由于220V电压降低或负载过重而引起+5V电压降低时,通过上述的反控作用,使开关管的导通时间加长,输出电压升高,从而达到稳压的效果。
4.过载保护电路
过载保护电路由CR56、IC2、R4、R6、C8、CR4、Q3、CR6组成。在正常情况下,A点电压为+5V,CR56处于导通状态,IC2中的发光二极管导通发光,光敏三极管呈低阻,当R6和R4的分压比(可看作是C8两端的电压)小于0.6V时,CR4截止,使Q3截止,此时,Q3和CR6对自激振荡无影响。当电源过载或负载短路时,A点电压迅速下跌,CR56截止,IC2中的发光二极管不发光,光敏三极管呈高阻,使C8两端的电位差上升,CR4导通,使Q3饱和导通,CR6导通,由于Q3、CR6并联于Q2两端,使开关管Q1栅极电压下降,进而使Q1工作点降低和反馈量急剧下降,导致自激振荡停止,起到过载保护作用。R4在过载保护电路中既是IC2的负载和降压电阻,又和C8构成保证开机的延时电路。
5.脉冲整流滤波电路
脉冲变压器T1有5个次级绕组,为录像机提供不同的工作电压,并把市电与录像机供电隔离。
由CP51输出45V、15V、-30V、+5V、4V五组直流电压。绕组Ⅰ,由S1经CR51、C51整流滤波后产生45V直流电压;绕组Ⅱ,由S2经CR52、L52、C52、C53整流滤波后产生15V直流电压,CR54为钳位二极管,把15V输出电压限制在20V以下,防止过高电压损坏负载元件;绕组Ⅲ,由S3经R52限流,CR53、C54整流滤波后产生-30V直流电压;绕组Ⅳ,由S5经CR55、CR56、L53、C57整流滤波后得到+5V主电源供给微处理器和逻辑电路,R53、C55旁路经CR55的高频成份,熔断管F51为限流保险管;绕组V,由S7、S8独立输出,经R63限流,CR58、C59整流滤波后产生4V电压,并与45V、-30V为数码显示屏供电。
电容C12、C13、C14构成电源地与主板地之间的交流通路。
故障检修
实际检修中主要遇到以下故障,根据经验并结合原理简述如下。
1.交流输入电路的检修
通常情况下保险管F1烧断。故障部位一般在整流桥堆CR1之前的电路。检修时,将整流桥堆的引脚与电路板分离。用万用表R×1kΩ档测量CR1,正常的正反向阻值应呈二极管特性,否则CR1损坏。若CR1良好,应检查高频滤波电容C1是否被击穿,R1是否短路。CR1击穿较为常见。如果整流桥后面的电路发生故障,同样也会使保险丝烧断。
2.自激振荡电路的检修
若保险管F1良好,但直流电压输出端CP51均无电压输出,一般情况下是开关电源不工作。检修时,先从CP51中拔下负载,通电测量C2两端是否有300V直流电压。如正常,说明防干扰电路和整流滤波电路工作正常。断开电源,用万用表R×10Ω档在线检查有关元件,若Q2(2SC1959)损坏,会使Q1栅极电压下降,开关管Q1处于截止状态,导致开关电源无电压输出。
3.过载保护电路的检修
根据上述原理分析可知,当+5V输出电压正常时,CR4截止,致使Q3处于截止状态,不影响振荡器工作。当输出负载短路或负载电流过大时,F51熔断,A点电位下降,使CR56截止,经IC2光电转换后使CR4导通,导致Q3、CR6导通,最终使开关管Q1被迫停止工作。检修时,可先断开负载,用细铜线短接F51,观察输出电压是否正常,否则应检查C8、CR4、Q3有无损坏。如良好,应重点检查IC2,其方法是用万用表μA档接③脚和④脚,用100Ω左右的电阻与1.5V电池串联后碰触①脚和②脚,万用表读数如有变化,表明IC2良好。常见故障是③脚与④脚间的光敏三极管击穿或断路。
4.脉冲整流滤波电路的检修
振荡输出的方波由T1次级绕组降压并经各自的整流滤波电路得到五组不同的直流电压。检修时,可当作独立电路来处理。常见的有:无45V,是C51击穿,无15V,是CR54击穿;无-30V,是R52开路;无+5V,是F51熔断,应急时可用Ф<0.1mm的细铜线短接。
该机220V交流整流和逆变振荡电路采用浮地工作方式,并用T1、IC1、IC2隔离低压输出电路,在检修时,切勿将T1前后电路的地线连接。(林平)