曾有人说电子管功放的品质有80%取决于输出变压器。且不说此说法是否妥贴和准确,确实长期以来输出变压器确是胆机提高品质的一只拦路虎。今天虽然出了一些品质极高的输出变压器,但一对这样的变压器的价格之昂,往往使很多发烧友却步。为了解决这一问题,本人在电路结构上做文章。用一般的普通变压器制作了一款“全并联调整式推挽”胆机,取得了低价发高烧的效果。对于广大“胆”机的制作爱好者也许会起到抛砖引玉的作用。
所谓“全并联调整式推挽”就是在输入级与功放输出级均采用“并联调整式推挽放大”这一电路形式,并且连一般推挽放大器中的倒相级和中间的电压推动级都予以取消,使电路极为简洁明了。此款胆机的灵敏度全靠机中两种管子的高跨导(S)值来保证。“并联调整式推挽放大”即SRPP(Shunt Resulatad Push-Pull),原设计是在电视等领域作高频输入级的,后来用在音频电路中,其失真度、放大率以及输出阻抗的降低,动态范围的增加均好于一般形式的三极管甲类放大电路。特别可贵的是SRPP电路的失真会随着信号频率的上升而降低,这更是补偿了胆机高频响应不易做好的一大缺陷。整台胆机的主电路和电源电路如图1、2所示。


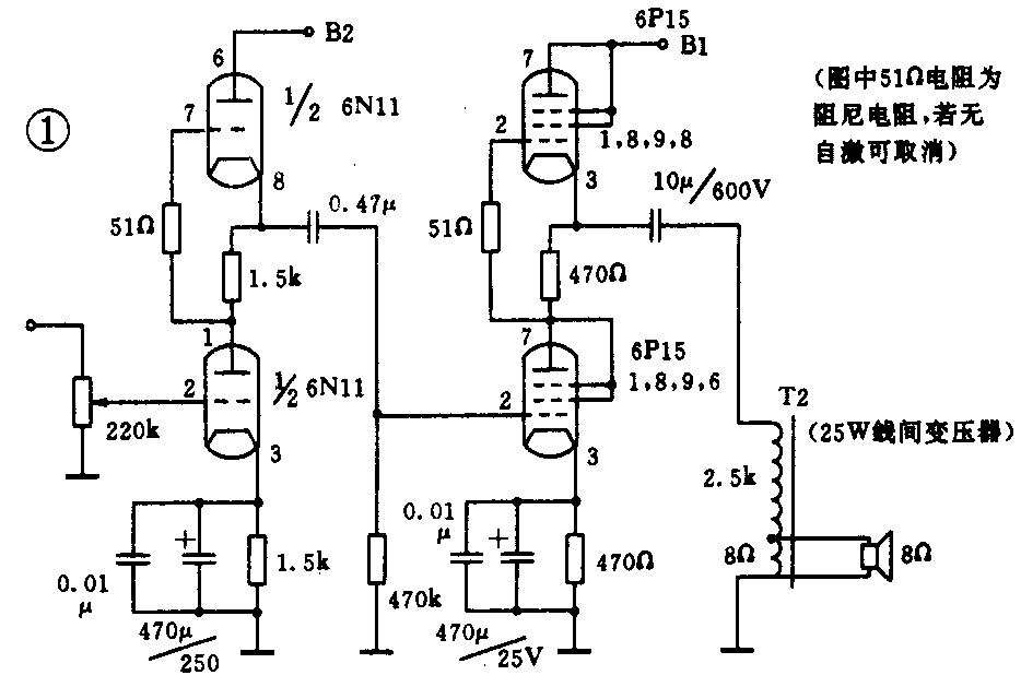
本机的输出级采用宽带放大五极管6P15,输入级采用高频电压放大三极管6N11。这二种管子放大率适中,失真度很低,频响很好。加之都有较高的跨导(S),这就意味着在同样的输出功率的情况下需要的激励电压更小。这两种原常用于电视等其它电路的电子管,现在足称得上是国内音频电路里低价管中的极品。另外,国外有一种专为OTL功放设计的电子管,型号为6CW5,外形与管脚与6P15基本一致,但内阻更低,输出阻抗为1kΩ。在本电路中6P15接成三极管使用,更进一步降低了该管的失真和内阻。从图中可见,该胆机输入级和输出级电路结构完全一样,所以其工作原理也完全相同。每级的两只管子采用串联式直流供电,每只管子承受的电压是电源的一半。对音频信号而言,上面一只管子的输入取自下面那只管子的屏极。上面那只管子的屏极虽然是接电源,但实际上对音频信号来讲它等价于屏极接地。其音频信号由阴极输出。所以上下两管是在作并联推挽工作。由于电子管的栅负压只须栅极对阴极的电位为负即可,所以输入级和输出级,上管和下管均采用固定电阻来产生自给栅偏压。这使电路极为简单可靠。功率管6P15因为按三极管接法,加之并联调整式推挽放大本身就有输出阻抗低的特性,所以输出变压器的的阻抗比取2.5kΩ/8Ω即可,又由于在输出电路中采用了高压隔直耦合电容,所以输出变压器可采用自耦变压器(或将互耦变压器改变自耦接法使用),可选用上无二十七厂以前生产的25W线间变压器。因为我们知道与直耦变压器相比,自耦变压器的效率成倍增高,失真、高频损失、相移都大大减小,且与一般推挽用的输出变压器相比,根本就取消了对称的要求。正是由于上述这些原因,使通常对电子管功放输出变压器的苛刻要求大大放宽,即使采用普通绕法或是普通变压器也能很好的工作。我曾用25W线间变压器和旧黑白电视机的C型电源变压器、交流电子管收音机电源变压器选择合适的变压比(用阻抗比换算(V1/V2)\(^{2}\)=R\(_{初}\)/R次)后按自耦变压器接法接入,均获满意效果。须注意的是互耦变压器接成自耦变压器时的接法,要注意线圈的相位,即应接成自耦升压的形式。
为了提高电路的可靠性和音质,电阻除降压线绕电阻外,其余均采用金属膜2W电阻。电容除电解电容外,可采用630V的聚丙烯或聚脂电容等。电解电容可用彩电电容。值得一提的是隔直输出耦合电容,要求很高者可用聚丙烯或聚脂,一般可采用优质电解(注意极性)。我采用的是CBB型洗衣机电机启动电容。虽然6N2和6P14可直接换插在该机上,但音效会稍逊一筹。毕竟不如发烧管6N11和6P15。好在6P15和6N11很好购买,且价格适中。
纵观全机,该胆机极为简洁、明了,元件都是易得价廉之物。按图中数值几乎不用调整就能发出靓声。若烧友嫌功率尚小,还可将6P15两两并联后再作推挽,但须注意这时其共用的两只自给偏压电阻两端也应再并两只470欧2W的电阻.且其信号栅极都应串接数十欧\(\frac{1}{2}\)W的阻尼电阻,以防管子自激。(王文林)