AN7337N是日本松下公司新推出的高保真七段图示均衡集成电路,较之以往的同类型集成电路(如LA3605等),性能更加优越,且外围电路简单,特别适合于业余爱好者自制高品质的均衡器。
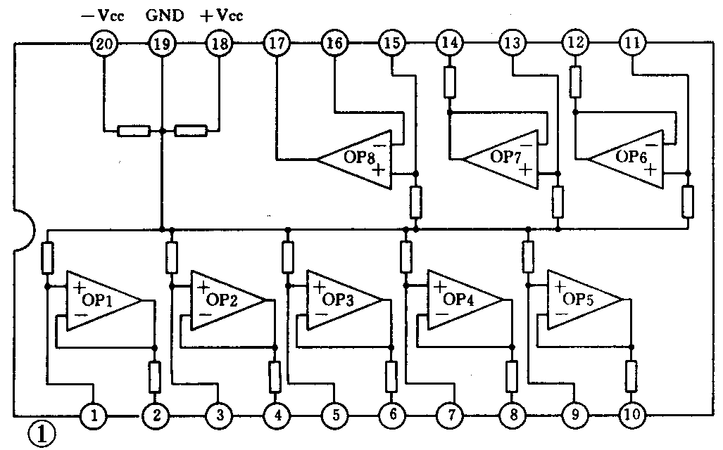
AN7337N的内部原理如图1所示。

OP8为输出运算放大器。
OP1~OP7为七个模拟电感用的运放,与外接电容构成频率均衡网络。

AN7337N的典型应用电路如图2所示(一个声道)。C3与OP1构成模拟电感L1,L1与C2构成63Hz谐振回路,VR1为63Hz这一频率点的均衡电位器,向上滑使63Hz信号提升,向下滑使63Hz的信号衰减。C4~C15及VR2~VR7的作用依此类推。分别对应均衡频率点160Hz、400Hz、1kHz、2.5kHz、6.3kHz、16kHz。图2的典型参数如下:电源±5V温度25℃
电路电流(Vi=0mV) 12mA
平坦状态电压增益 -0.3dB
提升状态电压增益 12dB
衰减状态电压增益 -12dB
谐波失真(f=1kHz,VO=1Vrms) 0.002%
最大输出电压
(f=1kHz,THD=0.1%) 9.5Vrms
最大输出噪声(输入短路,全提升) 31μVrms
AN7337N也可灵活使用,如做五段图示均衡器,只须利用OP1~OP7中的五个即可。如要做14段图示均衡器,则使用两块AN7337N,其中的OP1~OP7全部利用,OP8只利用其中一个即可。改变均衡段数之后,外接的电容参数亦要作调整。为了让业余爱好者更好地使用AN7337N,下面简单介绍模拟电感的基本应用电路及设计公式。图3的虚线部分就是一个模拟电感电路,电感量为L=C02R1R2。L与C01构成谐振回路,决定均衡频率点f0,且
f0=l/2π\(\sqrt{C}\)01C02R1R2
回路Q值为
Q=\(\sqrt{(C}\)02/C01)·(R1/R2)

VR调节f0的增益G0,且VR位于中间时,G0=1;VR位于顶端时,G0=(R+R2)/R2;VR位于底端时,G0=R2/(R+R2)。
AN7337N的技术手册中没有标明R1、R2的数值,笔者根据实验数据,推算出R1≈27k,R2≈1k,供参考。
根据以上公式可知,加大R可提高增益控制的范围。如要改变均衡频率点,可调OP1~OP7外接的两电容。为了使Q值基本保持不变(一般取1~2),调整后的两电容比值与调整前的比值应基本保持不变。因为,Q值大小,则均衡曲线太平缓,起不到均衡作用,Q值太大,则均衡曲线起伏太大,以致覆盖不到整个频段。(姜小仪)