电子声响游戏器是由模拟声音电路、时基电路、计数电路及一些元件器组合而成。通过本文介绍,可能对一些读者有所启发,设计能力有所提高,进而开发出水平更高、性能更好的电路。
电子声响游戏器适合两人以上的场合下进行,玩的方法多样化,可依各人的兴趣而定。在游戏进行当中,游戏器可发出公鸡啼、狗叫及鸟鸣的动物声,可极大提高参加人的兴趣。由于它采用CMOS集成电路组合,因此具有组装容易、调试简单及耗电省的优点,很适合业余制作。

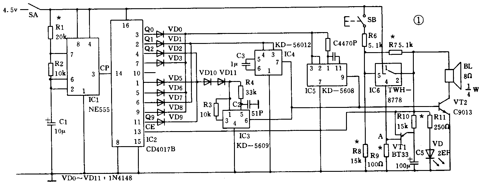
图1所示为电子声响游戏器的电原理图。R1、C1、R2和IC1组成一个周期约1秋的脉冲发生器。由IC1的“3”脚输出脉冲信号,触发十进制计数/译码器IC2。IC2开始循环计数,其输出端Q0,Q1……Q9依次出现高电平,即起到了多路电子开关的功能,接通相 应的模拟声集成电路的电源正端。当Q1或Q7出现高电平时IC4工作,发出鸟鸣声。当 Q2,Q5,Q9出现高电平时,IC3工作,发出公鸡啼鸣声。当Q0,Q3,Q6,Q8出现高电平时,IC5工作,发出狗叫声。Q4为空端,出现高电平时不发出动物叫声,只有VD点亮。IC3~IC5输出控制VT2,为VT2工作做好准备,一旦IC6导通即其2脚出现高电平,则扬声器发出相应的声音,并且VD点亮。
IC6接成自锁式电子开关,按一下按钮SB,IC6的“5”脚电位大于1.6伏,其1和2脚导通,从“2”脚经R7反馈到“5”脚,使IC6自锁,此时放松SB开关,“2”脚仍输出高电平,电源通过IC6的“2”脚供电。
在按下SB瞬间,对应IC2计数到某一输出端Qn(n=0,1,2……9)为高电平时,相应的声响电路工作,扬声器发出相应的声音。IC6的2脚给IC2的CE端即13脚加上正电位,将IC2的输入信号抑制,使它停止计数,使Qn端一直保持高电平状态。IC6输出的另一路向VD供电,使VD点亮。VT2为双基极晶体管,组成一个张驰振荡器。当IC6的2脚出现高电平时,经R10向C5充电。当C5电压上升到VT1导通值时,C5经VT1放电,A点电位上升,使IC6的“4”脚电平提高(相对降低了“5”脚电平),IC6截止,VD熄灭,电路复原,可以第二次按SB按钮。
IC2为CD4017B,IC3~IC5为 KD-560系列的模拟声电路。它们的性能见晶龙电子有限公司产品说明,其外形和引出线排列见图2~图4。图中引线编号为笔者所加,实物中无此号。IC3~IC5也可用南京赛利发电子有限公司的LS-560系列电路。

本人在实际应用中发现KD5609的电源电压不宜大于3伏,否则易产生自激。所以文中用VD10,VD11作降压用。这点读者安装中需注意。
按文中线路,在按SB时发出的某种动物叫声是随机的,规律很难掌握。游戏时用计分法定胜负。从文中可知,狗叫声最容易实现定为2分,公鸡啼鸣定为3分,鸟鸣为5分,空档即无动物叫声,定为零分。
游戏方法:
1.每人各按按钮SB若干次,根据声响,按上述记分法累计计分,分多者为胜。
2.同“1”,但当某次出现空档即VD亮而无动物叫声时,前面的计分都取消,下次从零开始计分,这样更有刺激性。只有每人按完SB规定次数后定胜负。
3.每轮只按一下SB发出动物叫声,按难易程度分别有奖,出现空档受罚。还有其它玩法,可自己设定。
电路调整:
增大R1,C1值,IC1的振荡周期长。
按下SB调整R8到IC6导通。然后调整R7到SB放松时IC6继续保护导通状态,而在VT1导通时IC6又能截止即可。
调整R10使VD亮(IC6导通) 3~5秒钟后VD熄灭即可。(沈绍雷)