液晶光阀是利用液晶的电光效应制成的光学器件,图1所示是CF-26型光阀的外形图,图2是光阀结构原理图。对于向列型液晶光阀,具有制作简单,廉价,体积小,低电压,低功耗等优点。其缺点是:响应速度较慢,不能作为高速开关;另外,其通光率与遮光率也较差,工作环境温度范围较小。

液晶光阀目前主要应用在光学眼镜:如太阳镜、电弧焊镜、汽车司机用防护镜等。液晶薄膜窗帘,液晶调光器,透镜,光开关调制器件,还有观看立体电视的液晶眼镜等。其他高速液晶开关也在研制中。目前市场上出售的液晶彩色电视机,其显示屏就是由众多的微小液晶快门阵列配置红(R)、绿(G)、蓝(B)三基色微型滤光膜而组成的。

向列型液晶光阀其驱动方式与向列型液晶显示器件相同。图3所示为典型的开关型驱动电路。图中采用CD4030B四异或门中的二个门D1、D2组成多谐振荡器,产生占空比近50%、频率约100Hz的方波。方波通过D2输出驱动光阀GF的背电极BP,同时输给D3,通过D3驱动光阀GF的控制电极SEG。D3的另一输入端作为驱动控制端,开关S置1位时接 Vcc,异或门D3工作在反相输出状态,这时GF开启,光可通过,当S置2位时接Vss,D3为同相输出状态,这时GF关断,光通不过。以上假设GF为常闭状态,即未加电压时不透光状态(暗态)。如假设GF为常开状态,则上述情况相反。

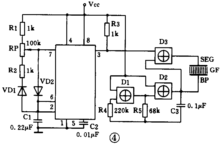
图4所示为平均式调光型光阀驱动电路。其驱动方波发生器与GF驱动器部分与图3基本相同。不同之处是D3的控制端输入的是由NE555组成的可调占空比方波控制脉冲信号。通过调节RP便可改变GF的平均通光程度,但不能改变光阀GF的随机瞬态或渐态的通光程度。(贺松芳)