随着各种数字电路的普及,数字电路的检修也日渐增多,仅有万用表与示波器常常感到力不从心。数字逻辑分析仪是数字电路分析与检修最得力的助手,然面专业用的分析仪,其价格昂贵,一般人无法接受。本文介绍的逻辑分析仪,造价低、功能全。有1280B的内存、八个通道,能捕捉单次脉冲,能观察各种时序信号,包括长周期、窄脉冲信号,非周期性豚冲,被测信号从0.1Hz~1MHz均能稳定无闪烁显示,能准确地测量周期、脉宽、频率等参数。

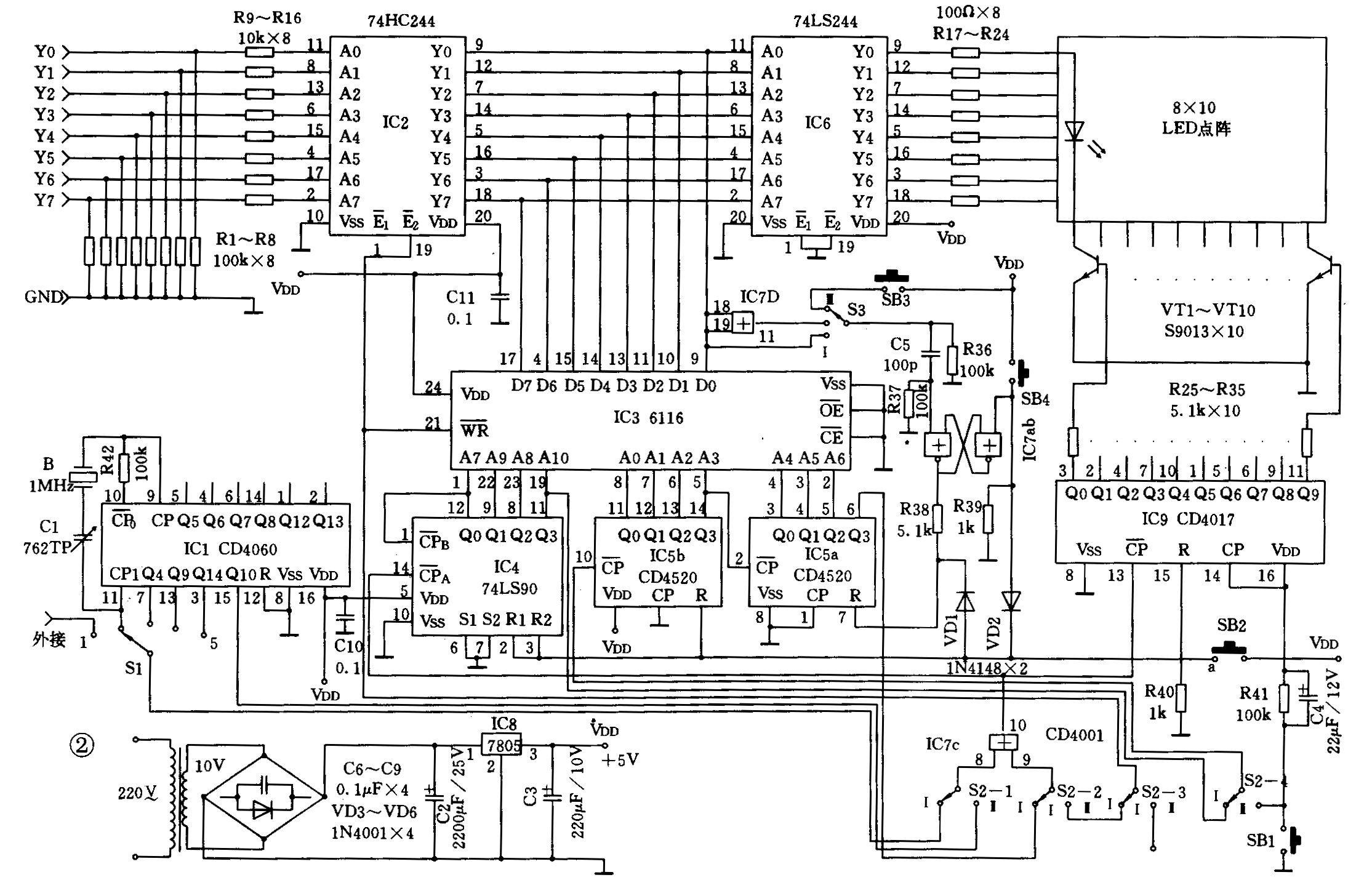
图1是分析仪的方框图,测量时,缓冲门打开,RAM处于“写”的状态,输入信号经缓冲门后分两路,一路送驱动门,由LED点阵显示,另一路送RAM,并存入 RAM。测量完毕,缓冲门关闭,它的输出口呈高阻状态,RAM处于“读”状态,把刚才测量的信号稳定地显示出来。图2是电路原理图。S1是选择时钟的频率,时钟的频率越高,可以观察到被测信号的细节,但观察的部分少,反之则相反。从CD4060的各输出脚可得到11种不同周期的标准方波,其T=1μs×2\(^{Qn}\)。S2控制测量与显示,Ⅰ位置为测量,Ⅱ位置为显示。S3是控制触发源的选择,当S3打到Ⅰ位置时,按一下SB4则可以捕捉单次脉冲,不按SB4,而按一下SB2,电路不需脉冲触发,Ⅲ位置为手动触发。SB3为触发按钮。SB1是翻页按钮,它仅在显示时才有效,不按SB1时,LED点阵反复显示 RAM的 ×× 0~ ××9字节内容,按一下 SB1,同 LED点阵反复显示 RAM内的 ××0+10~××9+10字节内容( ××为00~127中的任意值)。R9~R16是防止输入信号超过5V而损坏74HC244,它的值可从 10k~ 100k中任取。

图中的IC在市场上极常见,很易购到,但必须是正品,质量要可靠,关于LED点阵,可直接选用2块5×8LED点阵组成即可,本人选用的是ф2mm5×7点阵,型号; HDSP- 4701外接加装10个ф2mmLED组成了8×10点阵。如果购到的LED点阵与图中极性相反,把74LS244改成74LS240,把VT1~VT10的集电极与发射极互换,并把集电极接+5V电源即可。本仪器的输入线较多,如果全部采用同轴电缆更好,本人采用两根游戏机手柄线,使用效果也很好。本电路的IC多为CMOS电路,建议采用IC插座。IC插座、分立元件焊好后,检验无误,通电即可工作,再调节 C1,使振荡频率为1MHz即可。(赵华雄)
