ICL7182是HARRIS公司推出的条形计A/D转换器,用于直接驱动101段条形LCD显示器。内部包含有电荷平衡式A/D转换器、2.5V基准电源、译码显示驱动电路及50kHz振荡器。ICL7182的模拟输入端和参考输入端均采用差分形式。可适应对地单端输入或桥式差分输入,电路的线性度和零失调误差在1V满度值时小于0.5%,输入在200mV到1.1V时小于1.5%,参考电压的温漂小于50ppM/℃。
ICL7182具有如下特点:1.1%分辨率,100个数据加一个零点。2.保证没有失落段。3.单5V电源工作。4.具有极性和过载指示。5.仅需外接三个元件。6.功耗低,仅为1.8mW。

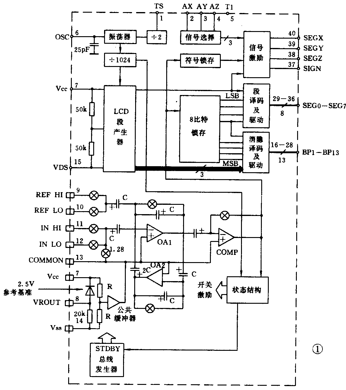
ICL7182的内部电路是极其复杂的,图1为内部电路等效框图。限于篇幅,这里仅将各管脚功能说明如下:1脚Ts:测试端,振荡频率÷2。2脚AX:SEGX选择信号,“1”时SEGX开,“0”时SEGX断。3脚AY:SEGX选择信号,“1”是SEGY开,“0”时SEGY断。4脚AZ:SEGZ选择信号,“1”时SEGZ开。“0”时SEGZ断。5脚T1:测试端,通常开路或接Vss。6脚OSC:振荡控制或外时钟输入端。7脚Vcc:正电源电压端。8脚V\(_{ROUT}\):能隙电源输出2.56V。 9脚REF HI:正参考电源输入端。 10脚REF LO:负参考电源输入端。 11脚IN HI:模拟输入正端。 12脚 IN LO:模拟输入负端。 13脚COMMON:内部中点[1/2(Vcc-Vss)]电压端,输出阻抗1.4kΩ,此端通常接0.1μF旁路电容。14脚Vss:电源负端。15脚VDS:通常接地。16~28脚BP13~BP1:LCD消隐驱动。29—36脚Seg0~Seg7:LCD段驱动。37脚Sign:正信号段驱动。38~40脚SEGZ、SEGY、SEGX:受AZ、AY、AX控制的信号驱动端。
表1为ICL7182的性能参数。表2为ICL7182的极限参数。I-CL7182的每次全部转换过程需2048个时钟周期,表3为时钟与工作过程的关系。I-CL7182在使用时,模拟输入和参考输入必须确保不高于电源电压。模拟输入由于电路存在内部输入电容,因而信号源内阻不能过大,因为充电电流与时钟周期有关,内阻过大会影响取样数值并导入误差,通常信号源内阻按下式要求:Rs(max)=1/(6·Fosc·Cin),式中Fosc:振荡频率,Cin:40pF输入电容,Rs:信号源内阻。



ICL7182驱动显示的LCD101段与输入电压相对应,显示方式采用多路扫描,转换率每秒25次,也可通过外接振荡元件在15~40次/秒间调节。
LCL7182有两种封装形式,I-CL7182CP为40脚双列直插塑封,见图2,ICL7182CM44为 44脚 SM封装。I-CL7182CP与 IC7182CM44的工作温度范围均为 0~+70℃。

用ICL7182作LCD标度显示的是一种典型应用,使用内部基准,输入满量程为1.000V,读数每秒转换25次,灵敏度为1%,Vcc正5V电源可由4节1.5V电池串联后代替。由于ICL7182内部电路的复杂及完善,因而外接元件极少,仅使用几个阻容件及一个LCD显示屏就可构成完整的LCD电压标度计。(周兴华)