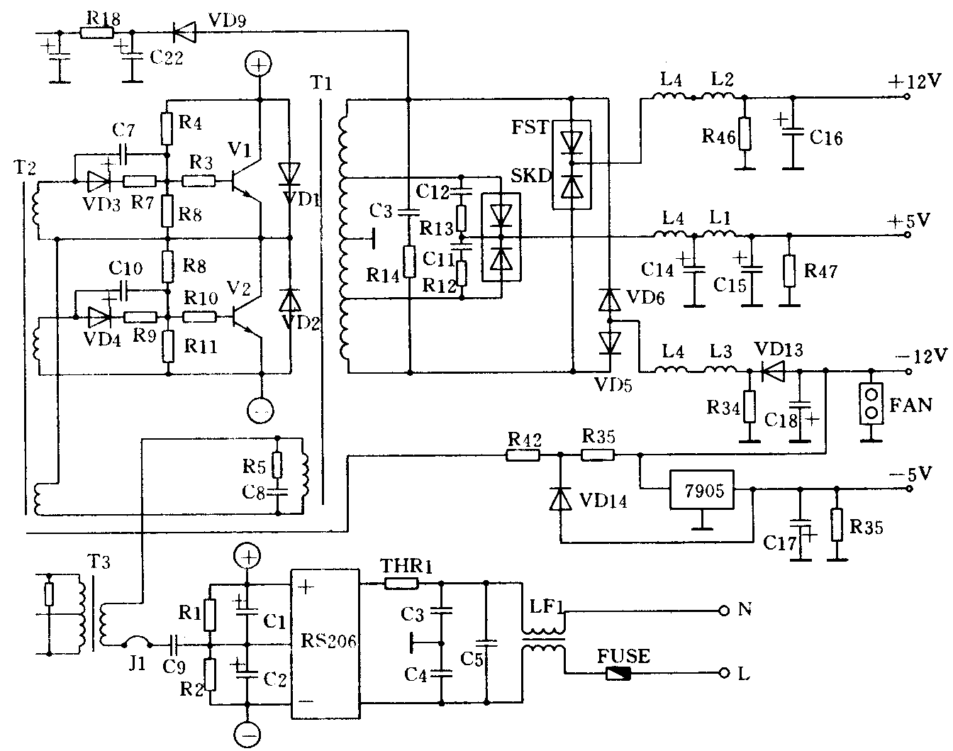
型号为MS-099的微机电源是微机PC/AT286较常用的一种电源。在维修过程中经常碰到无电压输出的故障(电路如图示)。

故障现象:打开微机电源检查,输入保险丝熔断,末级驱动晶体管V1和V2损坏,处于晶体管V1(或V2)的基极驱动回路中的耦合电阻R3(或R10)烧毁(开路);另有数例R3、R10同时开路。
分析与维修:从晶体管V1的基极耦合电阻R3被烧毁的现象分析,可以估计该故障是由晶体管V1的 集电极—基极首先被击穿短路,致使300伏脉冲瞬间加在电阻电容和高频变压器原边绕组上,这样有可能导致电阻R3或电容C7被损坏,同时会造成流过晶体管V1的集电极—发射极的电流急剧增大(因为这时相当于对晶体管V1的基极注入很大的基极电流),从而造成晶体管V1的集电极—发射极被击穿损坏。由于该电源采用半桥式驱动回路,一旦其中一个臂上的晶体管V1被击穿短路损坏,就会造成高频变压器工作在偏磁状态,并使高频变压器的交流阻抗大大降低。这样又将会使处于半桥驱动回路中另一臂上的晶体管V2也被损坏。找到上述故障原因后,用相同规格的电阻来替换(电阻2.2欧姆1/8瓦),原机的末级驱动晶体管为2SC3039,若找不到相同的晶体管,可用参数为Icm≥7A、Vceo≥400V、外形一致的晶体管来代替。在检修时要特别注意检查电容C7、C10,若C7、C10有击穿现象,则换上新的末级驱动晶体管后,很可能因输入波形变坏引起输出波形不对称而导致末级驱动晶体管再次损坏。(闫南生 陈旭阳)