在JVC出品的A-X500VB、A—X900VB、A-G-90B等合并式功率放大器中,都使用了一项名为“Gm”的技术。该公司宣称它能改善对音箱的驱动能力,并在实际音量级降噪。
为了解Gm技术的优点,我们用一台A-G-90B和一台JVC不带Gm技术的R-E500B作了AB比较,驱动Bose 502音箱。音源机是一台NEC的CD-803E CD机,音源是Denon试音碟(片号ACD-1045)。日本音响大师多田喜一曾经说过:表现力是一项复杂的技术指标,是频响、信噪比、动态是否能达到现场水准,音乐入耳是否顺畅的一项主客观结合评论。因此我们选择了天龙试音碟来印证这两台放大器。
我们先接入的是R—E500B,主观听来与其它同价位功放并无明显不同。之后我们串入A-G90B,铜管乐器一出声,就有一种雍容典雅的大家风范。堂音丰富,演奏厅的气氛十分浓厚,混响被表现得恰到好处。总体感觉是音色浑润不失明亮。当关小音量时,声压只有50dB,这是一个夜阑人静的水准。我们惊喜地发现A-G90B动态竟没有丝毫的改变,仅仅是给你一种小音量放音的感觉,而完全没有其它放大器那种在远处演奏的坏印象。这不是等响度电路或均衡器所能达到的。为此我们认为Gm技术确有剖析与推荐的必要。
A—G90B采用的是桥式推挽电路,这是为了降低放大器的开环失真,以保证在配对管不能理想配对时正确地放大正、负两个半周信号。我们知道,推挽电路并不能彻底消除开环失真,还需要加大负反馈量才能补偿。剖析中我们发现,推挽桥的每个臂间,在电压激励管的b、c 极间有一个70k的跨接电阻,如图1所示。这与典型的推挽电路是不同的。通过理论分析我们认为Gm技术的实质就在这几个跨接电阻上。它调整了电压放大级的局部负反馈,失真进一步减小。同时,电压并联负反馈网络的存在,使得电压放大级输出内阻进一步下降,这又使后级的信号源内阻减小,整机线性得到改善。其结果是动态范围被加大了,输出内阻的减小也提高了整机的阻尼系数。

以往调节音量有两种方法:一是在功放输入端加对地电位器,通过滑动臂的对地分压来控制输入信号的电平;一种是利用外接点直流电位的高低,通过改变电路内阻来控制输出音量,即直流音量控制。很明显,前者在调节过程中连带输入阻抗发生变化,整个电路不能工作在最佳Rin的稳定状态,而且滑动噪音也会被放大。后者虽无上述弊端,但需要专用IC来实现,成本、性能、体积都是不容忽视的。通过分析我们发现,JVC将音量电位器接在增益控制点上,如图2所示。

电位器的调节,即跨导(Gm)电阻的变化,能改变负反馈的深度,这自然就影响到整机增益的大小。当滑动臂向反相输入端移动时,电压/电流,电流/电压变化率都会提高,此时放大器增益低,音量小。反之则音量大。由于控制的是增益高低,不接触主音频通道,所以滑动噪音不会影响到音质。最重要的一点是,输入阻抗不发生变化,电路各工作点都一直处于出厂时的最佳调整状态。这样的结果是,无论音量电位器如何变化,对整机的线性都没有不良影响,自然在小音量时,动态也不会变小。Gm音量控制器的优点就是动态不变、没有滑动噪声,电路一直处于最佳状态。
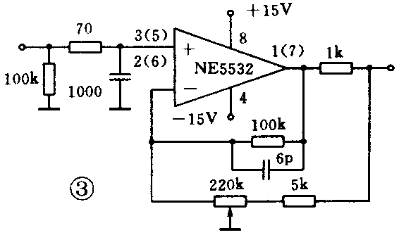
我们用NE5532仿制了一只Gm音量控制器,将它串接在功放输入之前。我们知道,大环路负反馈量必须控制在30dB内才能保证信号的保真度。但一般2×50W的功放必须有一60dB的衰减量才能满足实际音量控制。JVC采用的是多并联通道选择的方法,使用起来不很方便,我们是将图3所示的Gm音量控制器作为单元,三个串联使用。由于采用的是大动态低噪声的NE5532AN,所以音量控制电路的信噪比可达95dB。三个可调电位器既可采用三联统调型,也可采用三个独立调节型,而且不需是特别优质的产品,普通瓷基碳膜电位器即可实现零噪音调节。

须指出的一点是JVC将反馈拾取点设置在功放输出点,它可以将放大的失真信号负反馈到输入点抵消。但这是依靠设计优秀的后级电路保证的。普通放大器往往会造成高频移相,所以我们将拾取点设置在音量电路的输出点,效果好而且电路独立,易于检修。(杨绍亮 宋建友)