射频调制器
我国家用电视机大多数无A/V输入端子,所以卫星接收机均设有RF输出端子。它是将接收机解调后的音频和视频信号在机内经一射频调制器,按标准重新调制到某固定的电视频道的载频输出。用电缆接至电视机的天线输入端子,就能看到卫星传来的电视节目。射频调制器有直接调制和变频调制两种方式,下边分别作些介绍:
1.直接调制式射频调制器

直接调制式射频调制器的组成方框如图1所示,音频信号经预加重处理和放大后,先对6.5MHz的伴音副载波进行调频,再经与VHF振荡器变频后得该频道伴音调频信号;视频信号经0~6MHz低通滤波和缓冲放大后,送至VHF振荡器对该频道信号调幅后得图像调幅信号。经混合器将两信号混合后输出射频信号。

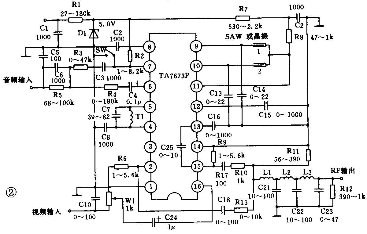
目前,市场上已有很多用作上述电视调制器的专用集成电路型号,例如TA7673、MC1373、MC13974等,它们将输入的视频信号和音频信号分别处理,再调制成射频信号输出。图2给出了TA7673双频道射频调制器的电原理图。由图可见,音频信号先经R3、R5、C5、C6预加重从⑥脚输入,④、⑤脚外接电感T1及电容C7、C8等组成伴音副载波振荡回路,调节T1或C7于6.5MHz上,音频信号在块内对6.5MHz调频,调频后送至块内加法器。视频信号经W1调节信号幅度以控制调制深度,C10、W1可滤除6MHz以上的信号,从脚输入,在块内经过黑白切割、箝位及放大后,在加法器中与6.5MHz调频伴音信号相加后至射频调制器,调制后的射频信号从脚输出。图像载频振荡器的振荡频率可由接在⑨脚或⑩脚外的两个SAW(或两块晶体)来决定,并确定输出是3频道或4频道。控制开关SW安置在⑦脚外,当开关SW闭合时,⑦为低电平,SAW1工作,此时载波振荡频率决定于SAW1的谐振频率;当SW断开时,⑦为高电平,载波振荡频率为SAW2的谐振频率。由于这种调制器体积小、重量轻且性能好,故在卫星接收机及录像机中广泛使用。
2.变频式射频调制器

变频式射频调制器是将视频信号和伴音信号进行中频调制,再用上变频方式将中频调制信号变到较高的频率上,经过放大后输出射频信号。它广泛用在UHF射频调制器之中,其性能比直接式优越,在要求比较高的系统中应用,如有线电视系统。图3给出变频式射频调制器的典型电路,它采用一块集成电路μPC1507作调制器输出中频调制信号,经变频、放大后输出UHP射频输出信号。
制式转换器
世界上彩色电视制式有三种,即NTSC、PAL和SECAM,不同国家采用不同的制式,给节目交换带来极大不便。如中央电视台第四套节目租用“亚洲一号”卫星,采用NTSC制传送,该节目在我国用卫星接收机接收下来,送给一般的PAL制彩色电视机时,会出现无彩色、场幅小(上下有黑边)甚至场不同步的现象。这主要是因为PAL制电视机不能直接解调还原NTSC制电视节目的缘故。因此,要用PAL彩色电视机收看NTSC电视信号,必须将NTSC信号转换成PAL信号才行。能完成这样任务的设备称为制式转换器,常见的有模拟式和数字式两种,以下作一介绍。
1.模拟式制式转换器

模拟式制式转换器的组成方框图如图4所示。图中经卫星接收机解调后输出的A制式(如NTSC制)视频和音频信号,分别输入到制式转换器的视频和音频输入端。其中,音频信号与制式无关,故直接输出或送至RF调制器;而A制视频全电视信号在制式转换器中,首先将色度信号和亮度信号分离开,色度信号分离可用带通滤波器。色度信号经A制式解码器后再送入B制式(如 PAL制)编码器。亮度信号经延时、放大后也送入B制式编码器。为得到B制式的色同步信号,须将亮度信号中的复合同步信号分离出来,经K脉冲产生电路得出K脉冲。连同行同步脉冲一起送到B制式编码器,产生B制式色度信号。对PAL制其中送入编码器的行同步脉冲用以产生逐行倒相的电子开关。最后将编码后的色度信号、亮度信号、复合同步信号经混合器后,得到B制式的全电视信号,它可直接送至监示器或电视机的V输入端子,也可经RF调制器调制到电视某频道输出。
模拟制式转换器电路简单、价格便宜,但因它只变换了色度信号的编码方式,却保持了扫描参数不变。因此,虽能还原彩色,不能从根本上解决电视机的稳定同步问题。如对NTSC制和PAL制转换时,行频15750Hz与16525Hz的差别尚不会造成行不同步的现象;然而,场颇60Hz与50Hz的差别已超出一般电视机的技术规范,故而对场同步范围较大的电视机能满足此要求,不致造成场不同步现象。但对一部分电视机,上述场频的差别会造成场不同步的现象,此时需改添场同步调节的开关电路,使之既保证在NTSC制时场频能同步,又可在PAL制时场频也能同步。用PAL制电视机收看NTSC制信号而出现的场幅压缩现象,也是由于场频不同使场正程时间不同而造成的。一般情况下不采取措施仍可收看,尚不会影响接收效果,必要时也可通过电路适当调大场幅来解决。

目前市场上专用的NTSC制与PAL制制式转换的集成电路已广泛采用,图5所示的MC1377集成块即是一种彩色编码器,可输出PAL制或NTSC制全电视信号。其中③、④、⑤脚输入R、G、B三基色信号,、外接副载波晶体网络,外接NTSC和PAL制开关。当开关接至PAL时,晶体用4.43MHz,⑨脚输出PAL制全电视信号;当开关接至NTSC时,晶体用3.58MHz,⑨脚便输出NTSC制全电视信号。
2.数字式制式转换器
数字式制式转换器的特点是既能进行制式转换,又能改变行频和场频,例如将NTSC制信号每帧525行变为PAL制信号的每帧625行,将每秒60场变为每秒50场,保证电视接收机的稳定同步。实现上述增减行场颇的方法是采用存储技术对行场信号进行重复使用或减去不用。

数字式转换器原理框图如图6所示。为要在不同时间的信号交换使用,必须将信号加以存储,供以后读出和使用。故必须先将模拟信号变换成数字信号,即进行A/D转换,读出时再用D/A变换器还原成模拟信号,全部过程由基准时钟控制。
显然,与模拟式制式转换器相比,数字式制式转换器的结构要复杂得多,价格也贵了许多。但数字式转换后的图像质量也高得多,目前在一些高档卫星电视接收机、录像机等中使用。(毛志伋 高厚琴)