TA8691N单片机集成电路是东芝公司80年代末期推出的新型的大规模集成电路。该电路把TA7680AP和TA7698AP集于一体,作为90年代至下个世纪初彩色电视机集成电路的换代新产品。
该集成电路采用双列直插塑封形式,共计有48脚引出端子,与TA两片机集成电路比较,减少了18只引出脚(两片机的TA7680AP为24脚,TA7698AP为42脚,总计66只引出脚)。
1.TA8691N集成电路的特点
该集成电路具有三级图像中放。三级之间采用的是直接耦合差分放大,每级都有中频AGC,实行分段逐级延时控制,控制范围大约60dB,实现了AFT自动检波,去掉了AFT的解调点。
射频AGC输出采用的是反向控制方式,可配双栅场效应管高频调谐器。视频检波采用双差分模拟式乘法同步检波。检波器效率高,灵敏度高,线性也好。
伴音中频放大也是采用三级直接耦合差分放大,限幅、伴音通道有较深的负反馈,具有动态范围广、失真小、灵敏度高、性能好等优点。
集成块内设置了黑白噪声抑制消噪电路,能对超过消隐电平的黑电平和白电平的干扰脉冲进行自动箝位。
该IC的视频信号以外部分的积分时间常数由集成块内的清晰度控制电路自动控制,使图像清晰、自然、柔和。
电源分三路进入IC。单独设置了高频电源的供给和接地。色度和行电源也分别输入IC,单设接地。实行APC自动相位控制和去掉了行同步、场同步的外部调整,减少了线路之间的干扰,具有较好的隔离效果。
2.集成电路的功能
该IC具有图像中放,视频检波,AFT检波,AGC检波,RF AGC,伴音中放,电子音量,音频放大,清晰度控制,对比度、亮度、色度控制,ACC放大,ACC检波,消色/识别电路,APC检波,PAL开关,PAL矩阵,色差解调矩阵,同步分离,门脉冲发生器,X射线保护,场行激励分频等功能。
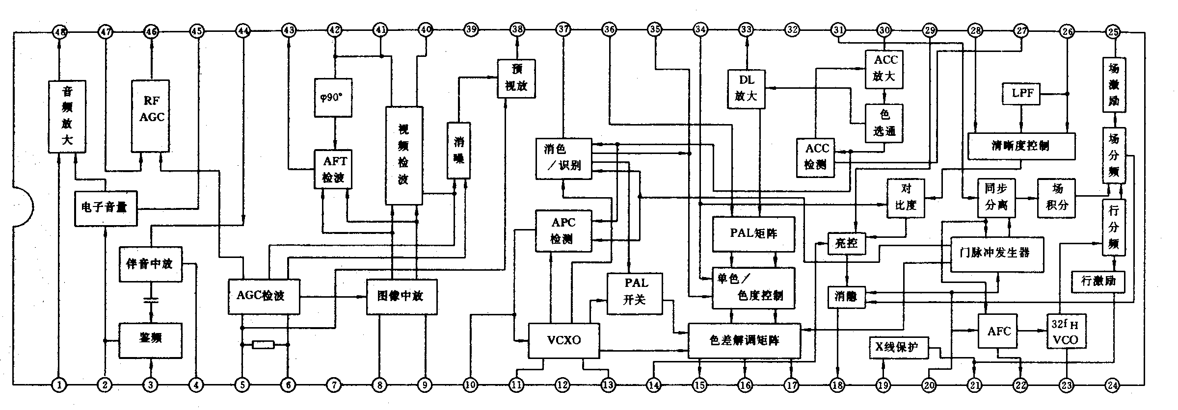
3.集成块方框图简介
TA8691N集成电路的方框图如附图所示。图中的箭头表示信号的出或入流动的方向。

从高频调谐器来的中频信号,经过声表面滤波器(SAW)后从TA8691N的⑧脚和⑨脚输入,首先进行图像中频放大,放大后的信号一路是经过限幅放大后的图像中频信号送到AFT检波器进行自动检波,最后从输出调谐AFT信号;另一路送入视频检波线路和低通滤波器检出视频分量信号,再经过消噪电路处理后从脚输出全电视信号。
从脚输出的全电视信号经IC外的BPF6.5MHz陶瓷滤波器处理后选出SIF伴音中频信号,又送入IC的,经伴音中频的三级直接耦合的差分放大器后,一路送至鉴频器,另一路送到IC的④脚,经④脚外的伴音中频耦合电容后又馈入到IC的③脚回送到鉴频电路,再经电子音量线路到音频放大器等电路的处理之后,从输出伴音信号。
由脚输出的全电视信号经TRAP陷波器后,再经外围元器件组成的隔离输出线路,又把此信号分为三路。一路从IC的输入,进行色度信号处理;另一路送至进行同步分离处理;第三路送到IC的进行亮度信号再处理。亮度信号被送到IC内的清晰度电路内的“软”处理电路处理后,再与从经过IC外部的高通滤波器处理过的二次微分信号一起送至脚,再经“硬”处理电路处理后,与“软”信号混合叠加在一起,送到对比度控制电路、亮度控制电路、消除电路等处理后恢复成图像信号中的直流成份,最后从输出亮度信号。
色度信号从进入IC内的ACC自动色度控制电路后,送给色选通放大电路,由色选通电路分离出色同步信号和色度信号。其中,色同步信号送入供给ACC自动色度控制电路作检波外,还要送到由消色/识别电路、APC检波器和VCXO压控振荡器等组成的色副载波恢复电路。色度信号又送给DL延迟放大器进行色度信号放大,放大后的色度信号又从IC的输出。从输出的色度信号再经IC外的延时电路处理后,又再从IC的输入到PAL逐行倒相矩阵电路,产生出F\(_{v}\)信号和Fu信号,再经单色/色度控制电路后送至色差解调矩阵电路进行解调。F\(_{v}\)信号解调出(R—Y)色差信号,Fu信号解调出(B-Y)色差信号。而后经色饱和度电路处理后进行色差信号的同步解调,合成产生(G-Y)信号。(R-Y)、(B-Y)和(G—Y)三个色差信号分别从集成块的、、脚输出。
当无彩色信号时(或彩色信号很弱时),色度放大器被从消色/识别检波器、APC检测器来的消色电压所截止。
由输入IC内的同步分离信号,经同步分离电路分离出复合同步信号。此信号再分两路输出:一路由内部电路直接送到AFC电路;另一路经场积分电路、场分频电路、场激励电路等,最后从输出场激励信号,到行扫描电路的激励信号先经同步分离电路、AFC电路、32f\(_{H}\)和VCO(32倍行频和压控振荡器)、行分频、行激励以及X射线信号电路等,然后从IC的输出。
4.各引出端子(脚)的功能
①脚:音频负反馈输入;②脚:音频加重;③脚:SIF鉴频;④脚:SIF耦合;⑤脚:VTR开关;⑥脚:AGC滤波;⑦脚:地(高频接地);⑧脚:图像中频信号输入;⑨脚:图像中频信号输入;⑩脚:APC滤波;脚:晶体振荡;脚:电源 Vcc(视频、色度、场);脚:晶体振荡;:黑电平箝位滤波;脚:(R—Y)色差输出;脚:(B—Y)色差输出;脚:(G-Y)色差输出;:(Y)信号输出;:X射线保护;:行逆程脉冲输入;;行激励信号输出;:行AFC滤波;:32倍行晶体振荡;:电源Vcc(行电源);:场激励输出;:亮度信号输入;:ACC滤波;:图像清晰度控制;:亮度控制;;色度信号输入;:同步分离输入;:地(行、场、色度、同步分离);:色度信号放大输出;:对比度控制;:色度控制;:延时输入;:消色、识别滤波;脚:视频输出;:电源 V\(_{CC}\)(高频部分);:38MHz解调;脚:38MHz解调;:AFT移相;:AFT输出;:伴音中频输入;:DC音量控制;:RF AGC输出;:RF AGC延迟调整;:音频输出。(王汉平)