用于位置探测的光敏器件可分为一维探测器件和二维探测器件。其核心均由半导体光敏二极管组成。下面分别简要介绍三种较常用的位置探测器的结构、工作原理及应用参考电路。
差分式光敏二极管探测器
差分式光敏二极管2CU501,常被用于一维系统的位置、偏离度的探测。差分式光敏二极管实质上是由一对背靠背的光敏二极管串联构成,等效电路见图1。该器件有3条引线,其中一根为公共负极;另外两根分别为两个二极管的正极。光敏面的形状及尺寸见图2;外形见图3;参数见表1。




当有光斑照射在差分式光敏二极管的中心位置时,两个二极管接收到的光信号强度相等,此时,探测器输出的信号大小一样,方向相反,经过差动式放大器处理后输出为零,表示光斑位中。若光斑偏离探测器的中心位置,则两光敏二极管的输出受光照强度的影响而产生差异,导致放大器的输出随之变化,从而指示出光斑位置是否偏离。
同心环式光敏二极管探测器
作为物体边缘的探测,通常可以使用同心环式光敏二极管2CU401探测器作为敏感器件。该器件是由面积相等的一个圆形和一个与其同心的环形光敏二极管构成。2CU401的等效电路见图4,光敏面的形状和尺寸见图5,外形见图6。参数见表2。




当被测物体投影在探测器的光敏面上时,探测器的两个输出将发生变化。由于器件具有特殊的光敏面,两个圆形光敏二极管仅在下列三种情况下具有相等的输出即:1.当各光敏二极管全被照明;2.各光敏二极管全部被遮蔽;3.两个二极管被遮蔽的程度相等。根据探测器的几何尺寸,实现第三种情况的最简单方法是将物体的边线投影占光敏面的1/2,此时,两同心的二极管光敏面都有一半被遮蔽,因而两个输出相等,边缘位置也就可以被确定了。
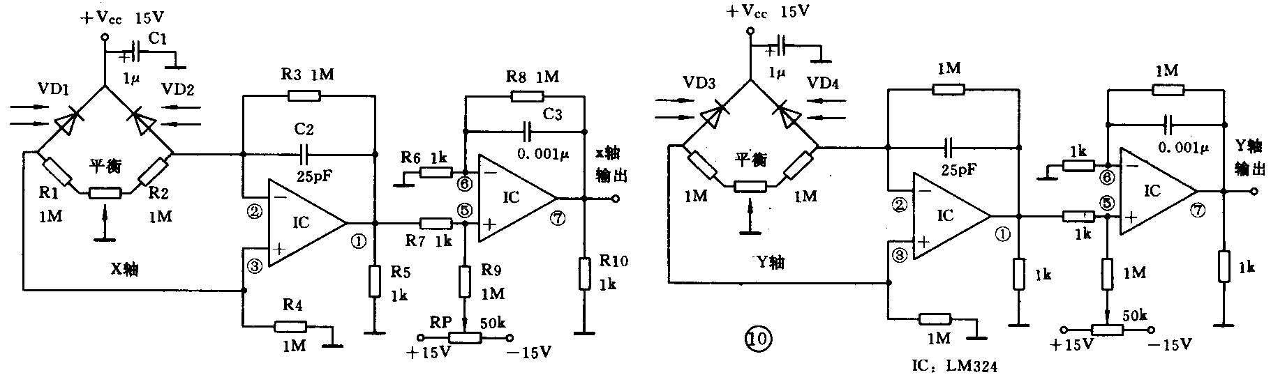
四象限式光敏二极管探测器
在位置探测中,用四象限光敏二极管2CU301和光学系统组成的测量探头,可以对物体进行二维位置探测。四象限光敏二极管的等效电路见图7,光敏面形状见图8,外形见图9,参数见表3。




四象限光敏二极管是在同一芯片上做出4个二极管单片(它们之间有十字形沟道相隔)。所以单元的性能参数基本相同,一致性较好。4个二极管单元相当于直角座标系中的4个象限,每一个象限的二极管有自己的输出。当照射在四象限光敏二极管上的光斑图像位于十字形划分线的中心时,代表4个象限的光敏二极管各自的输出相等,经过运算放大器对信号进行处理后,输出为零。当光斑产生相对于十字形划分线的任何位移时,都会使四象限光敏二极管的输出随之变化,运算放大器的输出也随之产生相对位移方向的正负变化,从而即可确定物体在二维方向上的位移,具体的讲,当X轴和Y轴输出均为正时,说明光斑在第Ⅰ象限;当X轴和Y轴均为负时,说明光斑在第Ⅲ象限;当X轴为正,Y轴为负时,说明光斑在第Ⅱ象限;当X轴为负,Y轴为正时,说明光斑在第Ⅳ象限。见图8。
图10绘出了四象限二极管的应用电路,其中VD1、VD2正极分别接2CU301的“2”、“3”端,VD3、VD4的正极分别接2CU301的“l”、“4”端,用此电路可检测光斑的四象限运动。若将X轴和Y轴的输出信(可正可负)送往X-Y绘图仪或示波器,即可显示出光斑是否偏离中心位置及偏离方向。对于差分式光敏二极管和同心环式光敏二极管的信号处理电路与四象限光敏二极管的信号处理电路相同,只是仅使用其中X轴或Y轴一路即可。通过对其输出信号的正负进行判断,由此确定在一维方向上光斑是否偏离中心位置。(郭德卫)
