高可靠的模块式直流—直流变换器是通信、医学、航空工业的理想电源。目前国内使用较多的为爱立信模块式DC-DC变换器,简称电源模块。图1是PKA型电源模块的外形图。

瑞典爱立信ERICSSON电源模块的输入电压中心值有直流48V和直流24V两种。输出电压有5V、12V、15V,可以单路,双路或三路多种组合。输出功率在3瓦—40瓦之间。爱立信电源模块与常规的DC—DC变换器相比,有很多优点:
1.功能完整。使用时不需附加散热片和滤波器,所有输出均经过稳压。
2.性能可靠。在环境温度为+45℃时,平均无故障时间为200年以上,变换器可经受持续短路而不损坏。
3.工作环境温度范围宽。它可工作在-45℃~+85℃的温度范围内。适合普通军用标准和大多数工业环境的要求。
4.变换效率高。典型值为85%,允许多个变换器并联。
5.结构紧凑体积小。其中15w~18w的PKC系列体积为80×55×10.7mm\(^{3}\);25W~30W的PKE系列体积为76×76×10.7mm3;25~40W的PKA系列体积为76×76×17.8mm\(^{3}\)。3W~7W的PKF系列为48×24×8mm3。
下面介绍爱立信电源模块型号的命名方法:

现以PKA423lPI为例,加以说明。“4”表示输入电压中心值为48V,“2”表示输出功率为25W,“3”表示输出三组电压,“1”表示电压代码,“P”表示板上式(直接焊在印制板上),“I”表示隔离式(隔离电压500V,非隔离的不写)。
表1列出PKA隔离式系统爱立信电源模块的基本特性,供读者参考。

表1中Vi为输入直流电压,0/P1,0/P2,0/P3分别为第一路,第二路,第三路输出,P\(_{0}\)max为输出最大功率。
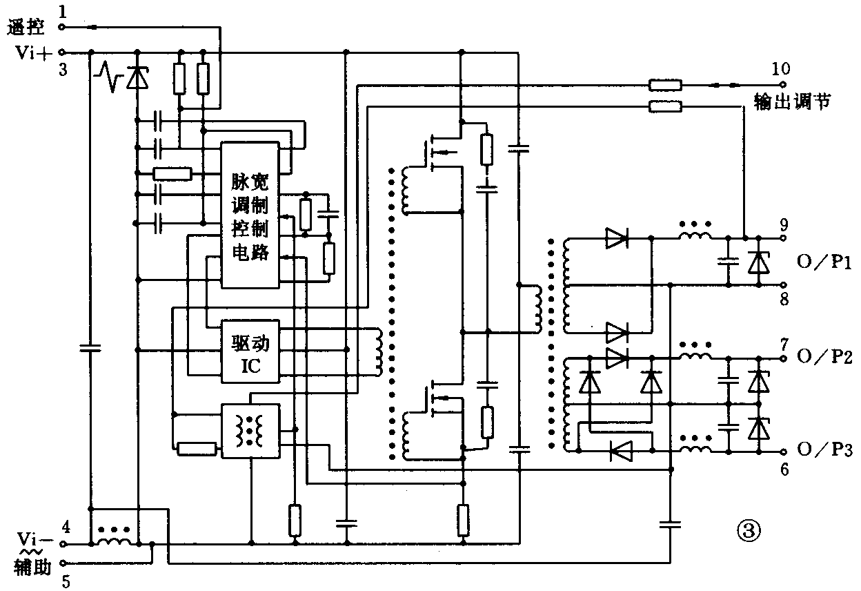
表2为PKA系列模块的管脚功能与对应出线端子号。

PKA423lPI模块的出线引脚7和8在模块内部连接。
表2中“远端控制”端,它是在多个变换器并联应用时用于遥控。“辅助”端子用于输出过压保护。“输出调节”端子用于对输出电压微调。当我们把爱立信电源作一般应用时,只要将输入电压、输出负载正确地接在相应引脚端上,此电源就能可靠地工作了。
瑞典爱立信DC-DC变换器在工艺上采用厚膜混合电路,自动化装配。变换器频率为300kHz。MOS功率管做功率推动,高可靠的陶瓷电容作滤波用。综合采用了多种先进技术的爱立信模块变换器达到了现代电子产品对电源的要求,使其成为通信,医疗,航空工业的理想电源。(王允和)

