测量原理
1.交变磁场测量原理:探测磁场的传感器是一只框形线圈,当垂直线圈平面的方向有交变磁场穿过线圈,在线圈两端则会产生感应交变电压其瞬时值表达式为:
e=NBmSωSinωt
其中N为线圈匝数,Bm为磁感应强度的最大值(单位特斯拉T),S为线圈面积(单位平方米m\(^{2}\)),ω为交流电角频率,当交流电频率为f时,ω=2πf。
感应交流电压的最大值Em=NBmSω
探测线圈的灵敏度可用下式表示:
Em/Bm=NSω(单位:伏特/特斯拉)
其意义是交变磁场的磁感应强度(最大值)每特斯拉能产生多少伏特的交流电压(最大值)。
我们用直径0.3毫米的漆包线在8厘米×6厘米的线框上密绕50匝,其灵敏度根据公式计算(f=50赫兹)为75.4伏/特(V/T),或75.4微伏/微特(μV/μT)。
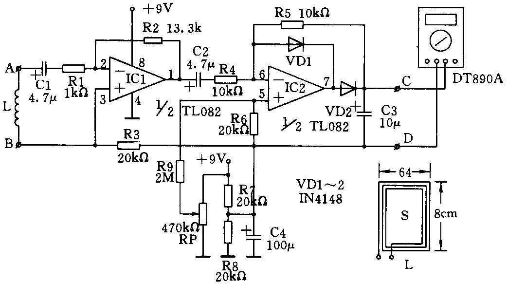
线圈两端产生的交流电压通常较小,难以直接测量。下面介绍利用一块双运放电路制作的测量电路。
2.电路原理:电路如下图所示。线圈L产生的电压先经IC1进行交流电压放大,再由IC2组成精密整流器和峰值保持器,整流输出,用直流电压表示线圈中磁感应强度的峰值大小。直流电压数值可用数字电压表(如 DT890A)测量显示。

为了使数字电压表能直接用数字显示磁感应大小而不用换算,下面介绍用改变交流放大器的放大倍数的方法来取得标准化的测量结果。
如我们希望在数字万用表的直流200mV档显示满度为200μT的磁场,即该档lmV表示1μT,灵敏度为lmV/μT,而线圈的灵敏度为75.4μV/μT,要达到lmV/μT需放大13.3倍。在运算放大器IC1组成的交流放大器中只要使R2/R1为13.3,即当R1=1kΩ,R2=13.3kΩ时,交流放大倍数就是13.3倍,放大后的系统灵敏度即为lmV/μT,再经精密整流器IC2整流(其线性要求比普通二极管高,特别在小信号时)并经C3保持峰值,在CD两端接上数字表,就能直接读出“微特”数了。加测量值超出200μT,可将数字表换到直流2V挡,满度显示为2mT。
制作与使用方法
将线圈L和数字万用表分别接在A、B、C、D端,电路接上9V 叠层电池(一般不宜与数字表共用电池,因电路的公共端COM电位不同),调整RP使数字表显示全零,将线圈放到我们感兴趣的地方,如正在工作的变压器附近(音响、录像设备,配电变压器,日光灯镇流器)和工作中的电动机附近进行测量。(姜立中)