本电子琴为集成电路单音电子琴,由三片集成块组装而成,体积小巧,有笛、单簧管两种音色,音域为三个八度,还可方便地加入颤音。在指法上它保留了传统乐器笛、箫的指法特点,会演奏笛子的人可很快学会演奏。它能灵活地演奏一些大跳和快速行进音阶,特别是用于舞会伴奏,效果非常理想。在自娱时,也不失为一件很好的乐器。
电路工作原理
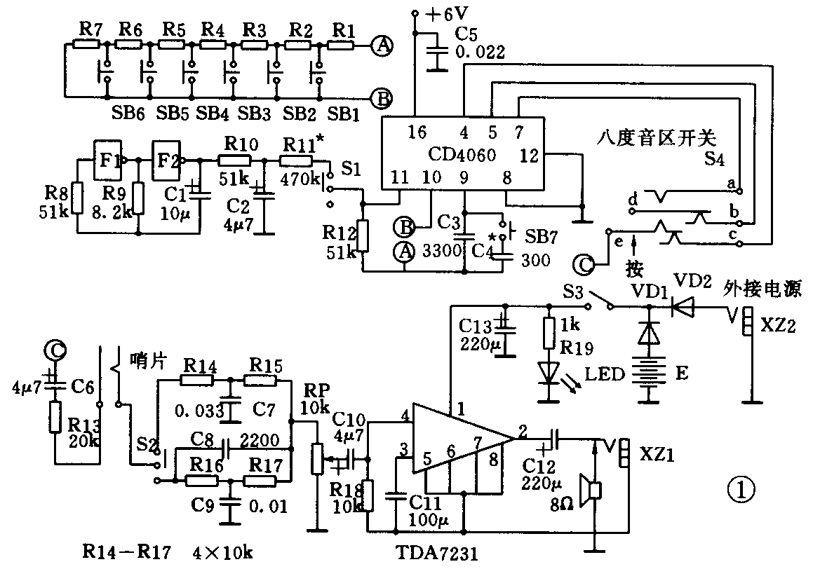
电路原理图见图1。电路由颤音振荡器、音阶振荡及分频器,音色滤波器和功放电路几部分构成。图中75连结符。制作时要把标号相同的线端相连。F1、F2和R8、R9、C1等构成颤音振荡器,频率约为5~8Hz。R10、Rll及C2构成波形变换电路,把F2输出的方波电压转换为三角波电压,用以对音阶振荡电路进行调制。改变Rll的值,可调整调制深度,即调整颤音幅度。

R12、C3、C4和音阶电阻R1~R7和CD4060的内部电路构成音阶振荡器,其振荡频率由音阶电阻和C3确定。SB1~SB6是音键,SB7为降半音键,按下SB7后可使频率降低半音。振荡信号在CD4060内部经分频后,在4、5、7脚输出频率依次相差一倍(一个八度)的方波信号。
S4为八度音区开关,需自制,由 a、b、c、d、e五个金属簧片组成,其原理如下:演奏时右手姆指控制弹簧片e,不按时,e与c接触,c处输出低八度信号;姆指稍用力,则e与c断开而与d接触,而d与b是接触的,c处输出中八度信号;姆指再用力时,d与b断开,与a接触,c处输出高八度信号。这与笛子演奏法中的“超吹”相类似,只是靠手来实现。
哨片由两个金属片构成,由演奏者含在嘴里,靠嘴唇的夹持力控制开关,以完成“吹奏”功能。其实只是靠嘴唇来控制乐器发音与否,并不真的去吹,演奏者在演奏时呼吸自如,一“吹”就响是这件乐器的一个特点。当两簧片不接触,而靠演奏者的舌去接触两簧片时,改变接触面积,还可以在一定范围内控制音量,只是与人体接触,交流声稍大一些。
S2为音色选择开关。拨向1时,信号经过 R14、R15、C7组成的低通滤波器,摹仿黑管音色;拨向2时,信号经过R16、R17、C8、C9组成的高低通滤波器,摹仿曲笛音色。
RP为音量电位器。TDA7231及其外围电路构成音频功放电路。S3为电源开关。CK1、CK2分别为信号输出插孔和外接电源插孔。电子琴内部装有四节五号电池作电源,也可用外接电源供电。
元器件选择与制作
F1, F2为 CD4069,取其中任意两个非门。功放块用TDA7231,如购不到,可选用LM386代换,但外围电路要做相应变动,具体改动清查有关资料。音阶电组R1~R7待阻值确定后选用金属膜电阻,非电解电容选用涤纶电容和云母电容。LED选用Ф5红发光二极管。VD1、VD2用处理品3AX81的c、b结,以减小压降。Y用2.5寸内磁式扬声器,S1~S3用小型拨动开关。SB1~SB7需用磷铜片自制,SB1~SB6为常闭式,SB7为常开式。八度音区开关和哨片用宽5mm的磷铜片按电路图中所示形状自制。
装配与调试
电子琴外形图见图2,线路板设计为长条形,尺寸为25×130mm\(^{2}\)。

1.音阶电阻的确定。将哨片两接线端短路,用一只10k电位器接成可变电阻代替R1,此时,接通6V稳压电源,开大音量电位器,扬声器中应发出音频振荡声。找一手风琴,使之发F音。旋动10k电位器,使电子琴与手风琴发音等高,调好后用金属膜电阻换掉电位器。
再照此法依次调节R2~R7。按下SB1,调R2,使发E音;同时按下SB1、SB2,调R3,使发D音;同时按下SB1~SB3三键,调节R4,使发C音;同时按下SB1~SB4四键,调节R5,使发B音;同时按下SB1~SB5五键,调R6使发A音;同时按下SB1~SB6六键,调R7,使发G音。
2.C4的调整。SB7为降半音开关,音阶电阻调好后,按下SB7,反复调整C4(可通过串并联电容调整),对照手风琴,使电子琴发音准确降低半音即可。
3.R11、R9的调整。用万用表10-V档测量F2输出端对地电压,表外应在3-V位置左右颤动,调Rll可改变颤音幅度,调R9可改变颤音频率。乐器的指法表见图3。(胡明辉)
