本文介绍的遥控器体积小、价廉,可不用附加发射器,只要家中有遥控彩电,便能进行遥控开关控制,且对电视无影响,还可进行手动控制,特别适合做成配套产品。
电路简介

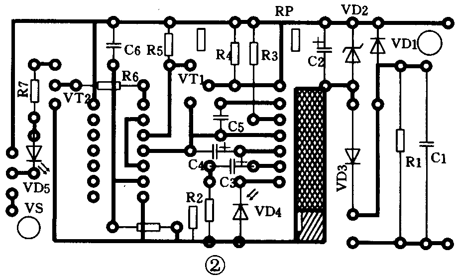
图1为该电路的电气原理图,它的核心是一片红外专用放大器芯片。开机瞬间D触发器的S端作用,使三极管VT2饱和导通,触发可控硅,灯亮。静态时,三极管VT1处于饱和状态,D触发器CP端处于低电平,灯维持亮;当红外接收管VD4接收到红外信号后,三极管VT1由饱和很快进入截止状态,可控硅截止,灯灭;当红外接收管VD4再次收到红外信号后,VT1、触发器、VT2同时发生翻转,使灯又亮,以此完成开关功能。VT1管在红外信号消失后,又回到饱和状态,它只有在收到红外信号时才为截止状态,所以只要发射器按一下即松开,就能使D触发器得到较好的脉冲触发信号,使其翻转。图1中开关S可用作手动操作,合上灯亮,断开灯灭,以完成手动控制。
制作与调试

图2是其印制电路板图。图1中各三极管可用9013中功率三极管,可控硅可视其负载大小而定,40W以上白炽灯或20W以上日光灯可用3A/400V可控硅;降压电容C1应取其容量大于0.47μF、耐压400V的无极性电容。由于CX20106的放大增益较高,所以要用金属屏蔽罩进行屏蔽,如图2虚线所示,才能正常工作。稳压管VD2必须用0.5W以上的稳压管。其它元件无特殊要求。只要安装无误,即能工作。图1中RP为接收距离调节电位器,如装好后,距离不理想,可调节RP以达到最佳距离;距离在7米以上,可将RP+R3固定为200k。在红外接收管前最好装一片滤光片(紫红色片),可减少杂光的干扰。为了不干扰电视机,应将该接收装置安装在与电视机有一定角度距离(45°圆周)的地方。
若无遥控彩电,也可做一发射器,其发射电路图如3所示。由于该发射电路很简单,一装即成,不须调试,所以在此不作详细介绍。(李湘维)
